GM Service Manual Online
For 1990-2009 cars only
Makes
🢒
Saturn
🢒
2003
🢒
L300/LW300
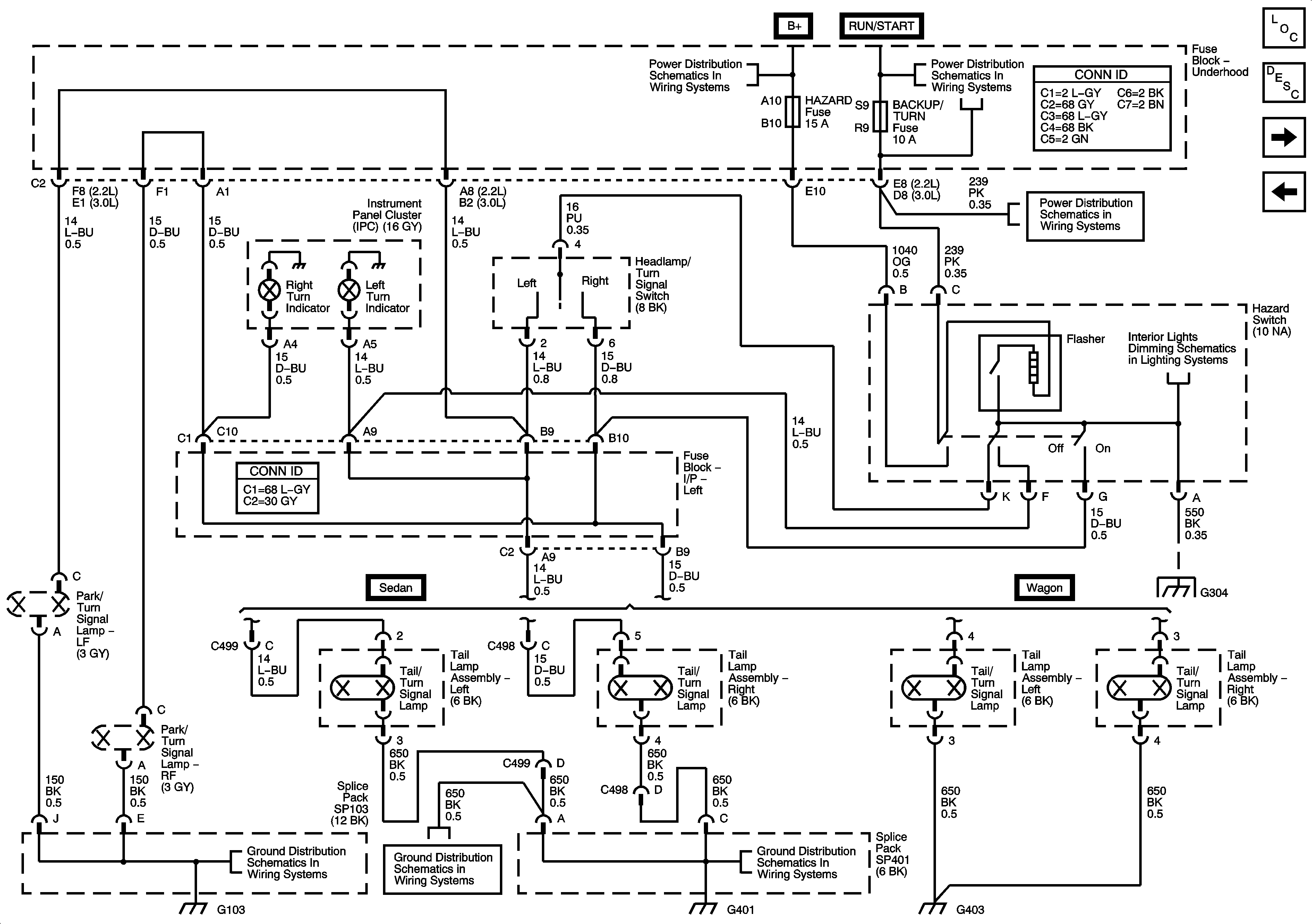
🢒 Turn/Hazard Lamps
Turn/Hazard Lamps
Turn/Hazard Lamps
Master Electrical Component List
Exterior Lighting Systems Description and Operation
Backup Lamps
Stop Lamps
Fuse Block - Underhood Bus
Fuse Block - Underhood Fuses: BCM/ECM/CRUISE/ABS, Cruise Switch, IGN1 and Backup/Turn
Fuse Block - Underhood Fuses: BCM/ECM/CRUISE/ABS, Cruise Switch, IGN1 and Backup/Turn
Interior Lights Dimming Schematics
G300, G304
G105, G103, G113, G107
G305, G401, G399, G400
G305, G401, G399, G400