GM Service Manual Online
For 1990-2009 cars only
Makes
🢒
Saturn
🢒
2004
🢒
L300/LW300
🢒 OnStar Schematics
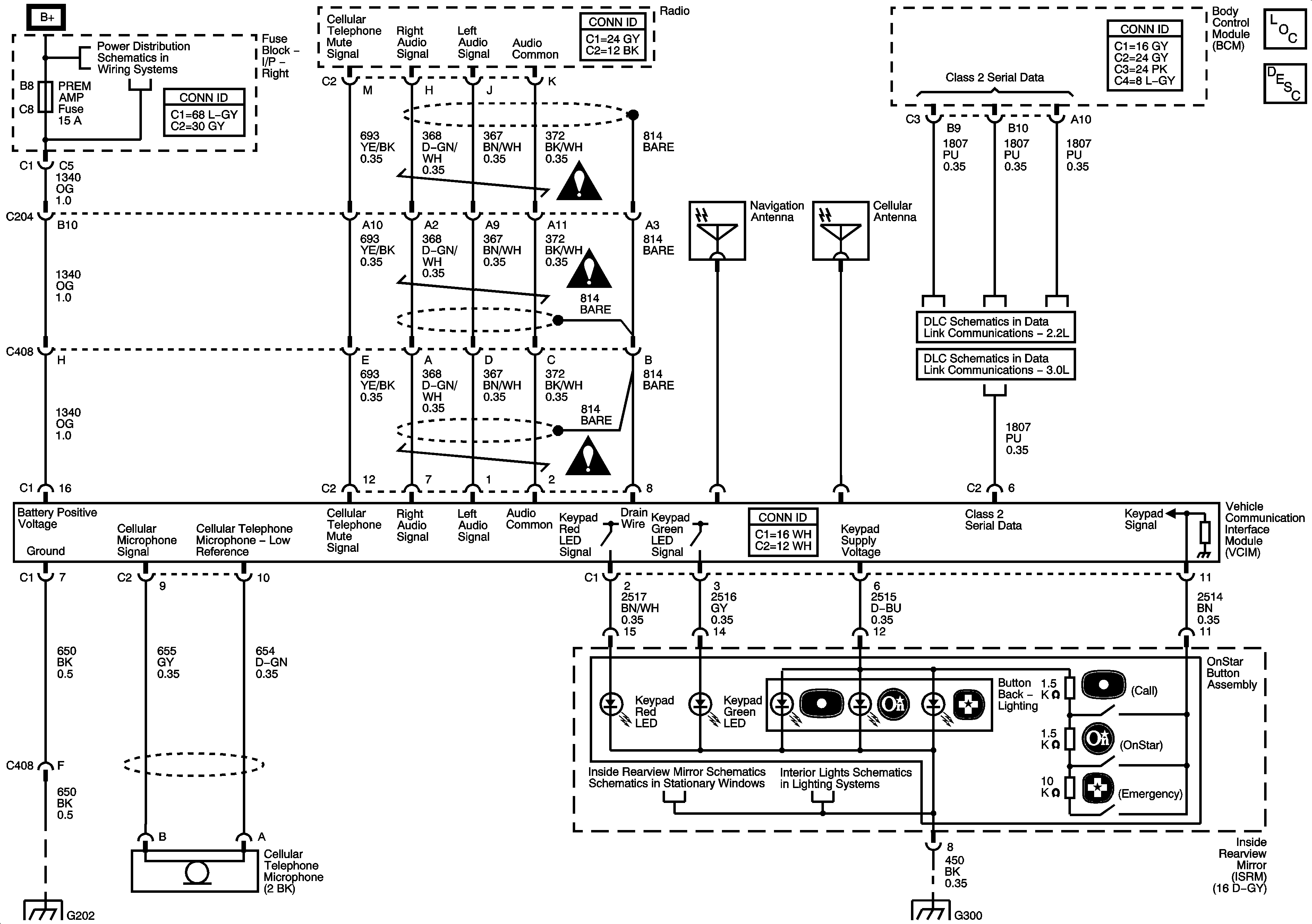
OnStar Schematics
Master Electrical Component List
OnStar Description and Operation
Fuse Block-Underhood Fuses: IP BATT RT FUse Block- Right I/P Fuses: Prev Amp, Door Locks, Body, Fog Lamps
Cellular Communication Schematic Icons
Cellular Communication Schematic Icons
Cellular Communication Schematic Icons
DLC Schematics (2.2L)
DLC Schematics (3.0L)
G202
G300