GM Service Manual Online
For 1990-2009 cars only
Makes
🢒
Saturn
🢒
2005
🢒
L300/LW300
🢒
Body
🢒
Roof
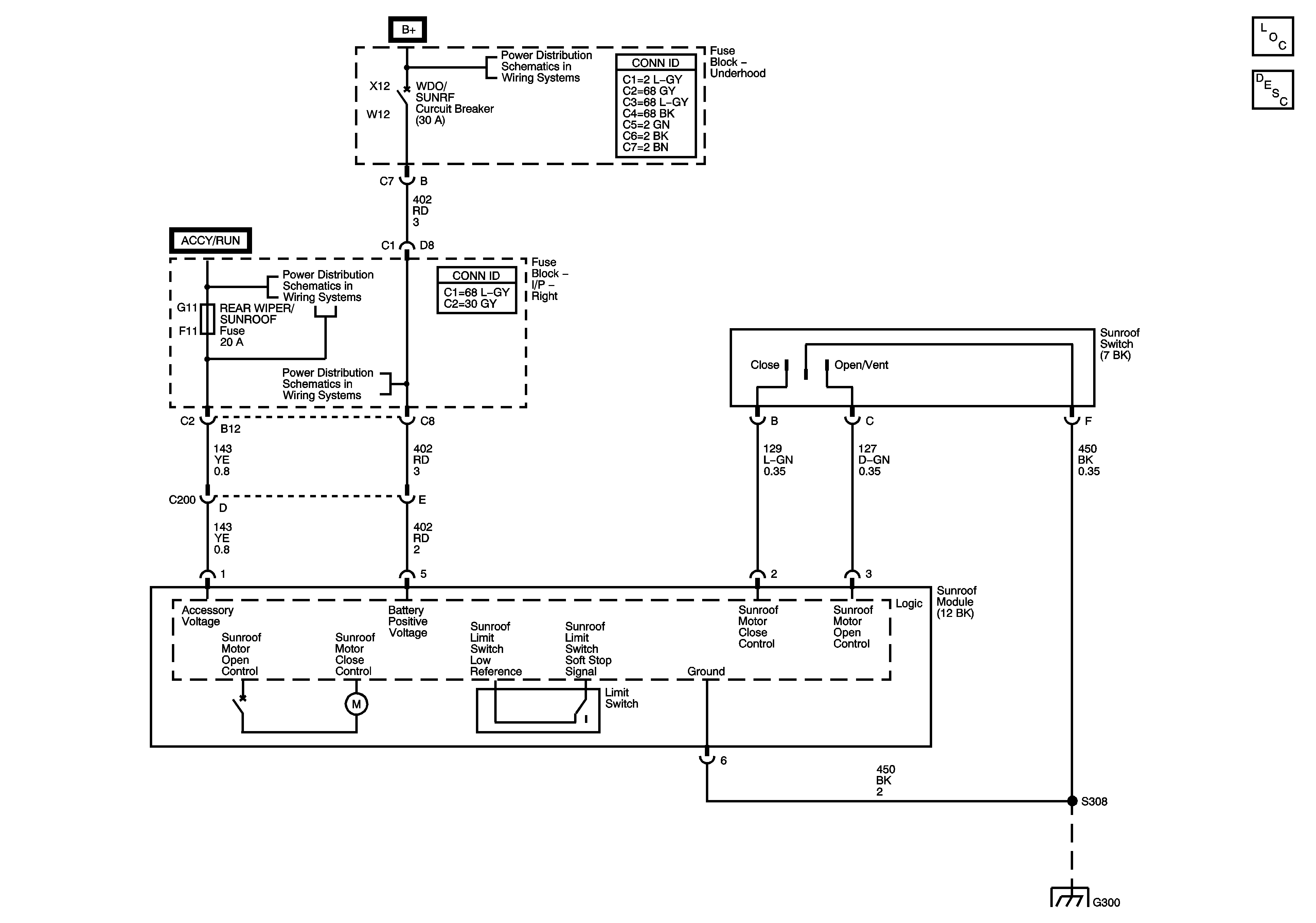
🢒 Sunroof Schematics
Master Electrical Component List
Sunroof Description and Operation
Fuse Block - Underhood Bus
BTSI/BCM/MIRROR, RADIO, RR WIPER, and WIPER Fuses
Fuse Block - Underhood Bus
G300 (1 of 3)