GM Service Manual Online
For 1990-2009 cars only
Makes
🢒
Saturn
🢒
2005
🢒
L300/LW300
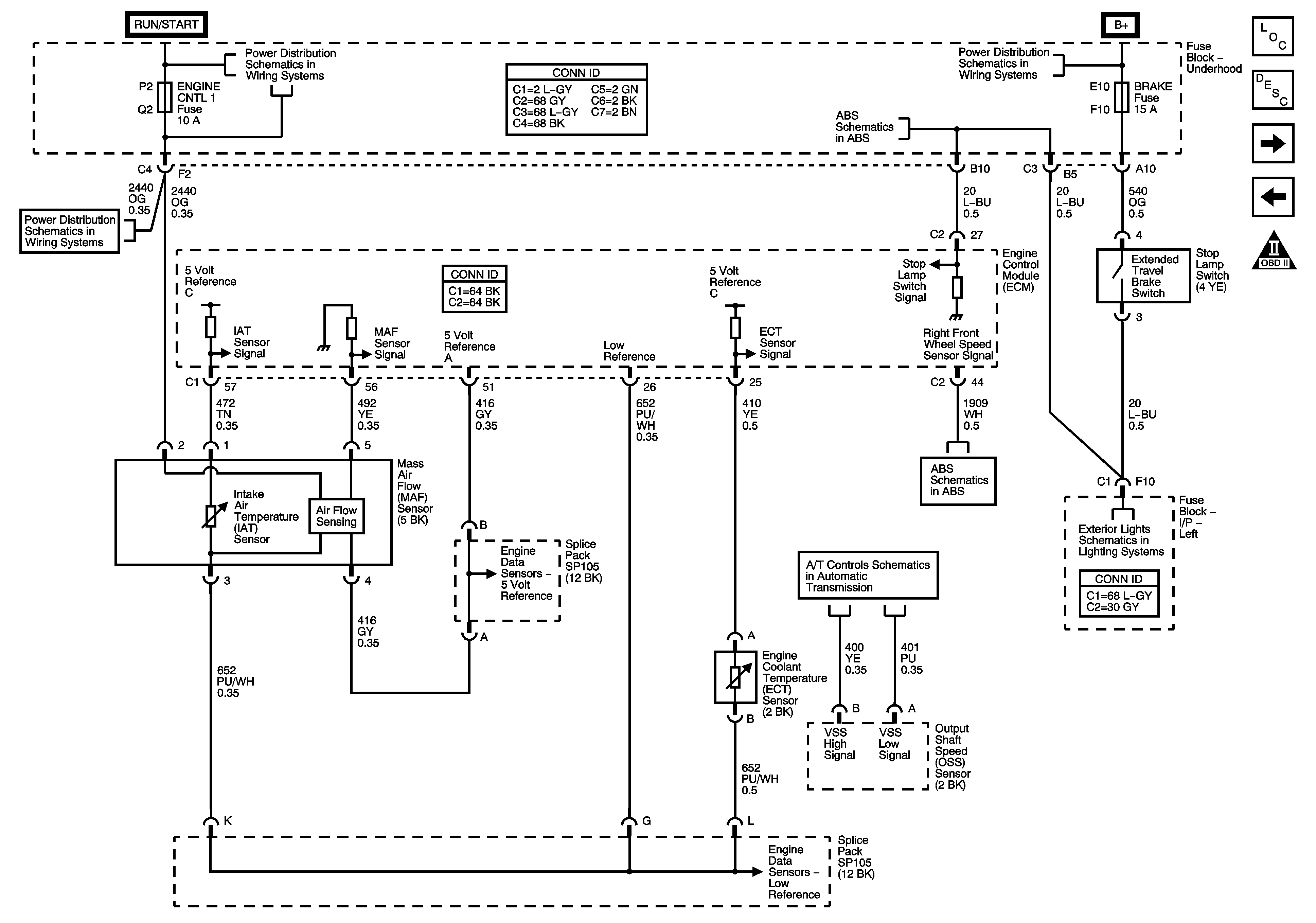
🢒 Engine Data Sensors - Temperature, VSS, MAF, and Extended Brake Travel Switch
Engine Data Sensors - Temperature, VSS, MAF, and Extended Brake Travel Switch
Engine Data Sensors - Temperature, VSS, MAF, and Extended Brake Travel Switch
Master Electrical Component List
Engine Control Module Description
Engine Data Sensors - Heated Oxygen Sensors
Engine Data Sensors - Low References
OBD II Symbol Description Notice
AC, ENGINE CNTL 1, ENGINE CNTL 2, and FUEL PUMP Fuses
AC, ENGINE CNTL 1, ENGINE CNTL 2, and FUEL PUMP Fuses
Fuse Block - Underhood Bus
Module, Power, Ground, Serial Data, and Switches
Wheel Speed Sensors
Stop Lamps
Engine Data Sensors - 5-Volt References
Transmission Sensors and Solenoids
Engine Data Sensors - Low References