GM Service Manual Online
For 1990-2009 cars only

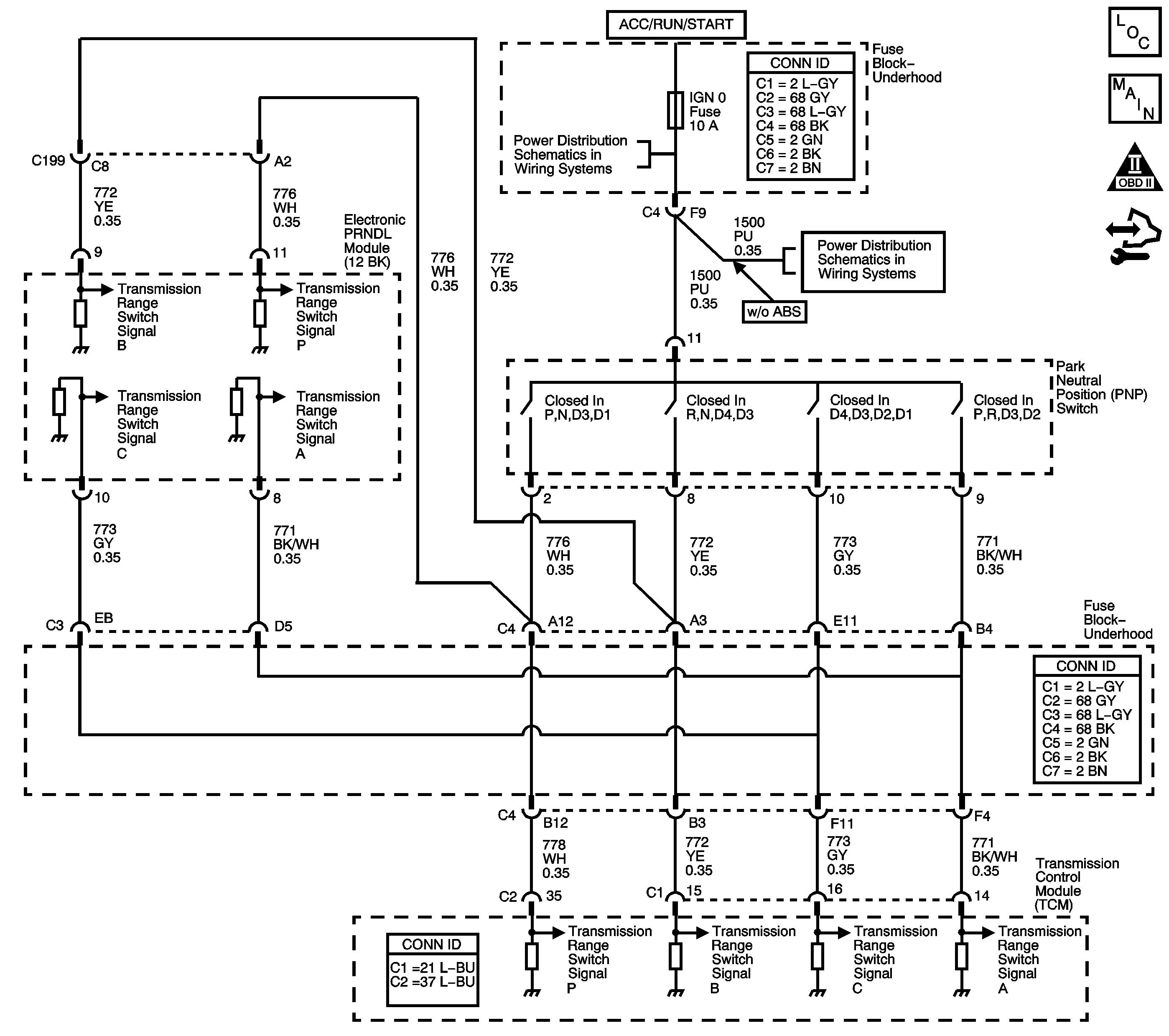
Object Number: 1409152  Size: LF
Master Electrical Component List
Automatic Transmission Controls Schematics
OBD II Symbol Description Notice
Control Module References

Circuit Description

The park/neutral position (PNP) switch is mounted on the transmission manual shaft. The PNP switch is a multi-signal switch. The fuse block-underhood supplies ignition voltage to the PNP switch on four signal circuits, A, B, C, and P. Each gear selector lever position powers two or more of the signal circuits in a unique pattern. In order to determine the gear range selected by the driver, the transmission control module (TCM) compares the voltage combination on the signal circuits to a transmission range (TR) switch combination table stored in memory. Refer to Transmission Range Switch Logic .

When the TCM detects an invalid combination of TR switch signals, DTC P0705 sets. DTC P0705 is a type C DTC.

DTC Descriptor

This diagnostic procedure supports the following DTC:

DTC P0705 Transmission Range (TR) Switch Circuit

Conditions for Running the DTC

The engine run time is greater than 5 seconds.

Conditions for Setting the DTC

The combination of TR switch signals is invalid for 20 seconds. Refer to Transmission Range Switch Logic .

Action Taken When the DTC Sets

    • The TCM does not request the engine control module (ECM) to illuminate the malfunction indicator lamp (MIL).
    • The TCM commands an alternate coast shift pattern when downshifts occur at higher vehicle speeds while coasting.
    • The TCM requests the ECM to illuminate the service vehicle soon (SVS) lamp.
    • The TCM records the operating conditions when the Conditions for Setting the DTC are met. The TCM stores this information as Failure Records.
    • The TCM stores DTC P0705 in TCM history.

Conditions for Clearing the SVS Lamp/DTC

    • The TCM clears the SVS lamp request when the condition no longer exists.
    • A scan tool can clear the SVS Lamp/DTC.
    • The TCM clears the DTC from TCM history if the vehicle completes 40 warm-up cycles without an emission related diagnostic fault occurring.
    • The TCM cancels the DTC default actions when the ignition switch is OFF long enough in order to power down the TCM.

Test Description

The numbers below refer to the step numbers on the diagnostic table.

  1. By disconnecting the PNP switch, the voltage supply for all TR switch circuits would be removed and the TCM should recognize all circuits as open. The scan tool should display LOW for all range signals.

  2. This step tests the PNP switch wiring for an open or lack of a ground path from the TCM.

  3. This step tests the PNP switch wiring and the TCM by providing a voltage supply through a fused jumper wire. When voltage is applied, the scan tool range signal A should change to HI.

  4. This step tests the PNP switch wiring and the TCM by providing a voltage supply through a fused jumper wire. When voltage is supplied, the scan tool range signal B should change to HI.

  5. This step tests the PNP switch wiring and the TCM by providing a voltage supply through a fused jumper wire. When voltage is applied, the scan tool range signal C should change to HI.

Step

Action

Values

Yes

No

1

Did you perform the Diagnostic System Check - Vehicle?

--

Go to Step 2

Go to Diagnostic System Check - Vehicle in Vehicle DTC Information

2

  1. Install a scan tool.
  2. Turn ON the ignition, with the engine OFF.
  3. Select Transmission Range on the scan tool.
  4. With the scan tool, observe the Transmission Range display while selecting each transmission range: P, R, N, D, I, and L.

Does each selected transmission range match the scan tool Transmission Range display?

--

Go to Intermittent Conditions in Engine Controls - 3.0L (L81)

Go to Step 3

3

  1. Disconnect the electronic PRNDL module.
  2. Turn ON the ignition, with the engine OFF.
  3. Select Transmission Range on the scan tool.
  4. With the scan tool, observe the Transmission Range display while selecting each transmission range: P, R, N, D4, D3, D2 and D1.

Does each selected transmission range match the scan tool Transmission Range display?

--

Go to Step 17

Go to Step 4

4

  1. Inspect the PNP switch assembly for the following:
  2. • Damage
    • Loose or missing mounting hardware
    • Proper adjustment
  3. Inspect the shift cable for the following:
  4. • Damaged or stretched cable
    • Proper adjustment

Did you find and correct a condition?

--

Go to Step 20

Go to Step 5

5

With the scan tool, observe the TR Switch-P/A/B/C display.

Does the scan tool TR Switch-P/A/B/C parameter indicate LOW for all range signal states?

--

Go to Step 14

Go to Step 6

6

  1. Turn OFF the ignition.
  2. Disconnect the PNP switch connector.
  3. Turn ON the ignition, with the engine OFF.

Does the scan tool TR Switch-P/A/B/C parameter indicate LOW for all range signal states?

--

Go to Step 7

Go to Step 11

7

  1. Using the DMM and the J-35616 connector test adapter kit, measure the voltage from the TR signal A circuit of the PNP switch connector to battery positive.
  2. Measure the voltage from the TR signal B circuit of the PNP switch connector to battery positive.
  3. Measure the voltage from the TR signal C circuit of the PNP switch connector to battery positive.
  4. Measure the voltage from the TR signal P circuit of the PNP switch connector to battery positive.

Does the voltage measure within the specified value at all four terminals?

10-14 V

Go to Step 8

Go to Step 12

8

Connect a fused jumper wire from the TR signal A circuit of the PNP switch connector to battery positive while monitoring the scan tool TR Switch -P/A/B/C parameter.

When the TR signal A circuit is shorted to voltage, do any other signal circuits indicate HI?

--

Go to Step 13

Go to Step 9

9

Connect a fused jumper wire from the TR signal B circuit of the PNP switch connector to battery positive while monitoring the scan tool TR Switch -P/A/B/C parameter.

When the TR signal B circuit is shorted to voltage, do any other signal circuits indicate HI?

--

Go to Step 13

Go to Step 10

10

Connect a fused jumper wire from the TR signal C circuit of the PNP switch connector to battery positive while monitoring the scan tool TR Switch -P/A/B/C parameter.

When the TR signal C circuit is shorted to voltage, do any other signal circuits indicate HI?

--

Go to Step 13

Go to Step 18

11

Test the TR signal circuit or circuits of the PNP switch that did not indicate LOW for a short to voltage.

Refer to Testing for a Short to Voltage and Wiring Repairs in Wiring Systems.

Did you find and correct the condition?

--

Go to Step 20

Go to Step 19

12

Test the TR signal circuit or circuits of the PNP switch that did not indicate proper voltage for an open.

Refer to Testing for Continuity and Wiring Repairs in Wiring Systems.

Did you find and correct the condition?

--

Go to Step 20

Go to Step 19

13

Test the affected TR signal circuits of the PNP switch for a shorted together condition.

Refer to Testing for Continuity and Wiring Repairs in Wiring Systems.

Did you find and correct the condition?

--

Go to Step 20

Go to Step 19

14

  1. Remove the ignition 0 fuse.
  2. Inspect the fuse for an open. Refer to Circuit Protection - Fuses in Wiring Systems.

Did you find the condition?

--

Go to Step 15

Go to Step 16

15

Important: The condition that affects this circuit may exist in other connecting branches of the circuit. Refer to Power Distribution Schematics in Wiring Systems for complete circuit distribution.

Test the Ignition 0 voltage circuit of the PNP switch for a short to ground.

Refer to Testing for Short to Ground and Wiring Repairs in Wiring Systems.

Did you correct the condition?

--

Go to Step 20

--

16

Test the Ignition 0 voltage circuit of the PNP switch for an open.

Refer to Testing for Continuity and Wiring Repairs in Wiring Systems.

Did you find and correct the condition?

--

Go to Step 20

Go to Step 18

17

Replace the electronic PRNDL module. Refer to Transmission Control Replacement .

Did you complete the replacement?

--

Go to Step 20

--

18

Replace the PNP switch.

Refer to Park/Neutral Position Switch Replacement .

Did you complete the replacement?

--

Go to Step 20

--

19

Replace the TCM.

Refer to Control Module References in Computer/Integrating Systems for replacement, set-up, and programming.

Did you complete the replacement?

--

Go to Step 20

--

20

Perform the following procedure in order to verify the repair:

  1. Select DTC.
  2. Select Clear Info.
  3. Operate the vehicle within the conditions for running the DTC as specified in the supporting text.
  4. Select specific DTC.
  5. Enter DTC P0705.

Has the test run and passed?

--

Go to Step 21

Go to Step 2

21

With the scan tool, observe the stored information, capture info and DTC info.

Does the scan tool display any DTCs that you have not diagnosed?

--

Go to Diagnostic Trouble Code (DTC) List - Vehicle in Vehicle DTC Information

System OK