GM Service Manual Online
For 1990-2009 cars only

Object Number: 1848745  Size: MF

Callout

Component Name

Preliminary Procedures

  1. Remove the body side trim panel. Refer to Quarter Lower Rear Trim Panel Replacement .
  2. Remove the liftgate actuator rod. Refer to Liftgate Actuator Rod Replacement .

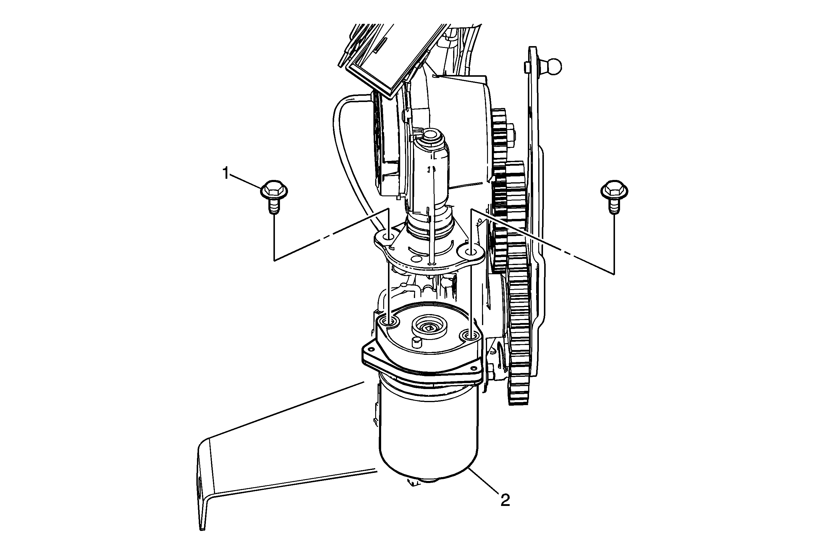
1

Power Liftgate Actuator Motor Bolts (Qty: 2)

Notice: Refer to Fastener Notice in the Preface section.

Tighten
8 N·m (71 lb in)

2

Power Liftgate Actuator Motor

Procedure

    • Disconnect the electrical connector.
    • Reprogram liftgate control module. Refer to Liftgate Control Module Programming and Setup .