GM Service Manual Online
For 1990-2009 cars only
Makes
🢒
Saturn
🢒
2007
🢒
SKY
🢒
Diagnostic Navigation
🢒
Vehicle Diagnostic Information
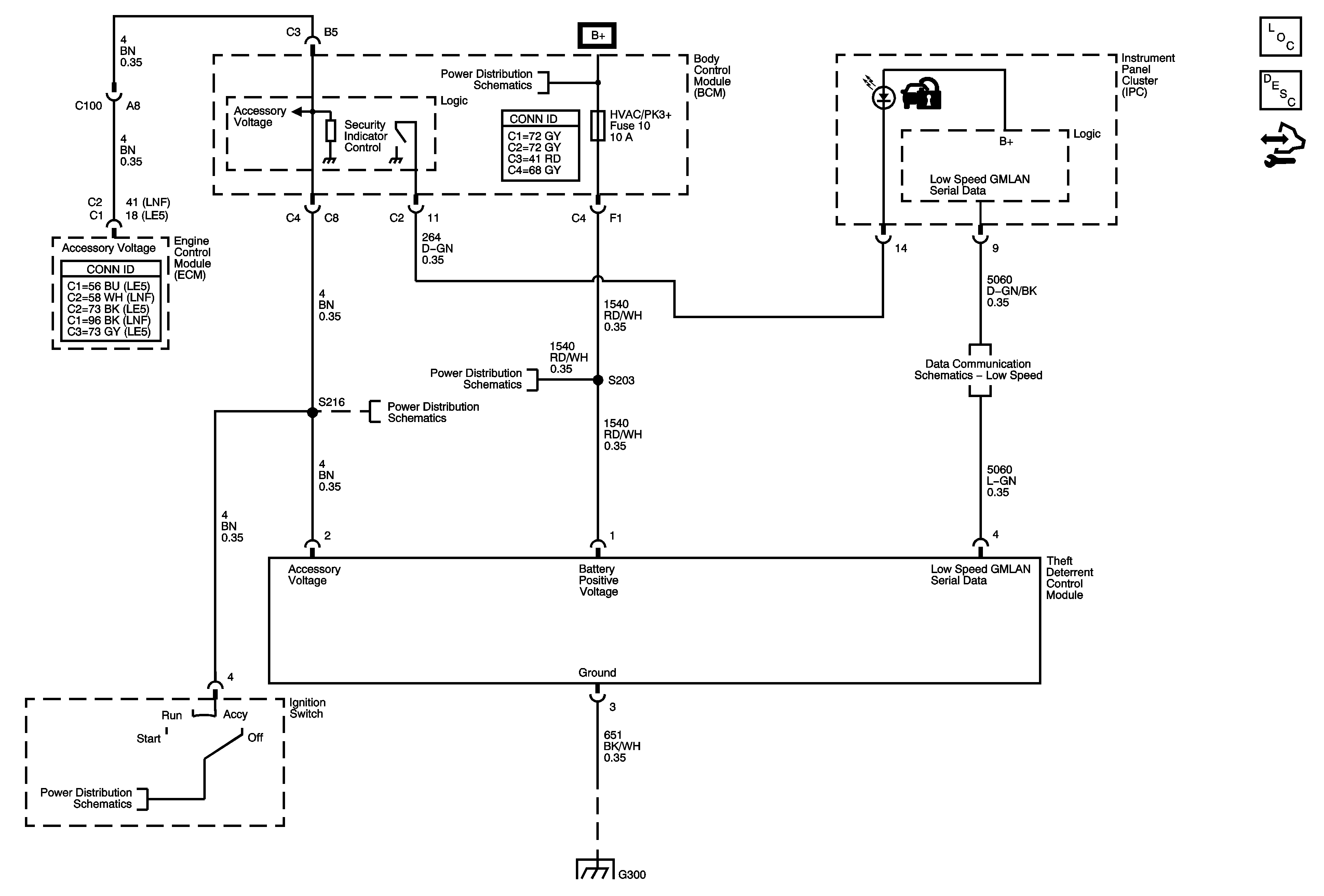
🢒 Immobilizer Schematics
Master Electrical Component List
Immobilizer Description and Operation
Control Module References
Fuse Block-Underhood BCM 2 Fuse, BCM 3 Fuse, BCM Fuses: AMP, CLSTR, HVAC/PK3, IGN SW/PK3
Fuse Block-Underhood BCM 2 Fuse, BCM 3 Fuse, BCM Fuses: AMP, CLSTR, HVAC/PK3, IGN SW/PK3
Low Speed LAN
Ignition Switch
Ignition Switch
G300 - 1 of 2