GM Service Manual Online
For 1990-2009 cars only
Makes
🢒
Saturn
🢒
2007
🢒
SKY
🢒 Seat Belt Schematics
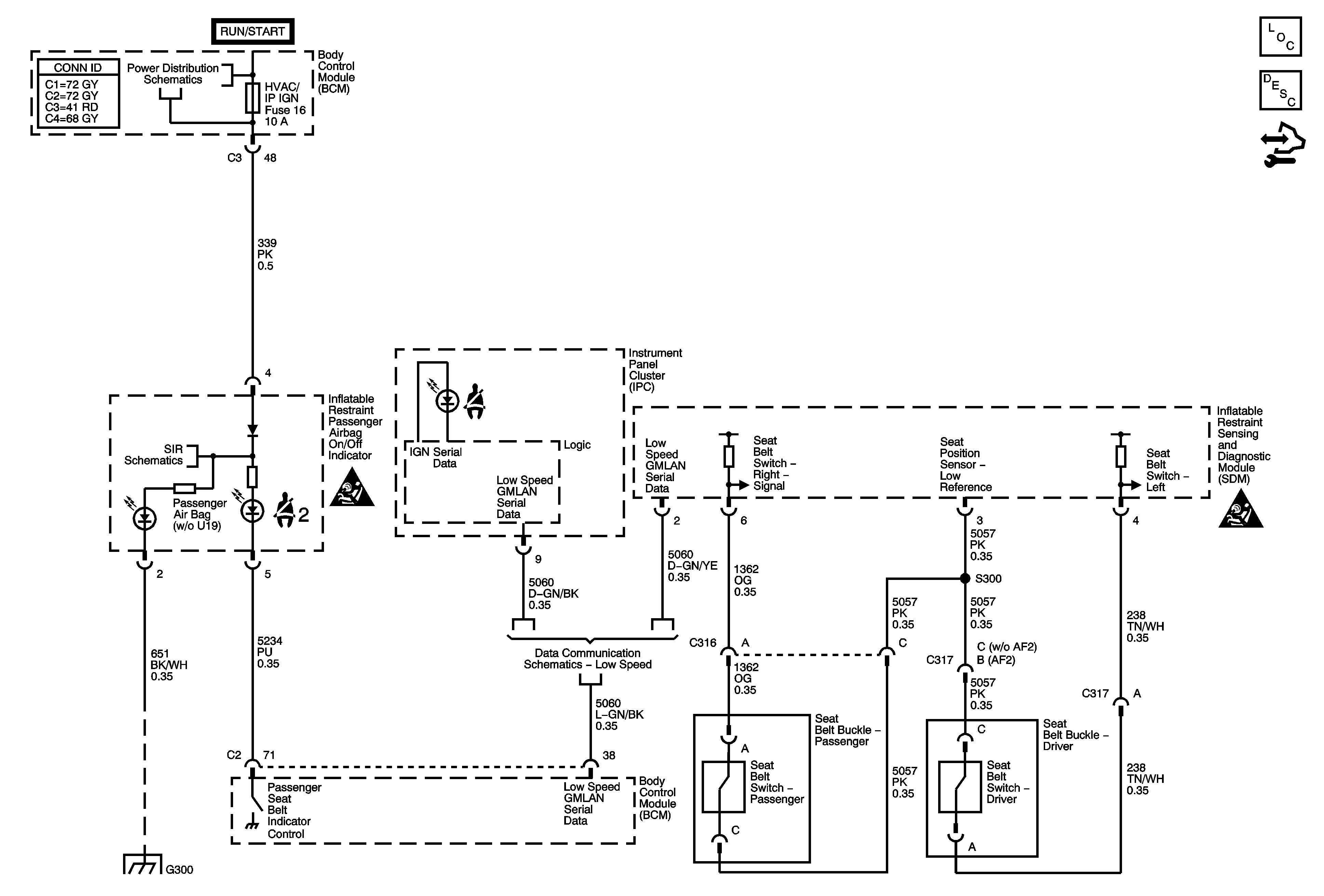
Seat Belt Schematics
Master Electrical Component List
Seat Belt System Description and Operation
Control Module References
Fuse Block-Underhood ABS, BCK/UP LAMP, CAN VENT, ECM/TRANS, I/P IGN, OUTLET Fuses, RUN/CRNK Relay, and BCM Fuses: AIRBAG, EPS/STR WHL CNTRL, HVAC/IP IGN, WPR
Passenger Presence System (PPS)
Low Speed LAN
G300 - 1 of 2