GM Service Manual Online
For 1990-2009 cars only
Makes
🢒
Saturn
🢒
2007
🢒
SKY
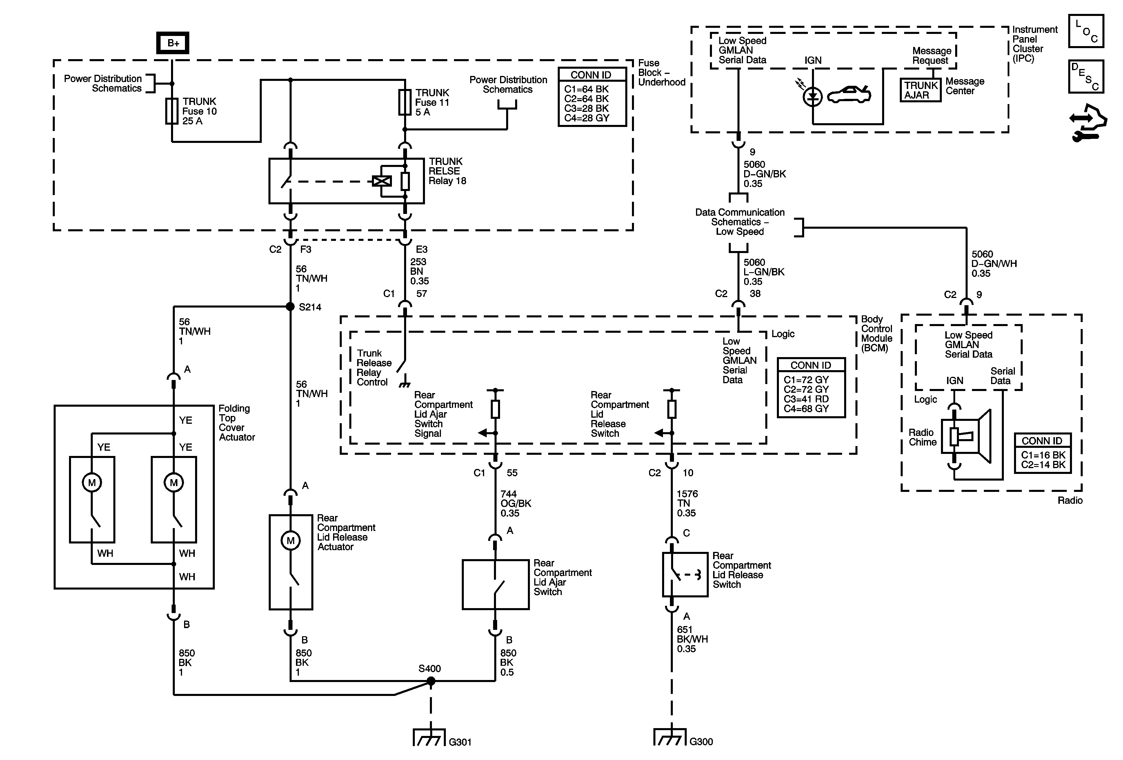
🢒 Folding Top and Rear Compartment Lid Release
Folding Top and Rear Compartment Lid Release
Folding Top and Rear Compartment Lid Release
Master Electrical Component List
Keyless Entry System Description and Operation
Control Module References
B+ Bus - 1 of 2
B+ Bus - 1 of 2
Low Speed LAN
G301, G302, G303, G400 and G402
G300 - 1 of 2