GM Service Manual Online
For 1990-2009 cars only
Makes
🢒
Saturn
🢒
2007
🢒
SKY
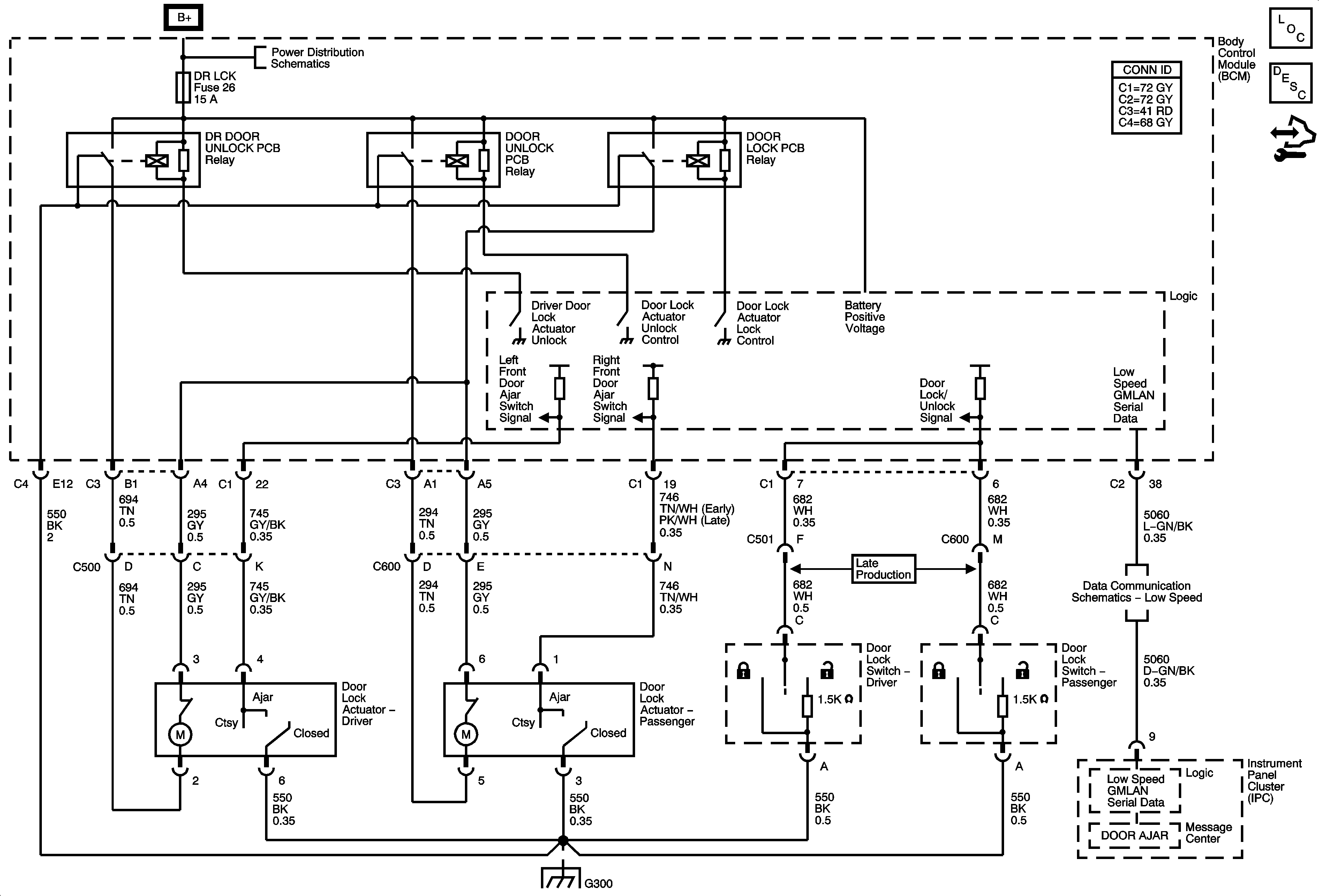
🢒 Door Lock Schematics
Door Lock Schematics