GM Service Manual Online
For 1990-2009 cars only

    Object Number: 1769548  Size: SH
  1. Remove the exhaust manifold heat shield bolts.
  2. Remove the exhaust manifold heat shield.

  3. Object Number: 1769555  Size: SH
  4. Remove the exhaust manifold nuts.
  5. Remove the exhaust manifold.
  6. Remove the exhaust manifold gasket.

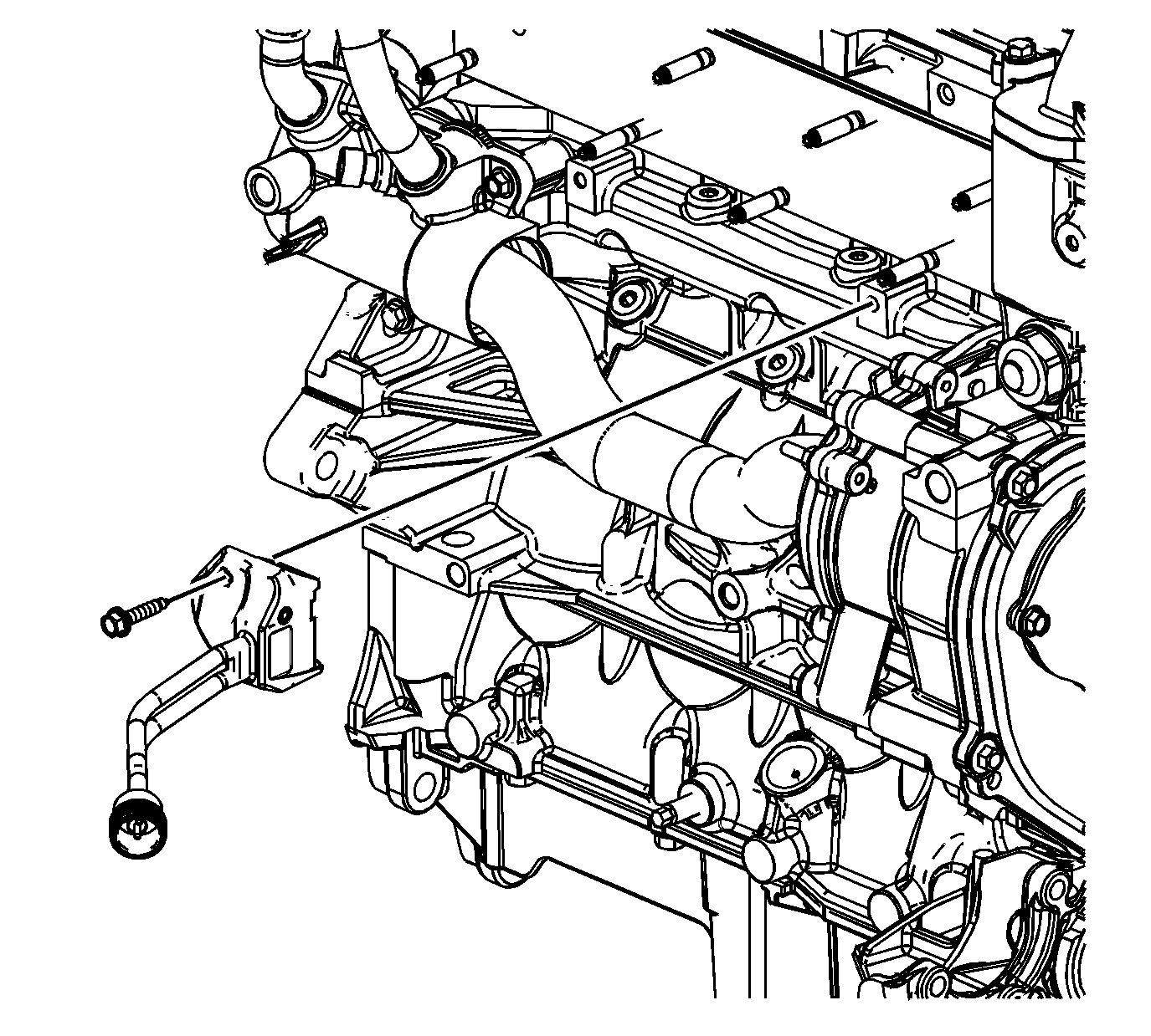
  7. Object Number: 1769551  Size: SH
  8. Remove the block heater bolt, if equipped.
  9. Remove the block heater, if equipped.