GM Service Manual Online
For 1990-2009 cars only
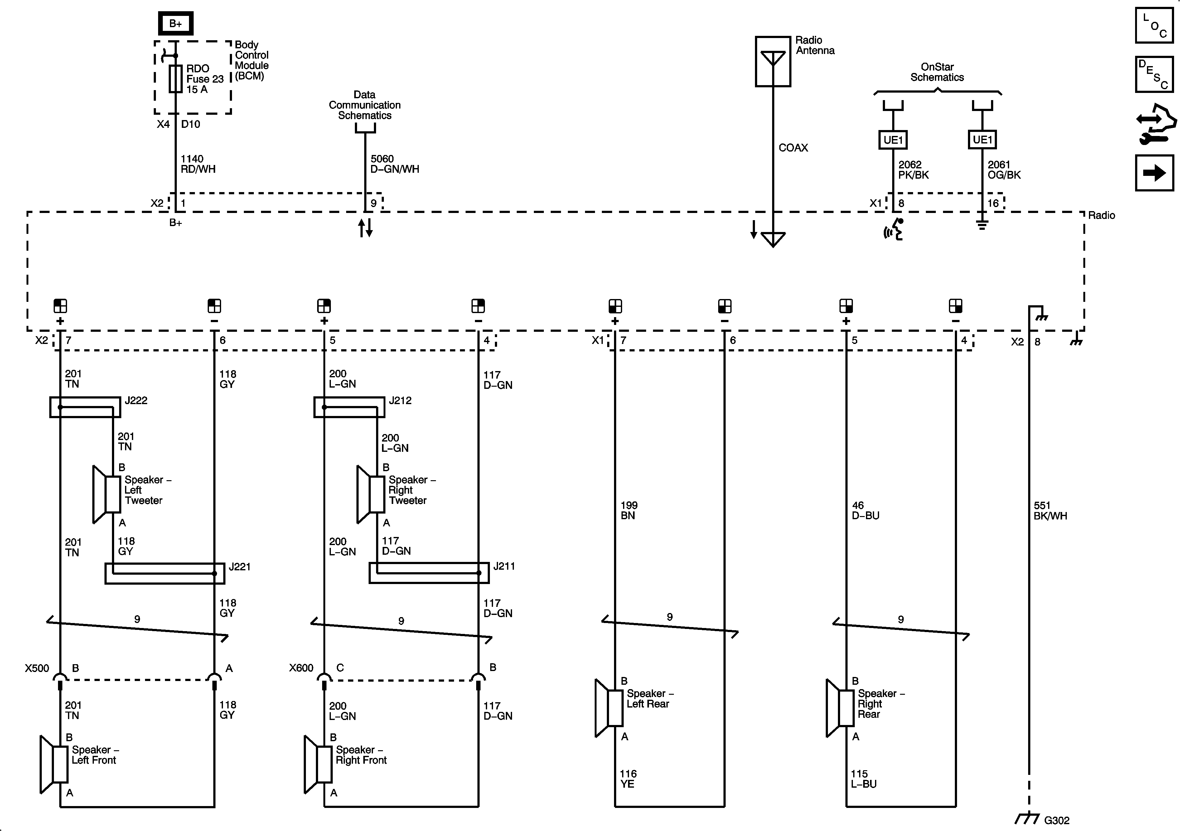
Figure 1:

Radio - UW5


Object Number: 1914160  Size: FS
Master Electrical Component List
Radio/Audio System Description and Operation
Control Module References
Radio Power, Ground and Communication - UQ3
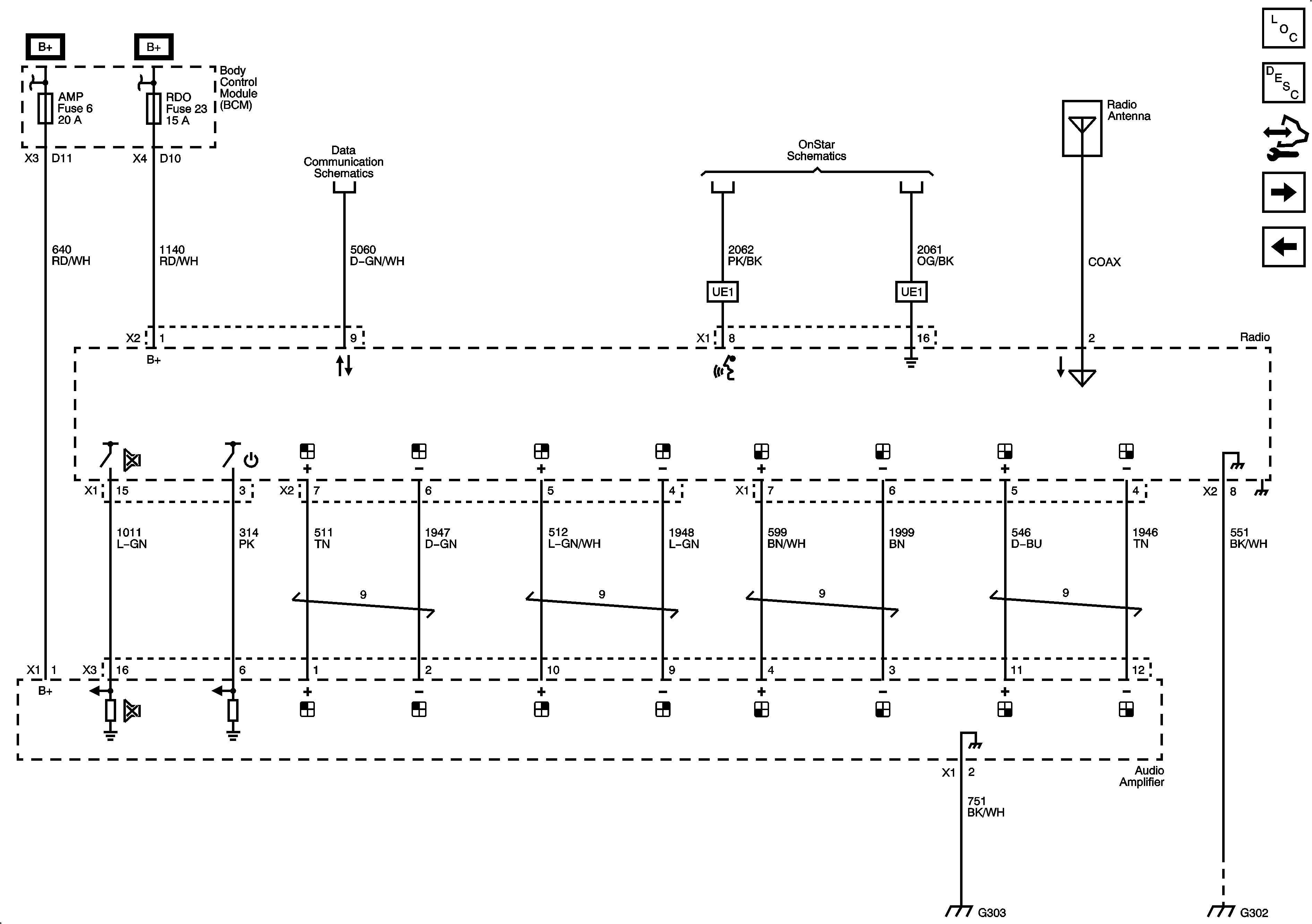
Figure 2:

Radio Power, Ground and Communication - UQ3


Object Number: 1914193  Size: FS
Master Electrical Component List
Radio/Audio System Description and Operation
Control Module References
Amplifier Power, Speakers - UQ3
Radio - UW5
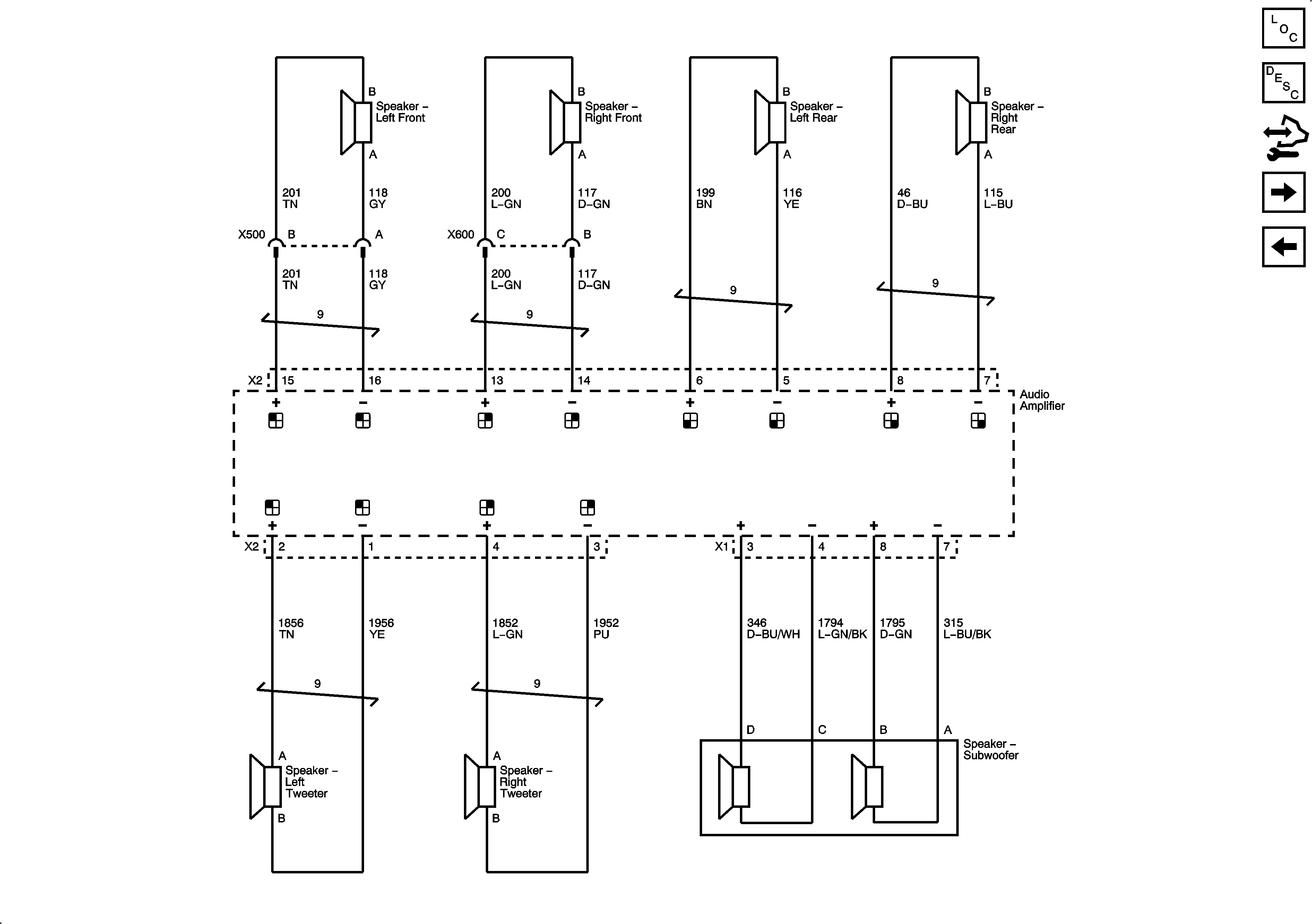
Figure 3:

Amplifier Power, Speakers - UQ3


Object Number: 1914197  Size: FS
Master Electrical Component List
Radio/Audio System Description and Operation
Control Module References
Digital Radio Receiver - U2K
Radio Power, Ground and Communication - UQ3
Figure 4:

Digital Radio Receiver - U2K


Object Number: 1914202  Size: FS
Master Electrical Component List
Radio/Audio System Description and Operation
Control Module References
Redundant Radio Controls
Amplifier Power, Speakers - UQ3
Figure 5:

Redundant Radio Controls


Object Number: 1914205  Size: FS
Master Electrical Component List
Radio/Audio System Description and Operation
Control Module References
Digital Radio Receiver - U2K