GM Service Manual Online
For 1990-2009 cars only
Makes
🢒
Saturn
🢒
2008
🢒
SKY
🢒
Diagnostic Navigation
🢒
Vehicle Diagnostic Information
🢒 Data Communication Schematics
Figure
1:
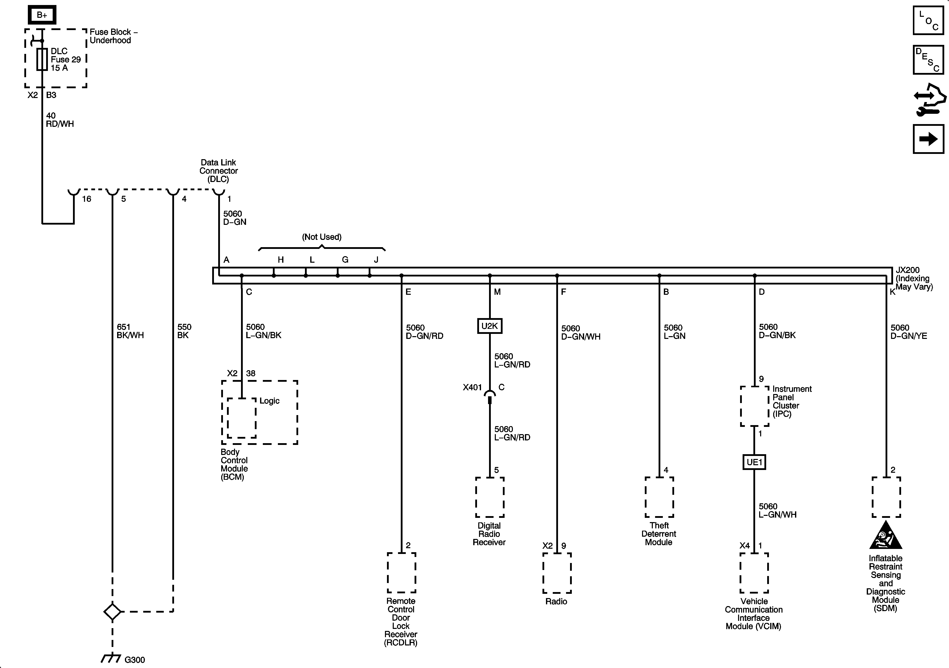
Low Speed LAN
Master Electrical Component List
Data Link Communications Description and Operation
Control Module References
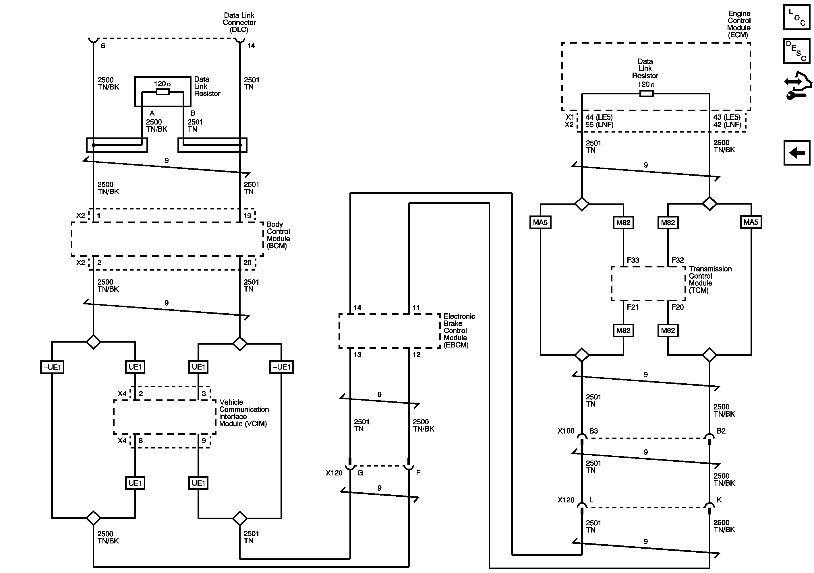
High Speed LAN
Figure
2:
High Speed LAN
Master Electrical Component List
Data Link Communications Description and Operation
Control Module References
Low Speed LAN