GM Service Manual Online
For 1990-2009 cars only
Makes
🢒
Saturn
🢒
2008
🢒
SKY
🢒
Diagnostic Navigation
🢒
Vehicle Diagnostic Information
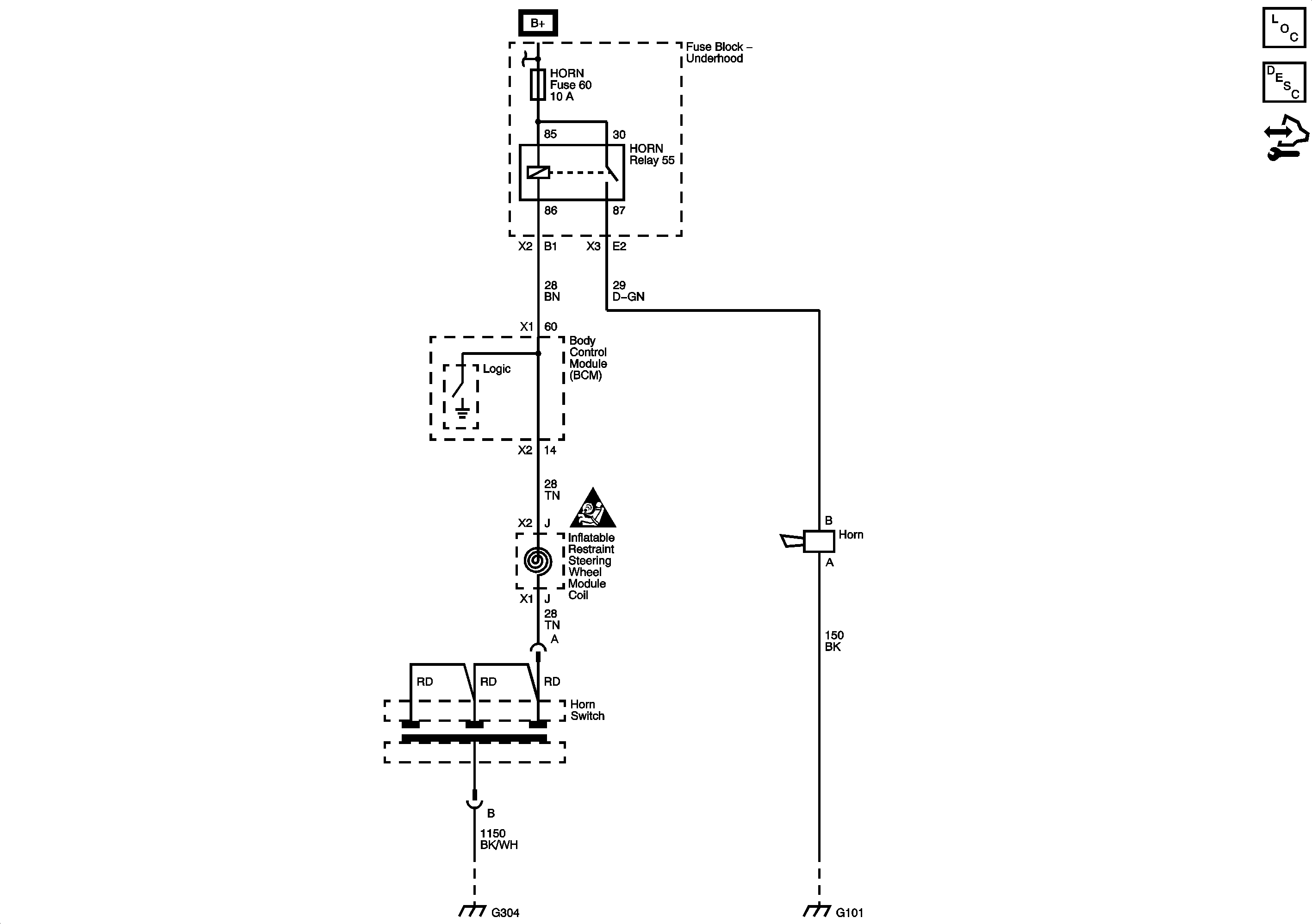
🢒 Horn Schematics
Master Electrical Component List
Horns System Description and Operation
Control Module References