GM Service Manual Online
For 1990-2009 cars only
Figure 1:

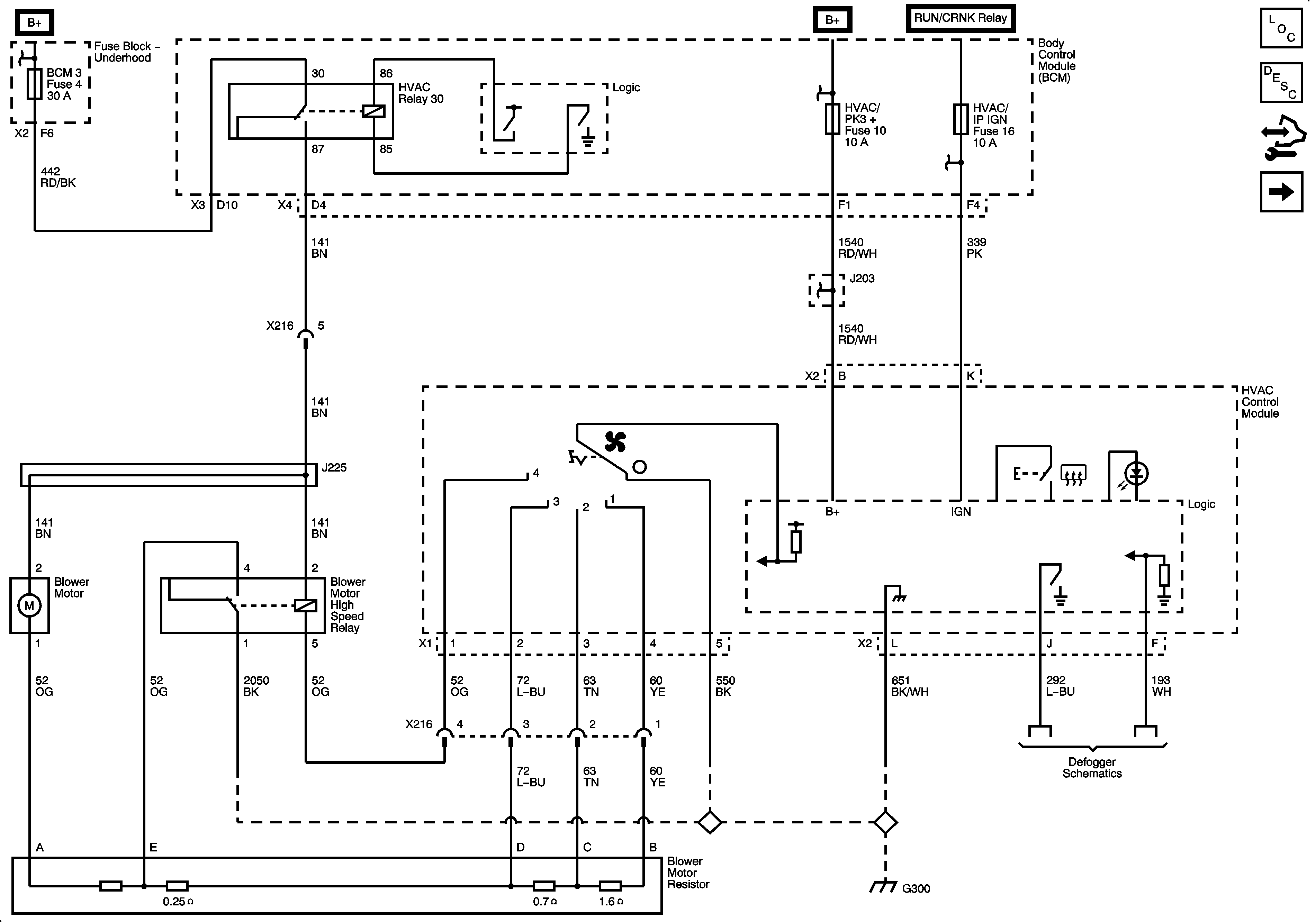
Ground, Power, and Blower Motor


Object Number: 1913849  Size: FS
Master Electrical Component List
Air Delivery Description and Operation
Control Module References
Mode and Air Temperature Controls
Figure 2:

Air Delivery and Temperature Controls


Object Number: 1913852  Size: FS
Master Electrical Component List
Air Temperature Description and Operation
Control Module References
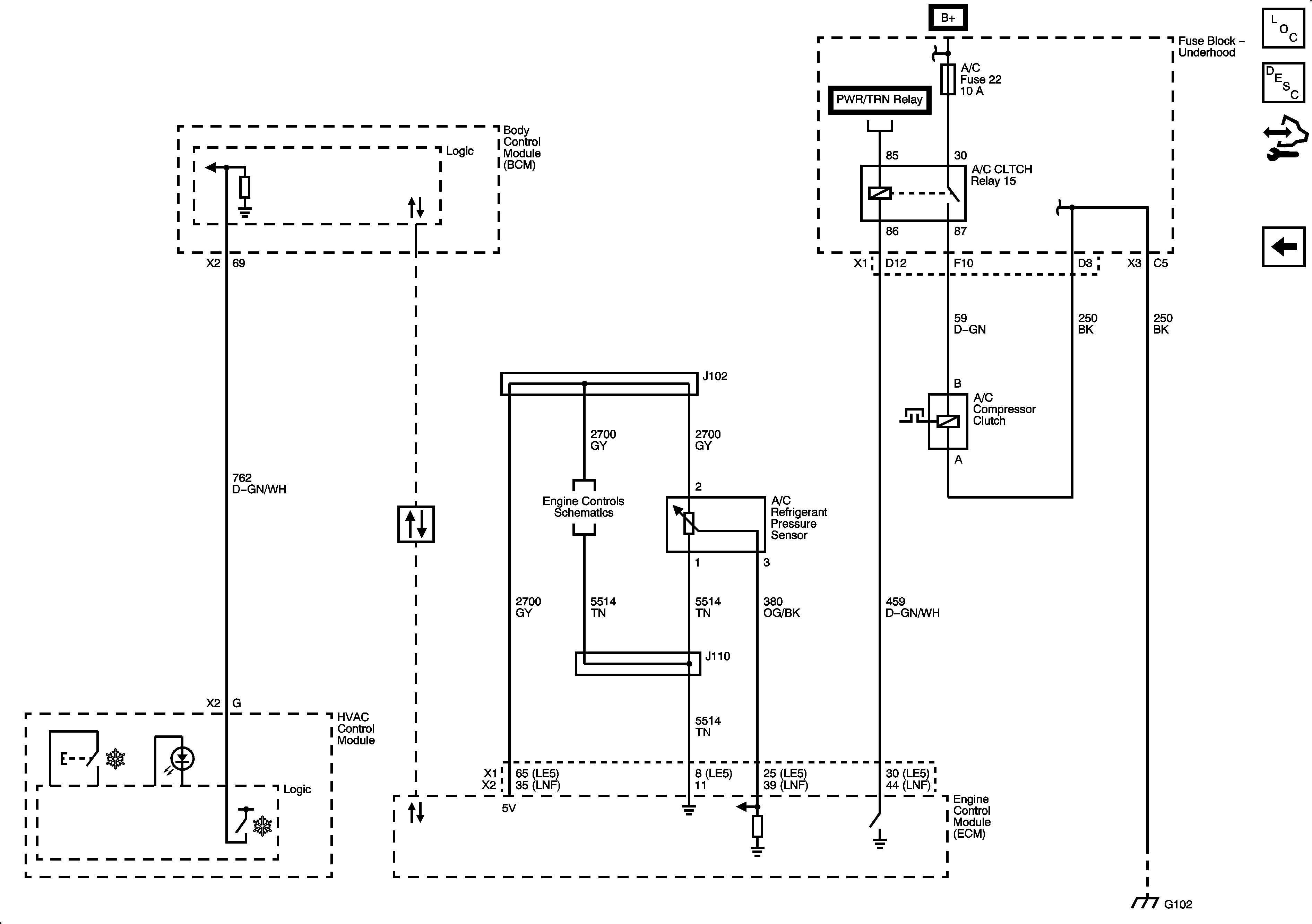
Compressor Controls
Power, Ground, and Blower Motor
Figure 3:

Compressor Controls


Object Number: 1913854  Size: FS
Master Electrical Component List
Air Temperature Description and Operation
Control Module References
Mode and Air Temperature Controls