GM Service Manual Online
For 1990-2009 cars only
Makes
🢒
Saturn
🢒
2008
🢒
SKY
🢒
Diagnostic Navigation
🢒
Vehicle Diagnostic Information
🢒 Antilock Brake System Schematics
Figure
1:
Power, Ground, Indicator, Traction Control Switch, and Brake Booster Vacuum Sensor (LNF)
Master Electrical Component List
ABS Description and Operation
Control Module References
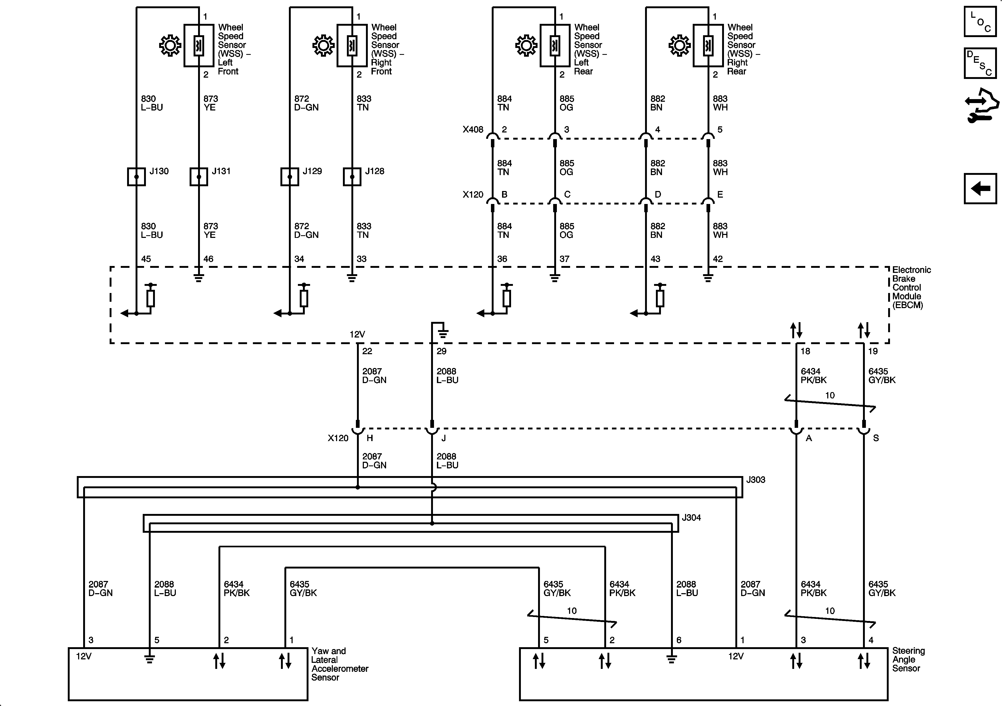
Wheel Speed Sensors and Stability Control Sensors (JL4)
Figure
2:
Wheel Speed Sensors and Stability Control Sensors (JL4)
Master Electrical Component List
ABS Description and Operation
Control Module References
Power, Ground, Indicator, Traction Control Switch, and Brake Booster Vacuum Sensor (LNF)