GM Service Manual Online
For 1990-2009 cars only
Makes
🢒
Saturn
🢒
2008
🢒
SKY
🢒
Brakes
🢒
Hydraulic Brakes
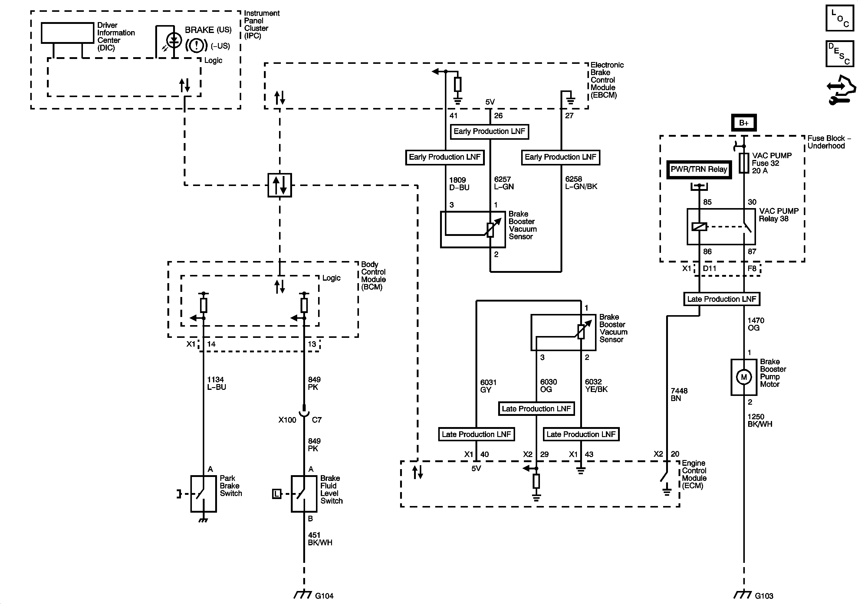
🢒 Hydraulic Brake Schematics
Master Electrical Component List
Brake Warning System Description and Operation
Control Module References