GM Service Manual Online
For 1990-2009 cars only
Makes
🢒
Saturn
🢒
2008
🢒
SKY
🢒
Transmission/Transaxle
🢒
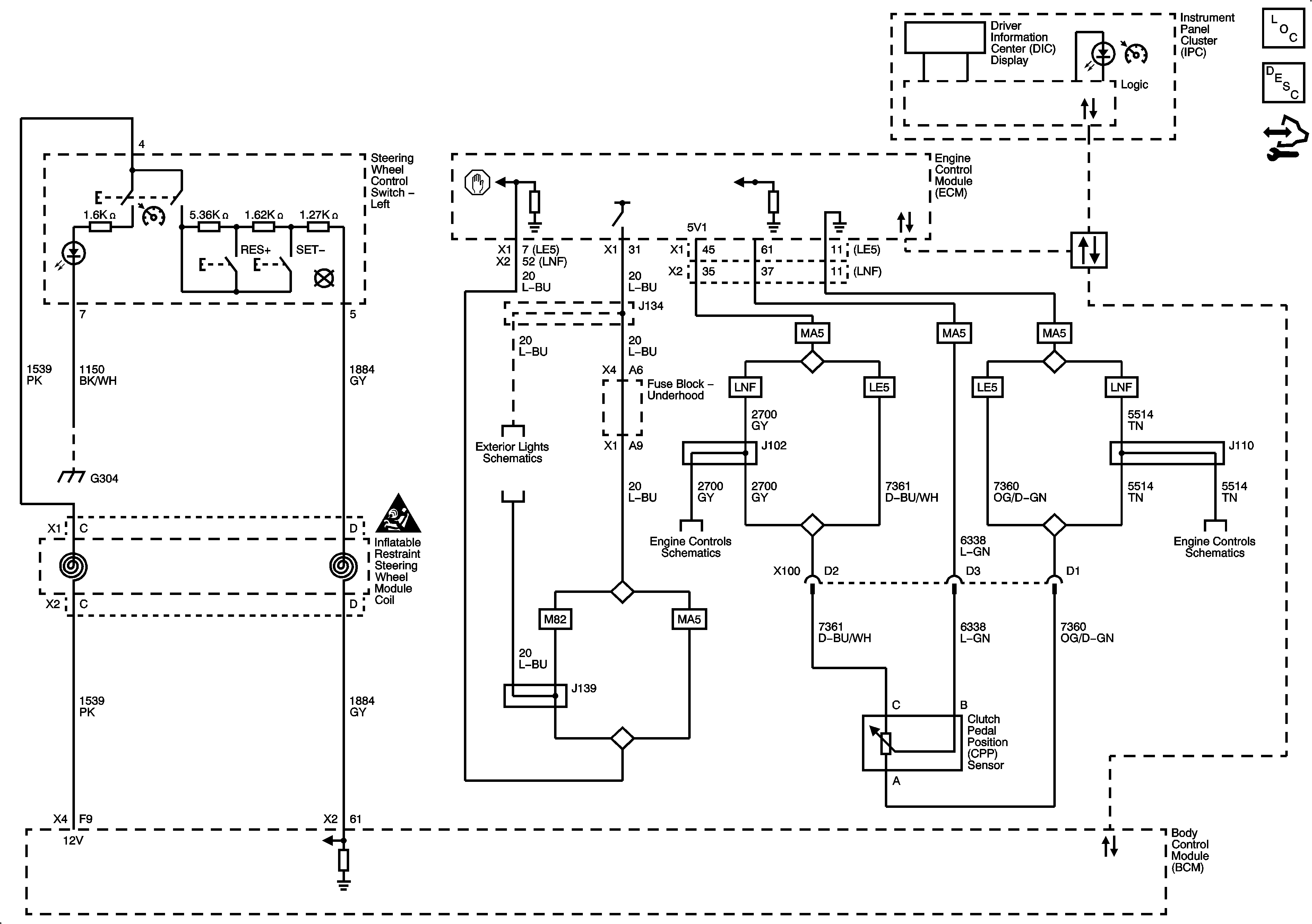
Manual Transmission - Aisin AR5
🢒 Manual Transmission Schematics
Master Electrical Component List
Transmission System Description and Operation (Solstice)
Control Module References