GM Service Manual Online
For 1990-2009 cars only

Removal Procedure

Caution: Refer to Approved Equipment for Collision Repair Caution in the Preface section.


    Object Number: 1616267  Size: SH
  1. Disable the SIR system. Refer to SIR Disabling and Enabling .
  2. Disconnect the negative battery cable. Refer to Battery Negative Cable Disconnection and Connection .
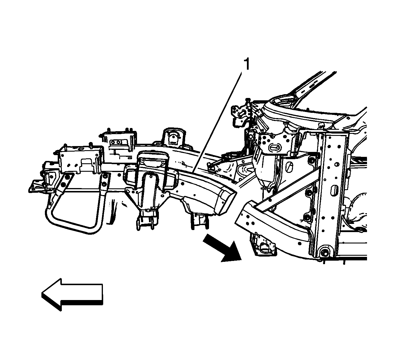
  3. Remove all related panels and components.
  4. Note the location and remove the sealers and anti-corrosion materials from the repair area. Refer to Anti-Corrosion Treatment and Repair .
  5. Repair as much of the damage as possible to the factory specifications.
  6. Caution: Refer to Collision Sectioning Caution in the Preface section.


    Object Number: 1855118  Size: SH

    Important: Save the cut-out piece of steel plate.

  7. Remove the shaded section (1) of the steel plate.

  8. Object Number: 1855119  Size: SH
  9. Determine the sectioning joint location within the recommended area (1).

  10. Object Number: 1855120  Size: SH
  11. Determine the sectioning joint location.
  12. Mark the top of the frame rail at the sectioning location.
  13. At the mark, align a sliding square or similar tool square to the surface of the vertical walls of the frame rail.
  14. Scribe a line to both sides of the frame rail.

  15. Object Number: 1855122  Size: SH
  16. Apply masking tape (1) to the scribe line. Apply the tape completely around the frame rail.

  17. Object Number: 1855123  Size: SH
  18. Use a reciprocating saw (1) or equivalent tool to cut the frame rail at the rear edge of the tape line.

  19. Object Number: 1855124  Size: SH
  20. Remove the damaged frame rail front section (1).

Installation Procedure


    Object Number: 1855476  Size: SH
  1. Determine the sectioning joint location (1) from the new frame rail assembly.
  2. Cut the new frame rail front section.

  3. Object Number: 748652  Size: SH
  4. Grind the existing frame rail sectioning location to a 45 degree angle.
  5. Clean and prepare all of the welded mating surfaces.
  6. Apply GM-approved weld-thru coating or equivalent to all mating surfaces. Refer to Anti-Corrosion Treatment and Repair .

  7. Object Number: 857910  Size: SH

    Important: Install the sleeve to the existing frame rail.

  8. Make a 50-mm (2-in) weld backer sleeve. Refer to Sleeved Butt Joint Repair .

  9. Object Number: 1855525  Size: SH
  10. Position the service frame section (1) to the existing frame.

  11. Object Number: 1855520  Size: SH
  12. Maintain a gap of 1 1/2 times the frame rail metal thickness at the sectioning joint (1). Clamp in place.
  13. Inspect the frame measurements 3-dimensional to ensure proper position in the service frame.

  14. Object Number: 1855536  Size: SH

    Important: Use a 25-mm (1-in) stitch weld for minimal heat distortion.

  15. Using a metal-inert gas (MIG) welder, weld completely around the sleeve joint.

  16. Object Number: 1855538  Size: SH
  17. Using a MIG welder, weld the saved cut-out steel plate to the frame rail.
  18. Apply the sealers and anti-corrosion materials to the repair area. Refer to Anti-Corrosion Treatment and Repair .
  19. Paint the repair area. Refer to Basecoat/Clearcoat Paint Systems .
  20. Install all related panels and components.
  21. Connect the negative battery cable. Refer to Battery Negative Cable Disconnection and Connection .
  22. Enable the SIR system. Refer to SIR Disabling and Enabling .