GM Service Manual Online
For 1990-2009 cars only
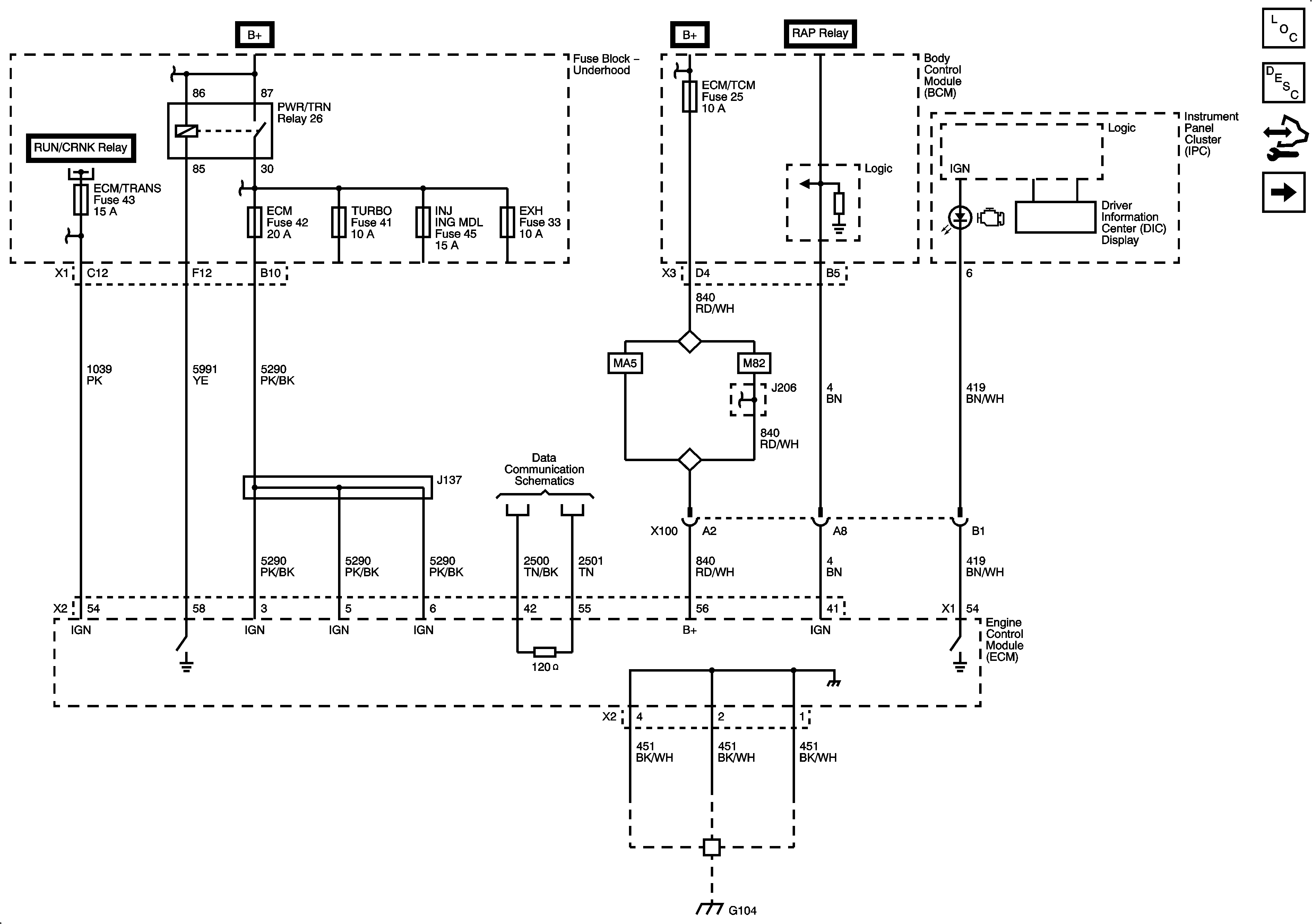
Figure 1:

Power, Ground, Data Link, and MIL


Object Number: 2049464  Size: FS
Figure 2:

5-Volt and Low Reference


Object Number: 2049466  Size: FS
Figure 3:

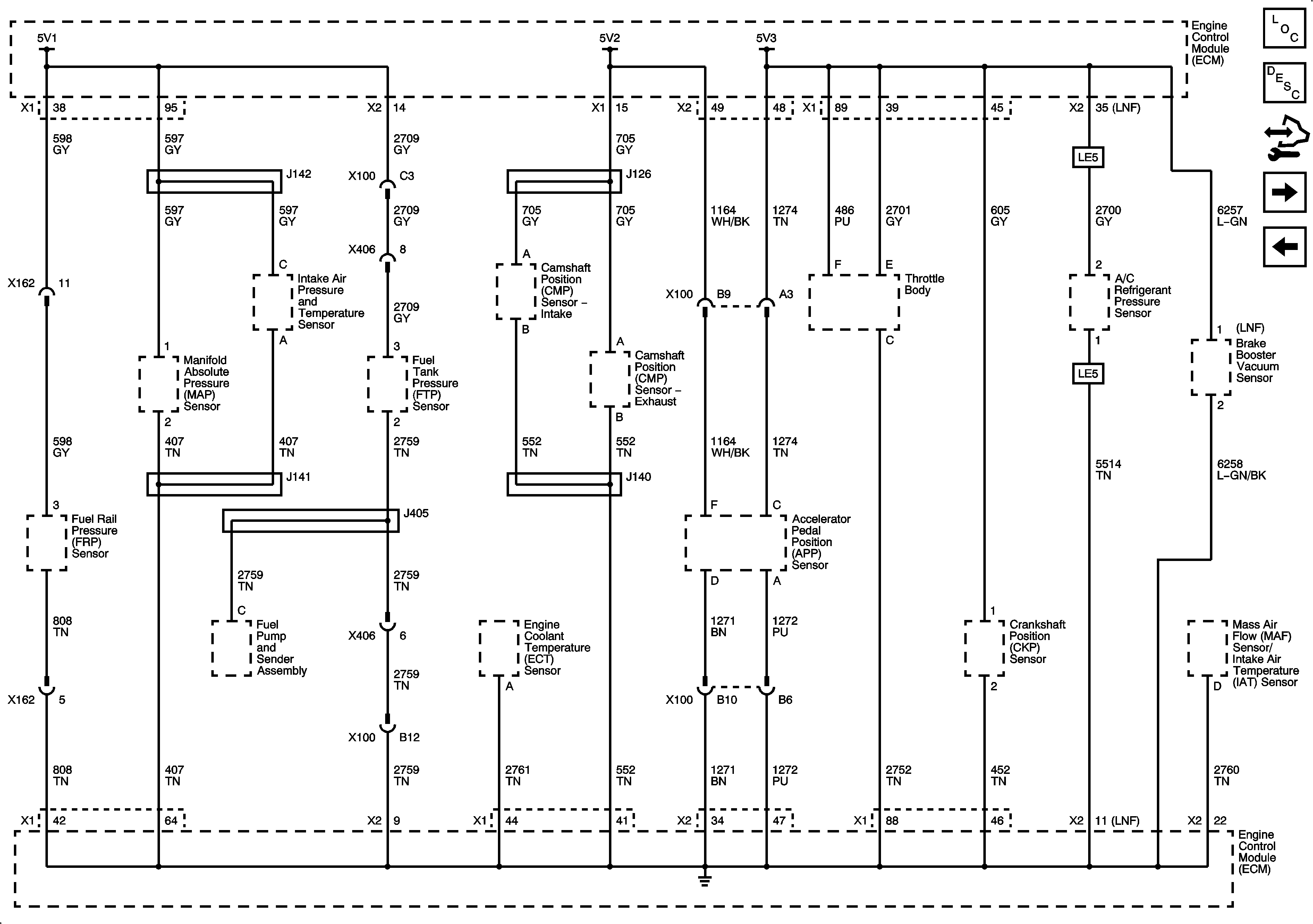
Engine Data Sensors - Pressure and Temperature


Object Number: 2049468  Size: FS
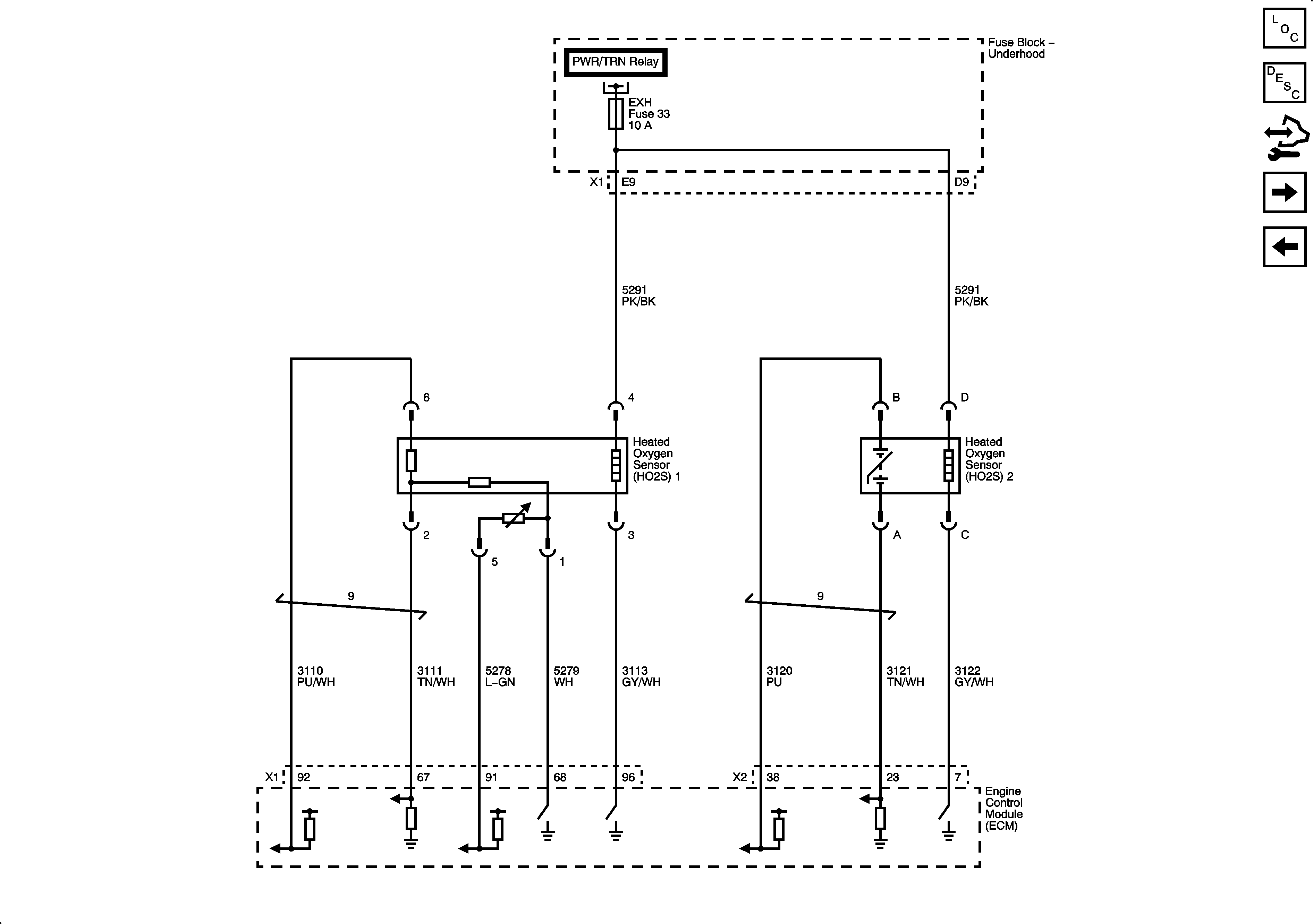
Figure 4:

Engine Data Sensors - Oxygen Sensors


Object Number: 2049470  Size: FS
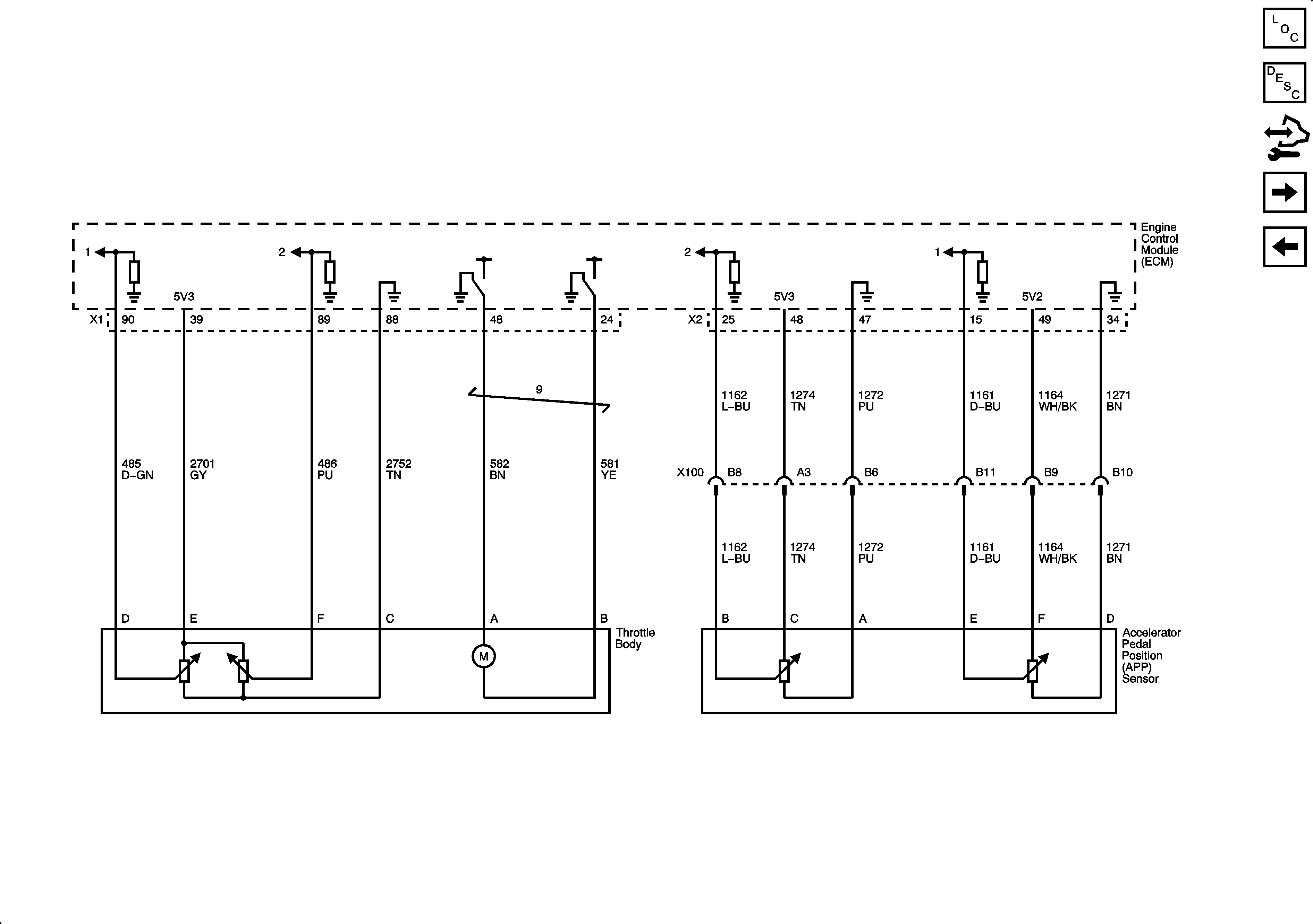
Figure 5:

Engine Data Sensors - Electronic Throttle Controls


Object Number: 2049472  Size: FS
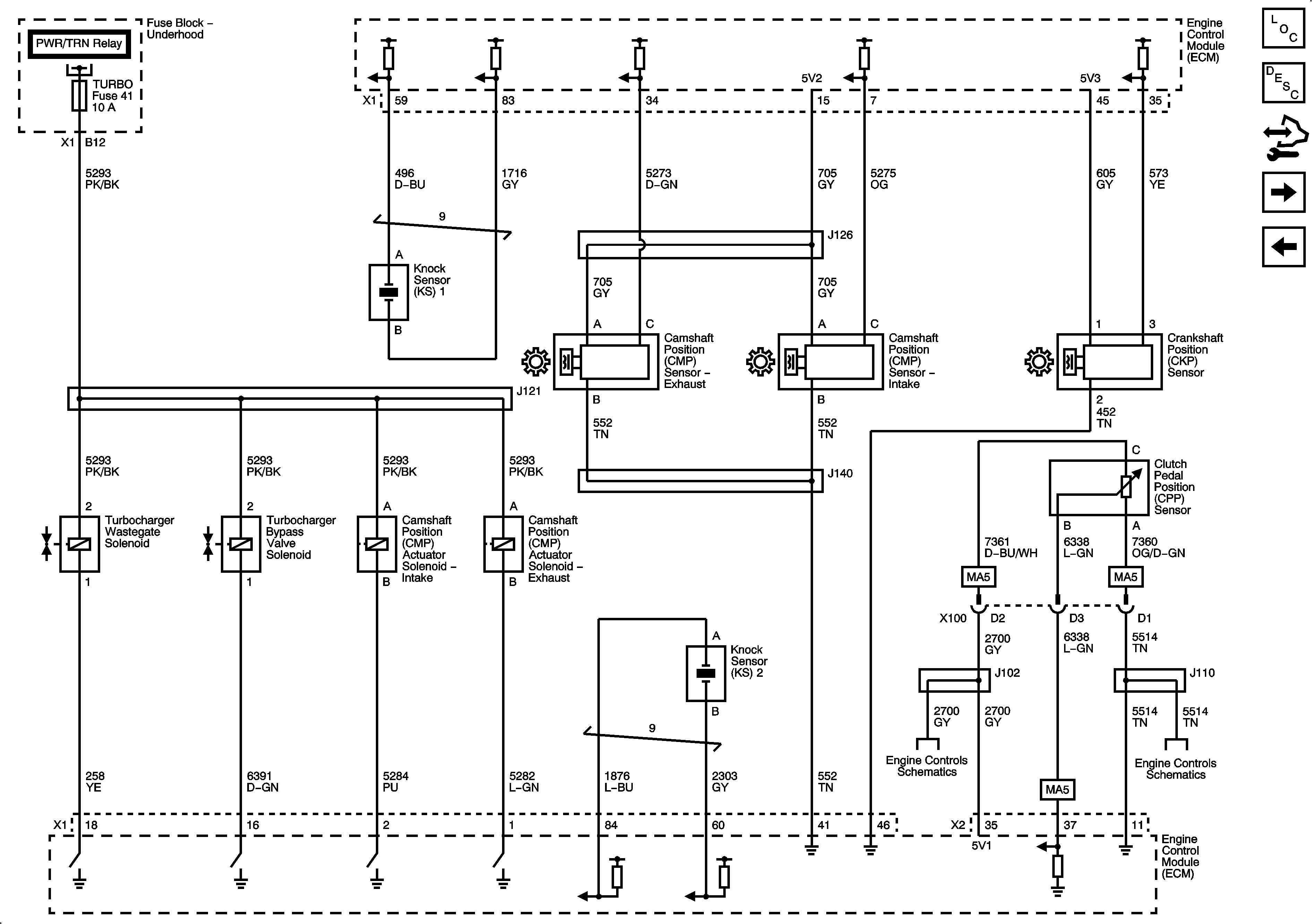
Figure 6:

Ignition Controls - Sensors


Object Number: 2049474  Size: FS
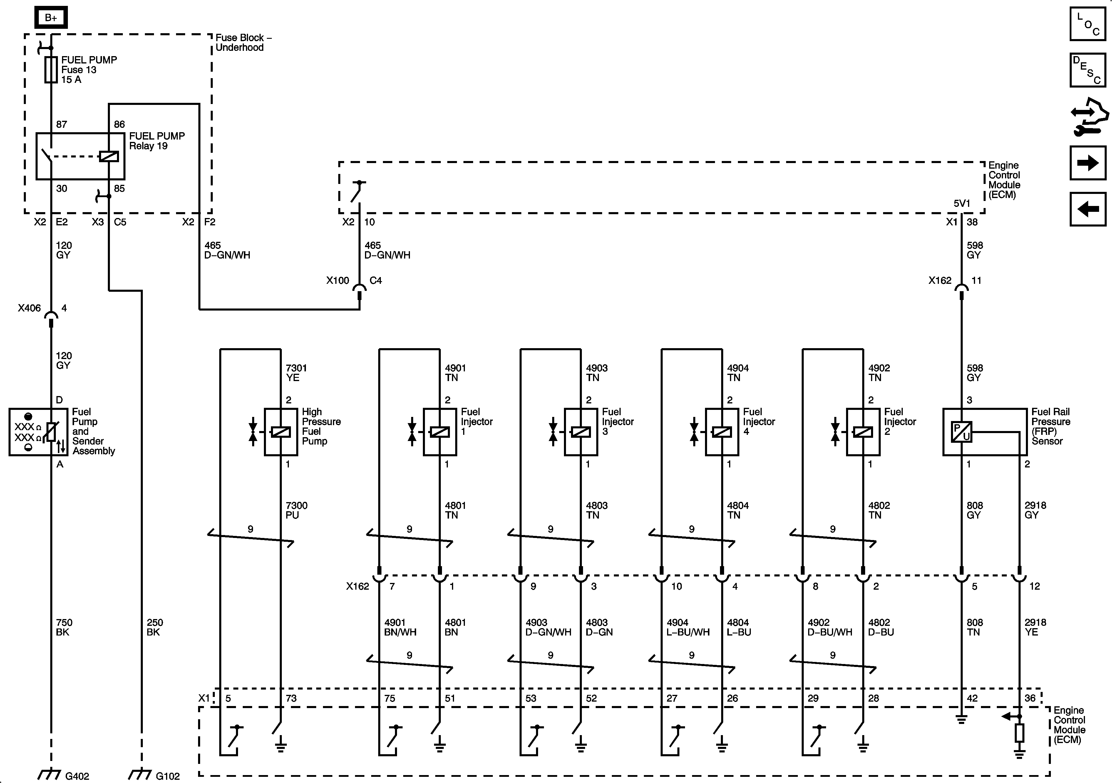
Figure 7:

Fuel Controls - Fuel Pump Controls and Fuel Injectors


Object Number: 2049476  Size: FS
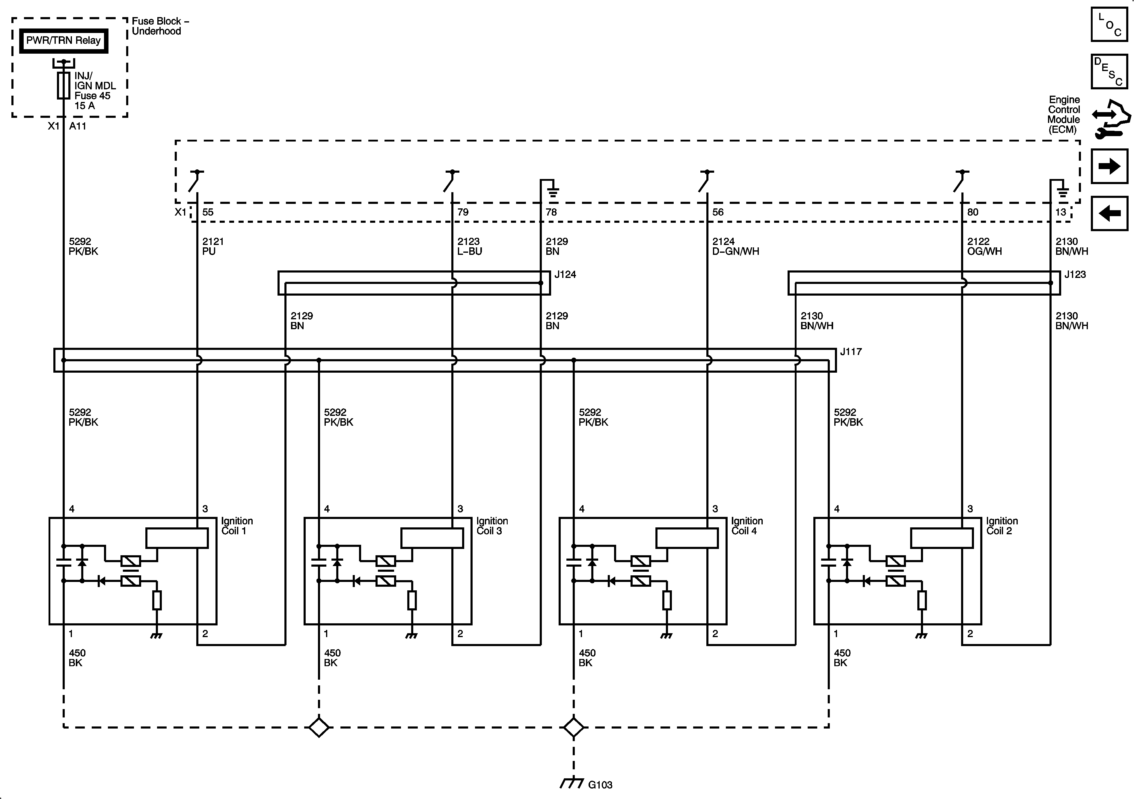
Figure 8:

Ignition Controls - Ignition System


Object Number: 2049478  Size: FS
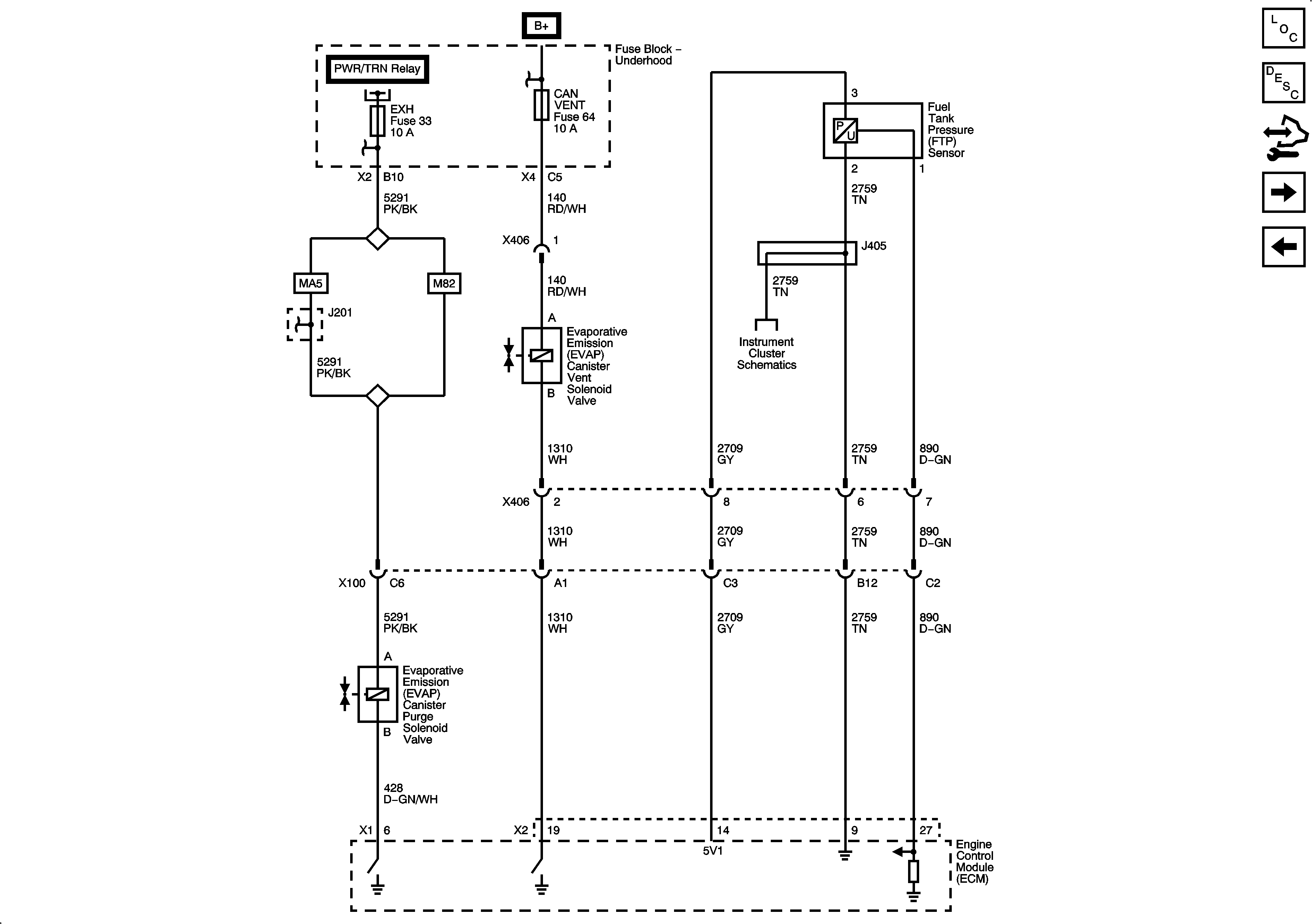
Figure 9:

Fuel Controls - EVAP Controls


Object Number: 2049480  Size: FS
Figure 10:

Controlled/Monitored Subsystem References


Object Number: 2049482  Size: FS