GM Service Manual Online
For 1990-2009 cars only
Makes
🢒
Saturn
🢒
2009
🢒
SKY
🢒
Diagnostic Navigation
🢒
Vehicle Diagnostic Information
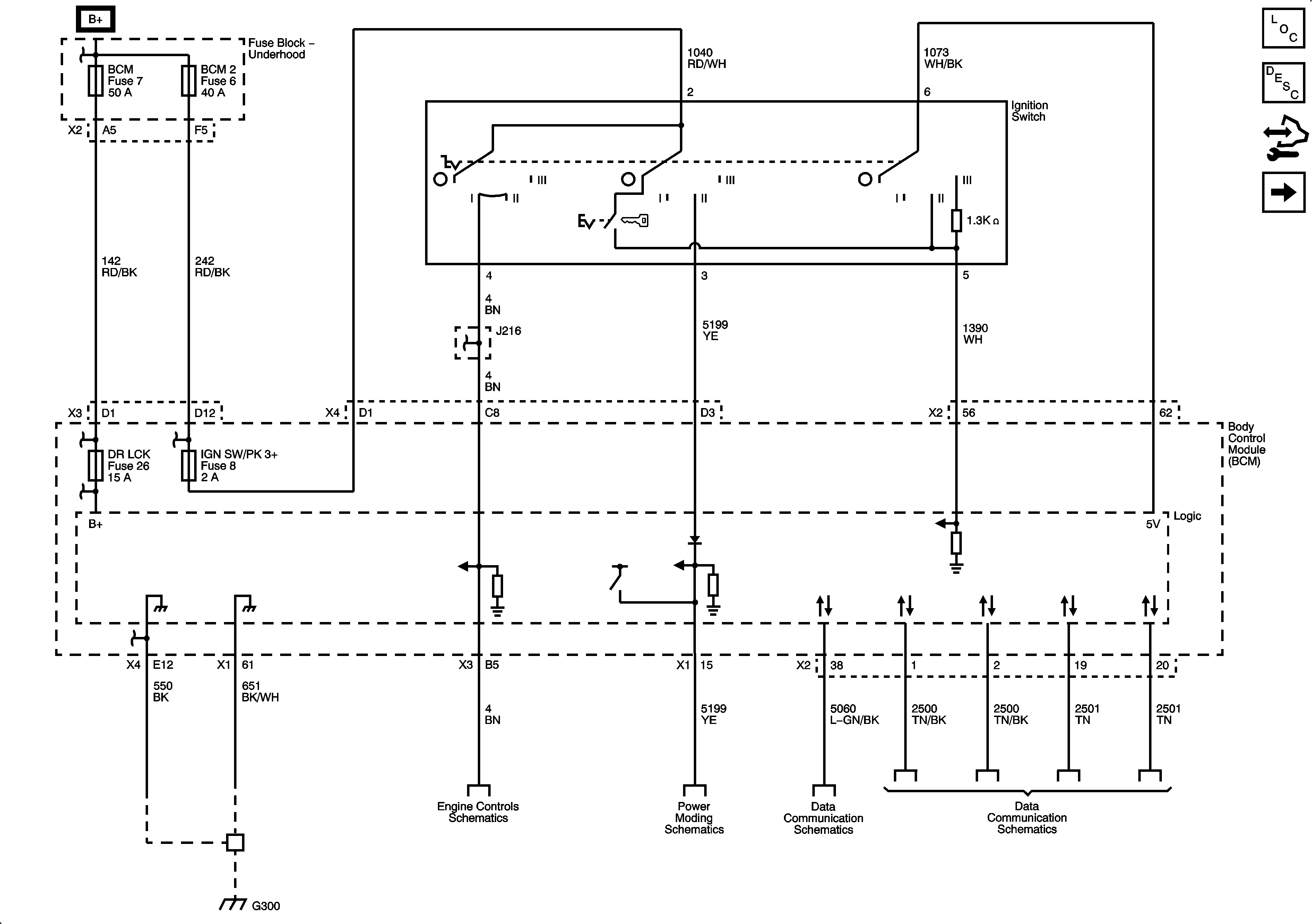
🢒 Body Control System Schematics
Figure
1:
Power, Ground, and Data Link
Figure
2:
Defogger, Wiper/Washer, Immobilizer, Horn, Release Systems, Seat Belt, HVAC, Cruise, Brakes, Cooling System, and Door Lock/Indicator References
Figure
3:
Lights