GM Service Manual Online
For 1990-2009 cars only
Makes
🢒
Saturn
🢒
2009
🢒
SKY
🢒
Diagnostic Navigation
🢒
Vehicle Diagnostic Information
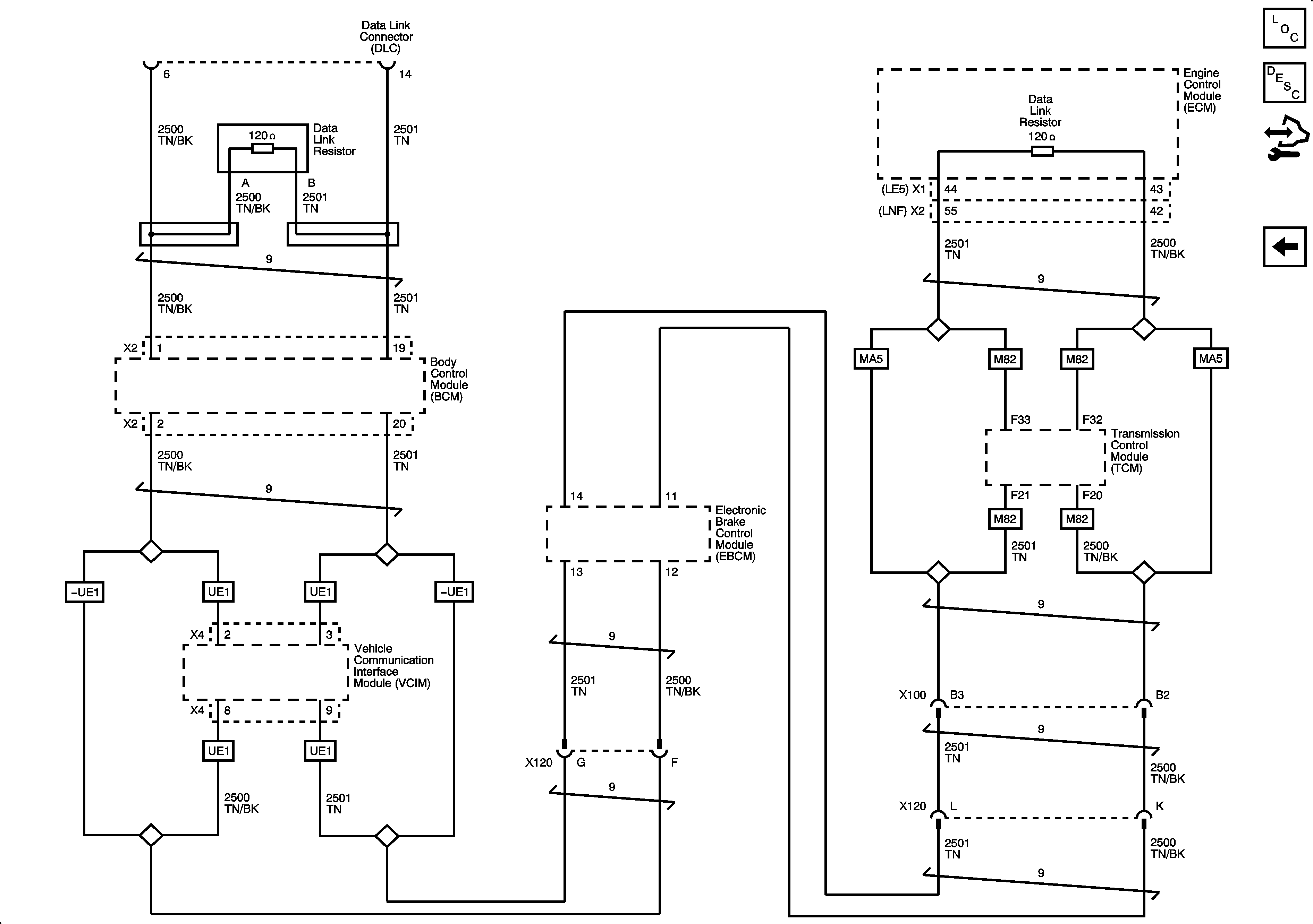
🢒 Data Communication Schematics
Figure
1:
Low Speed LAN
Figure
2:
High Speed LAN