GM Service Manual Online
For 1990-2009 cars only
Makes
🢒
Saturn
🢒
2009
🢒
SKY
🢒
Diagnostic Navigation
🢒
Vehicle Diagnostic Information
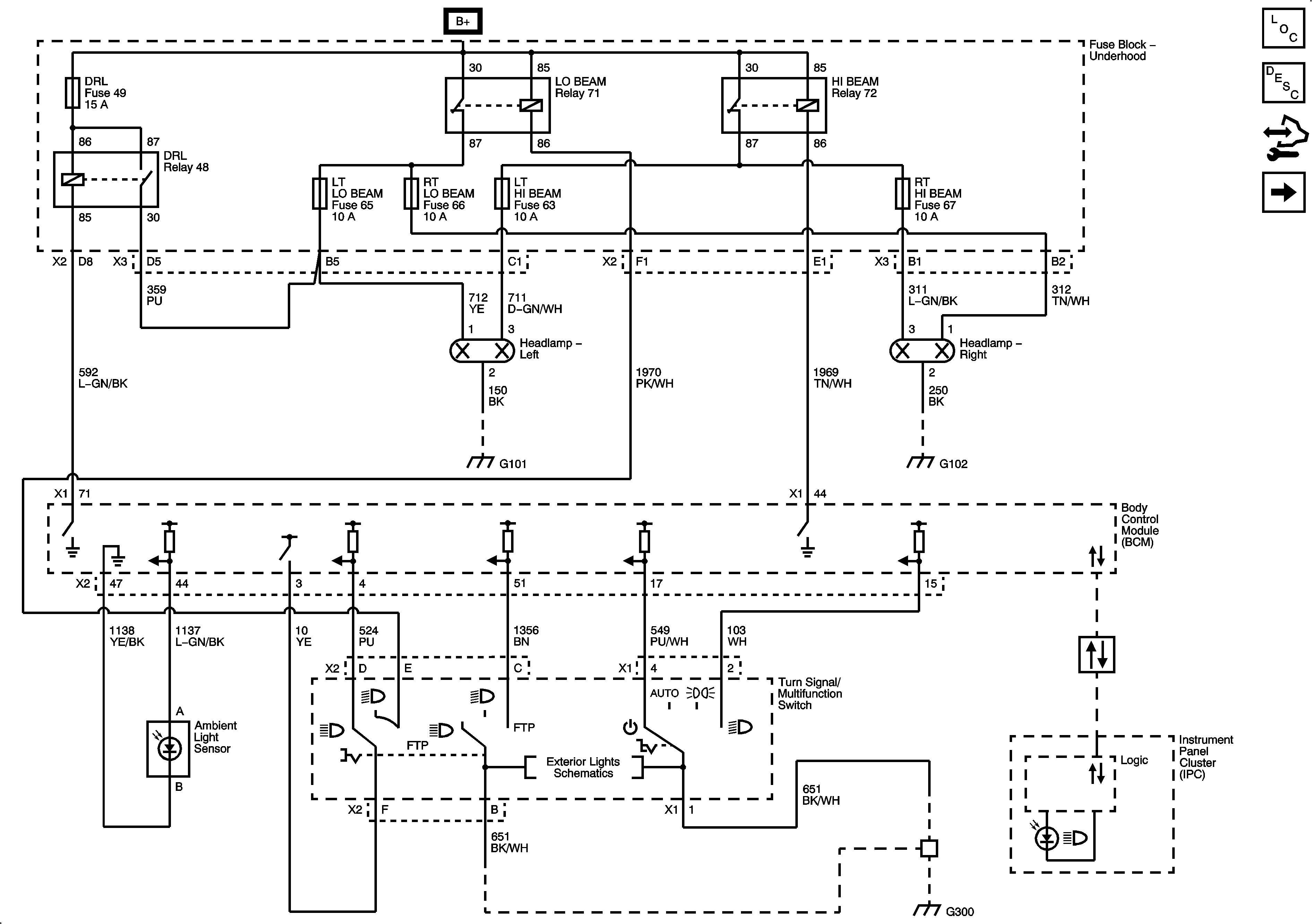
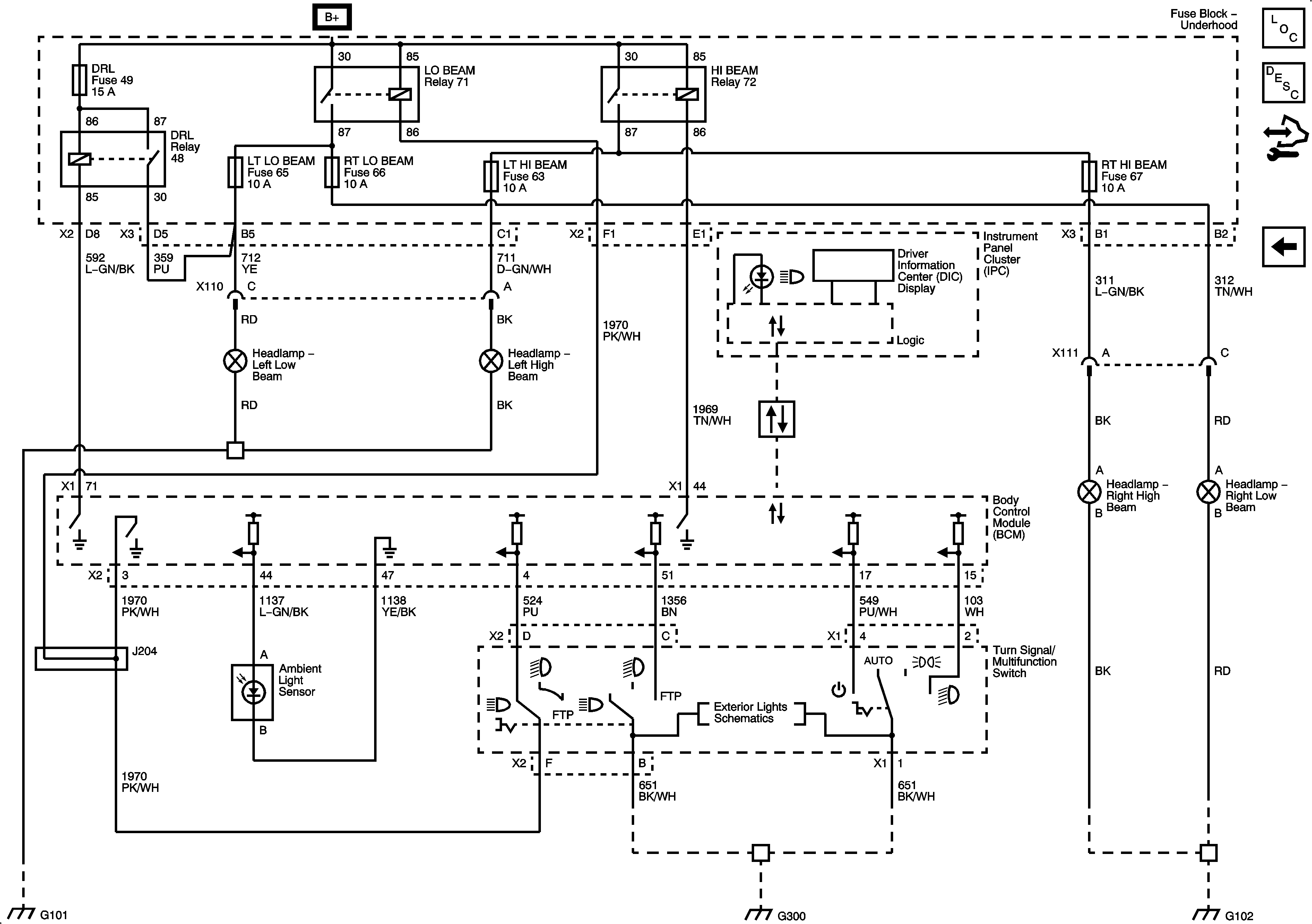
🢒 Headlights/Daytime Running Lights (DRL) Schematics
Figure
1:
Headlights (Solstice)
Figure
2:
Headlights (SKY)