GM Service Manual Online
For 1990-2009 cars only
Figure 1:

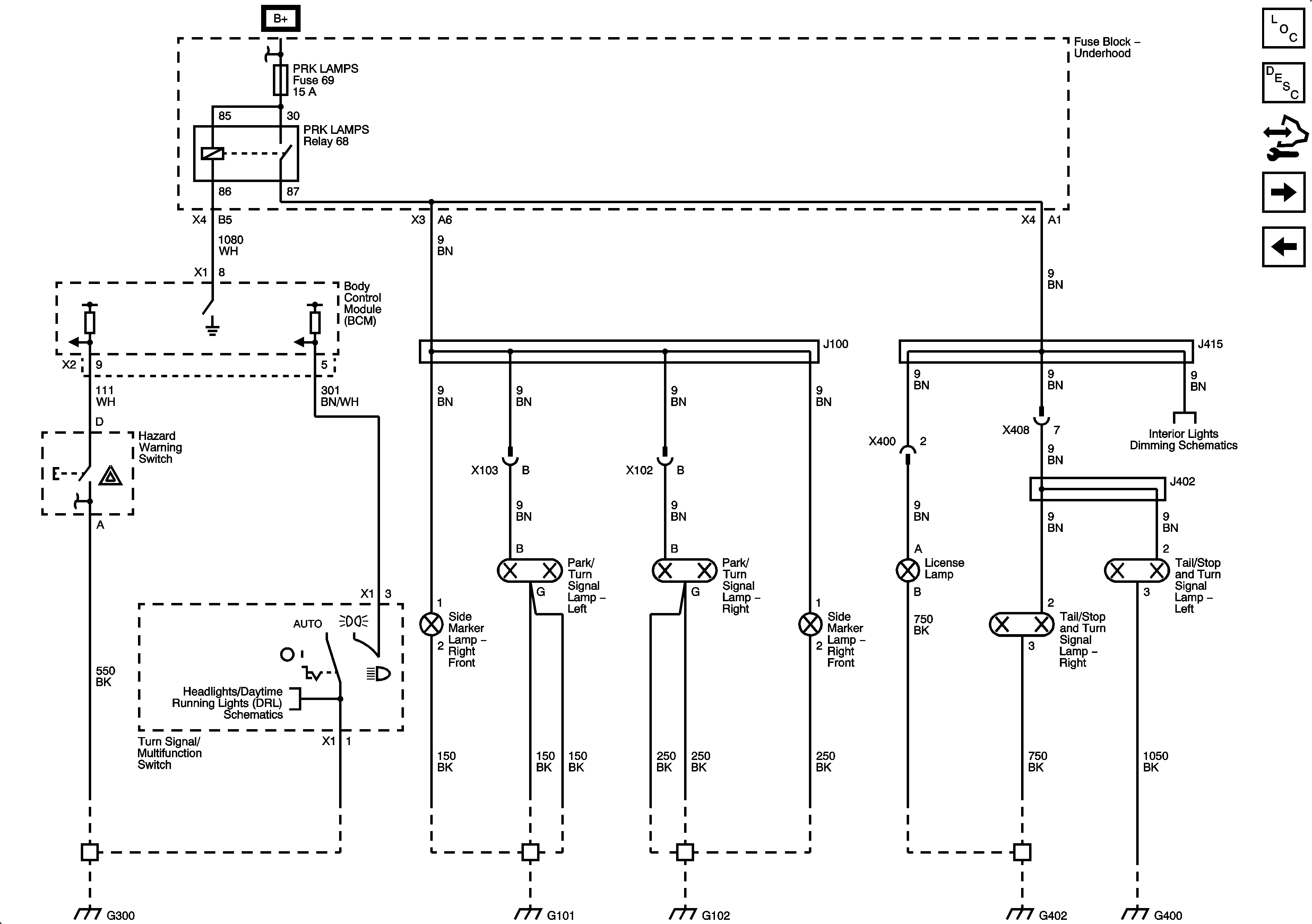
Hazards and Park Lamps (SKY)


Object Number: 2049536  Size: FS
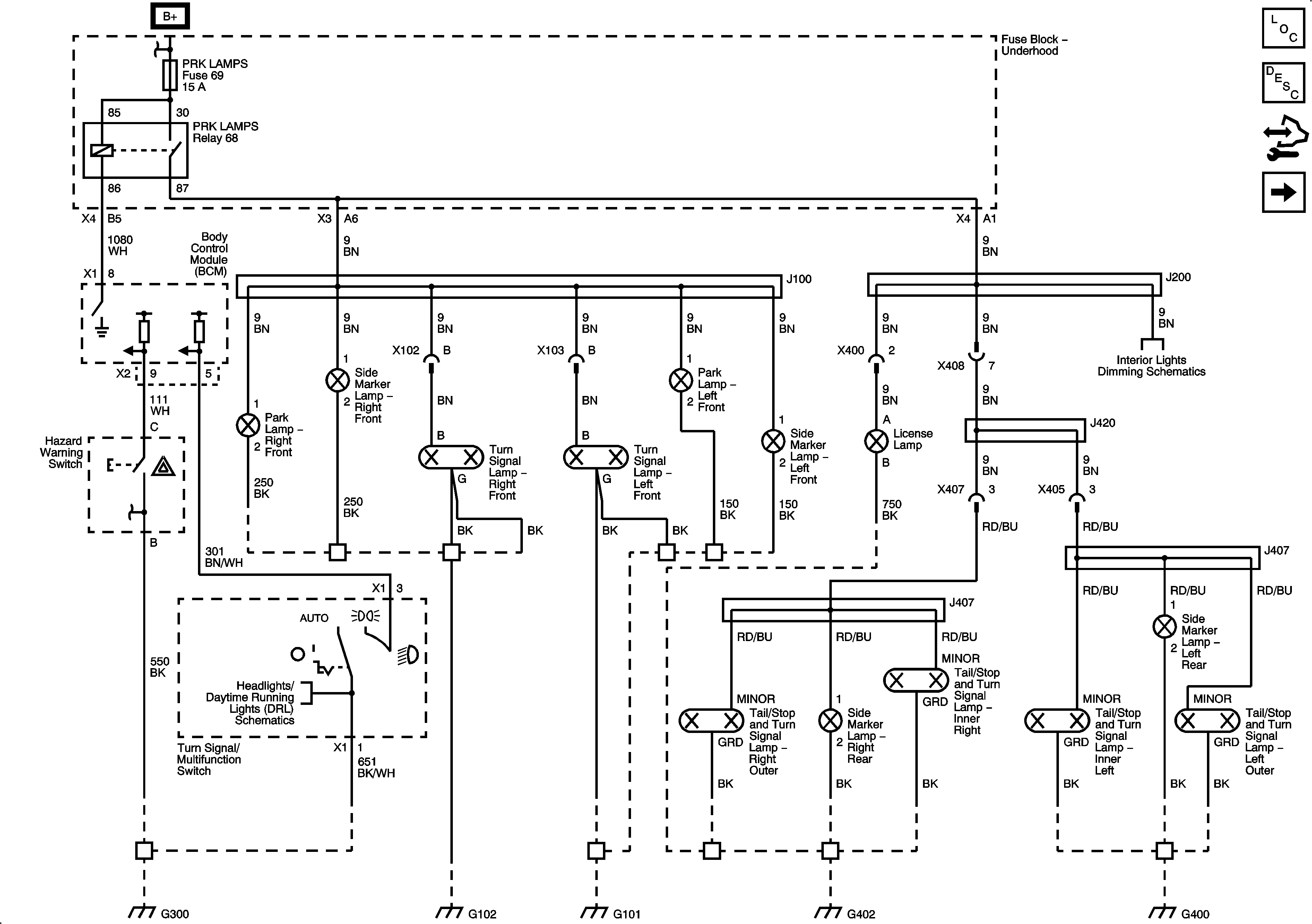
Figure 2:

Hazard and Park Lamps (Solstice)


Object Number: 2049538  Size: FS
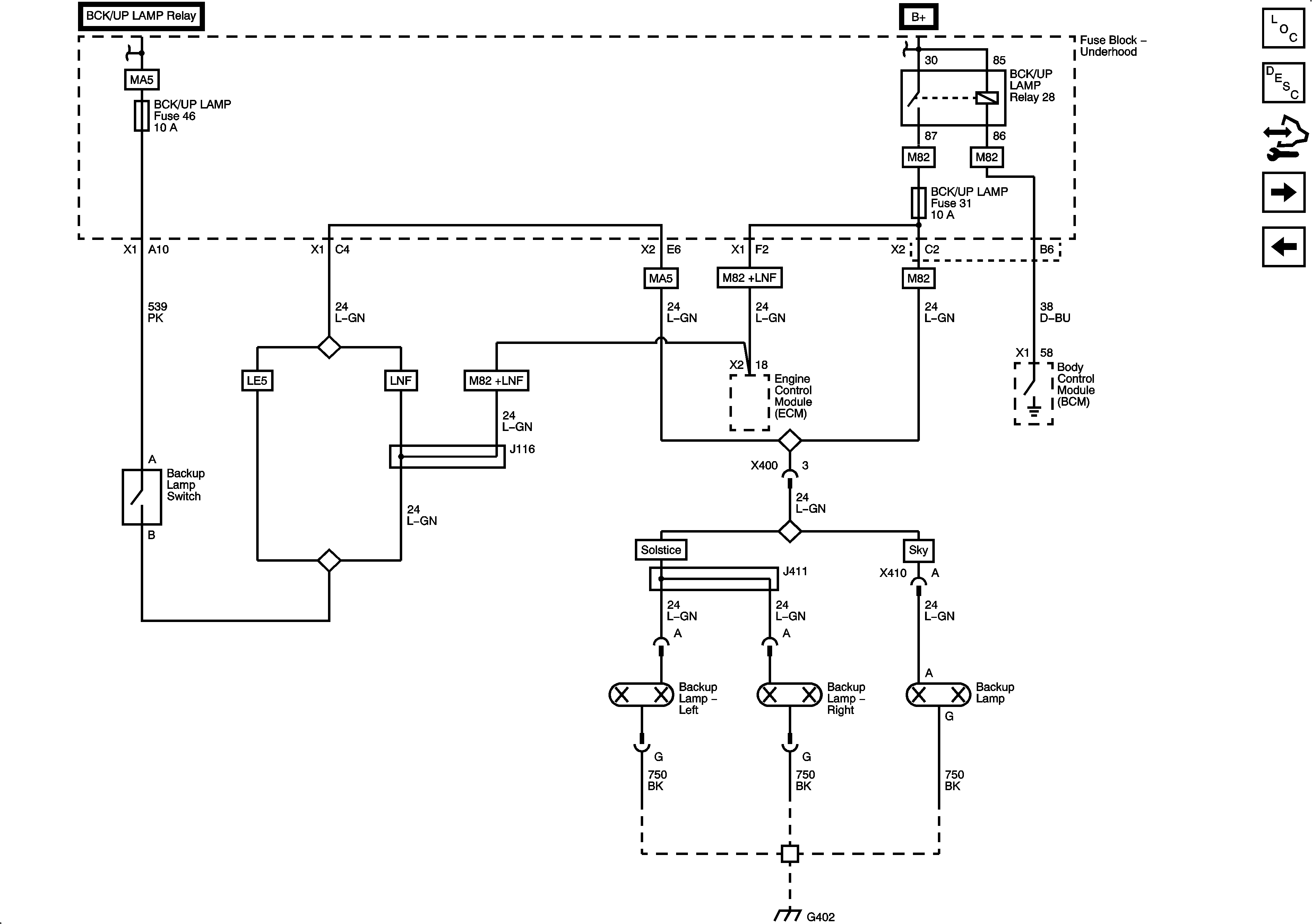
Figure 3:

Backup Lamps


Object Number: 2049540  Size: FS
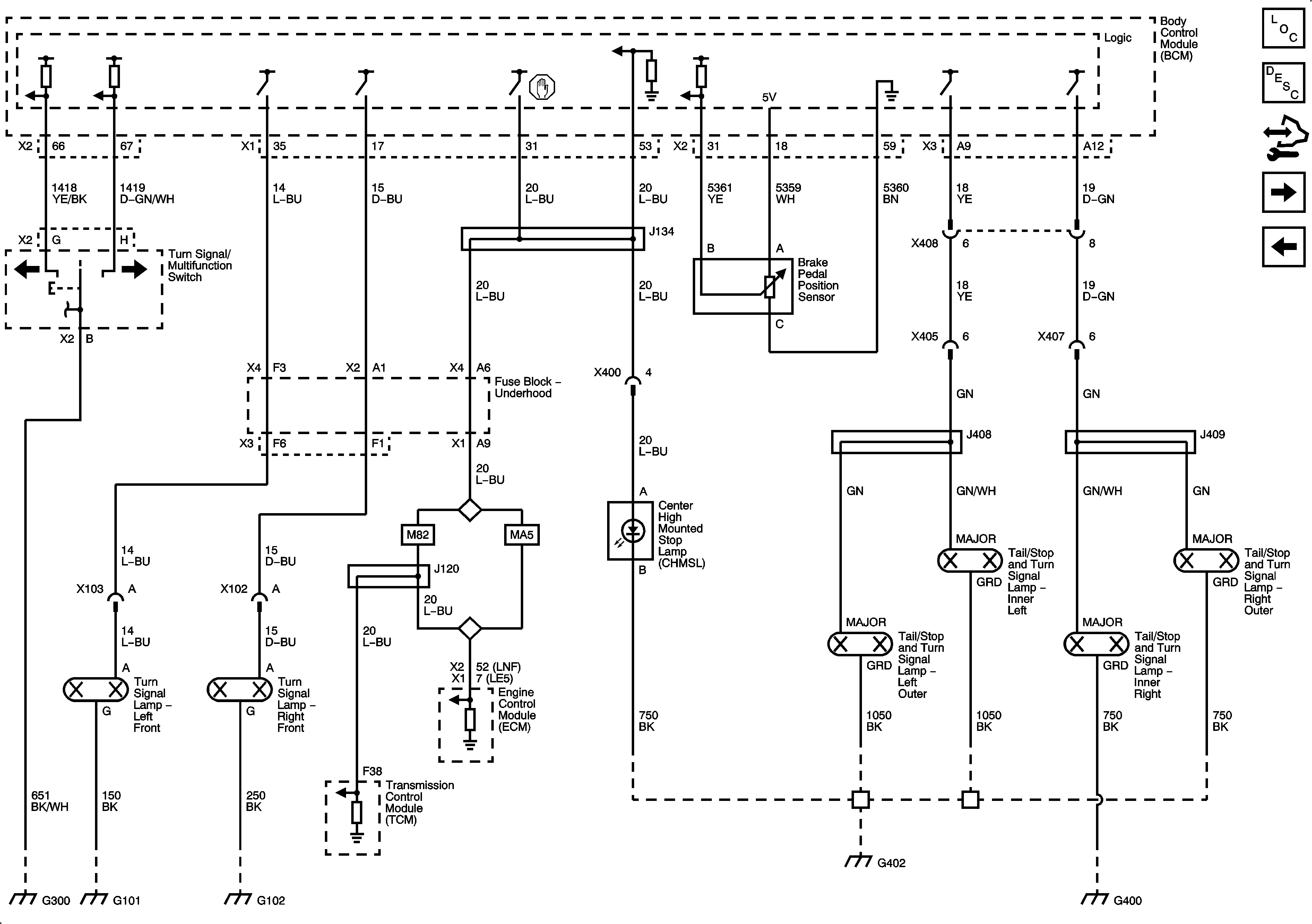
Figure 4:

Turn Signals and Stop Lamps (SKY)


Object Number: 2049542  Size: FS
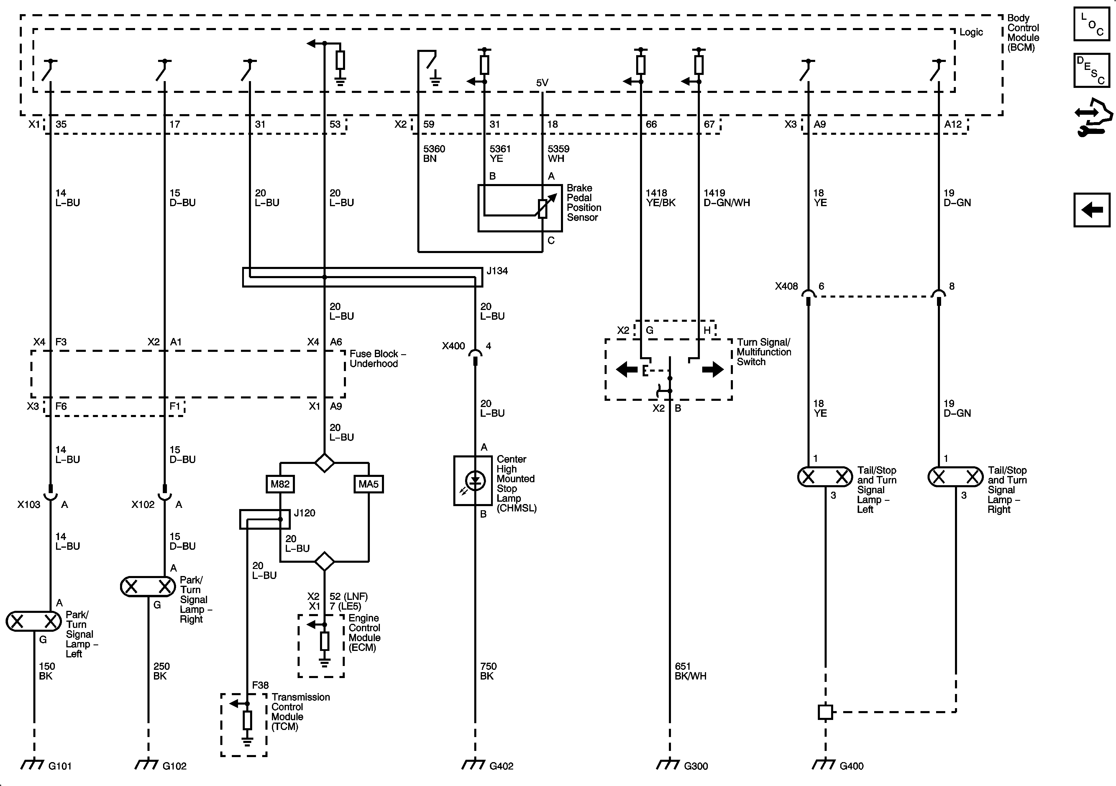
Figure 5:

Turn Signal and Stop Lamps (Solstice)


Object Number: 2049544  Size: FS