GM Service Manual Online
For 1990-2009 cars only
Makes
🢒
Saturn
🢒
2009
🢒
SKY
🢒
Diagnostic Navigation
🢒
Vehicle Diagnostic Information
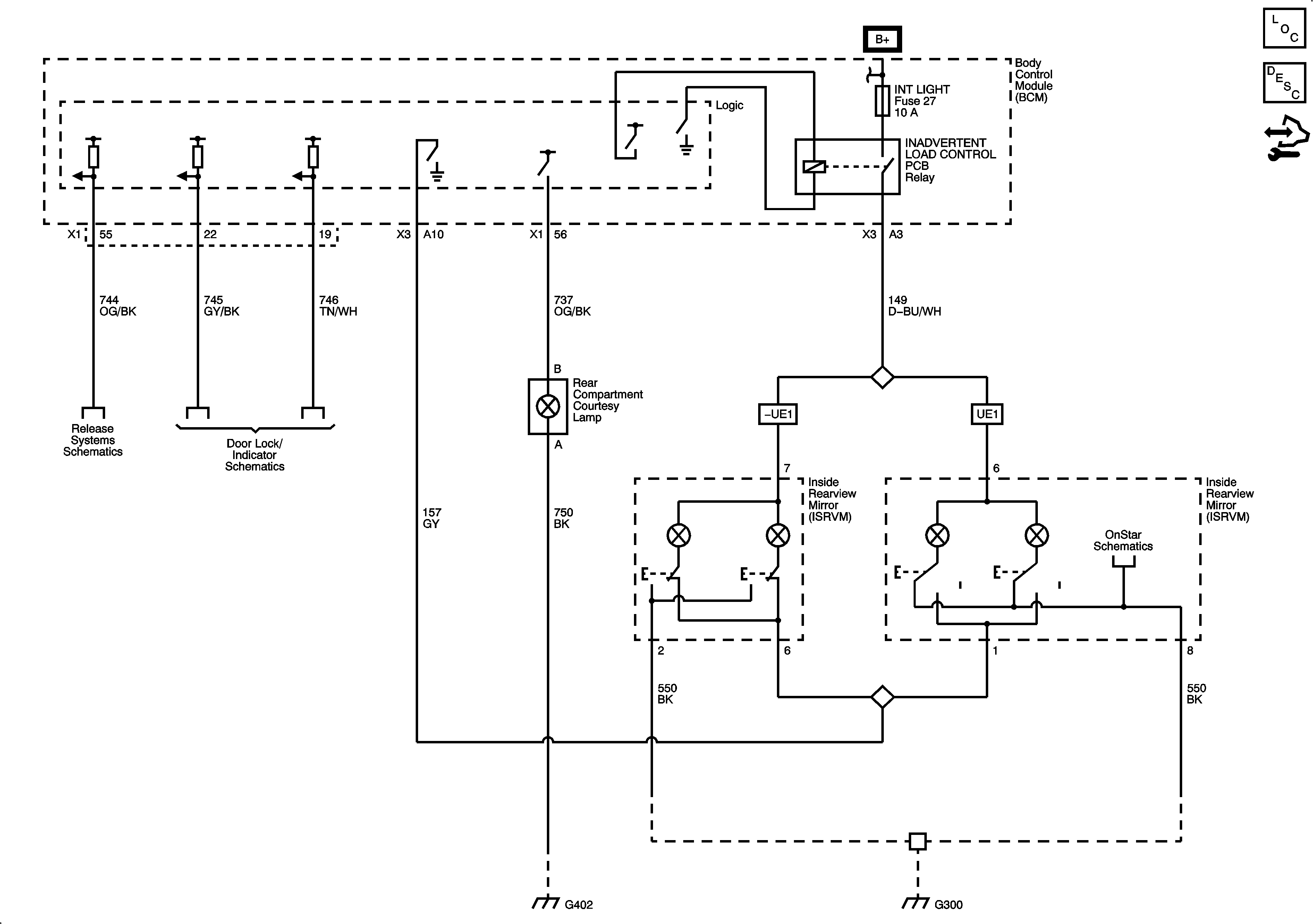
🢒 Interior Lights Schematics