GM Service Manual Online
For 1990-2009 cars only
Makes
🢒
Saturn
🢒
2009
🢒
SKY
🢒
Brakes
🢒
Antilock Brake System
🢒 Antilock Brake System Schematics
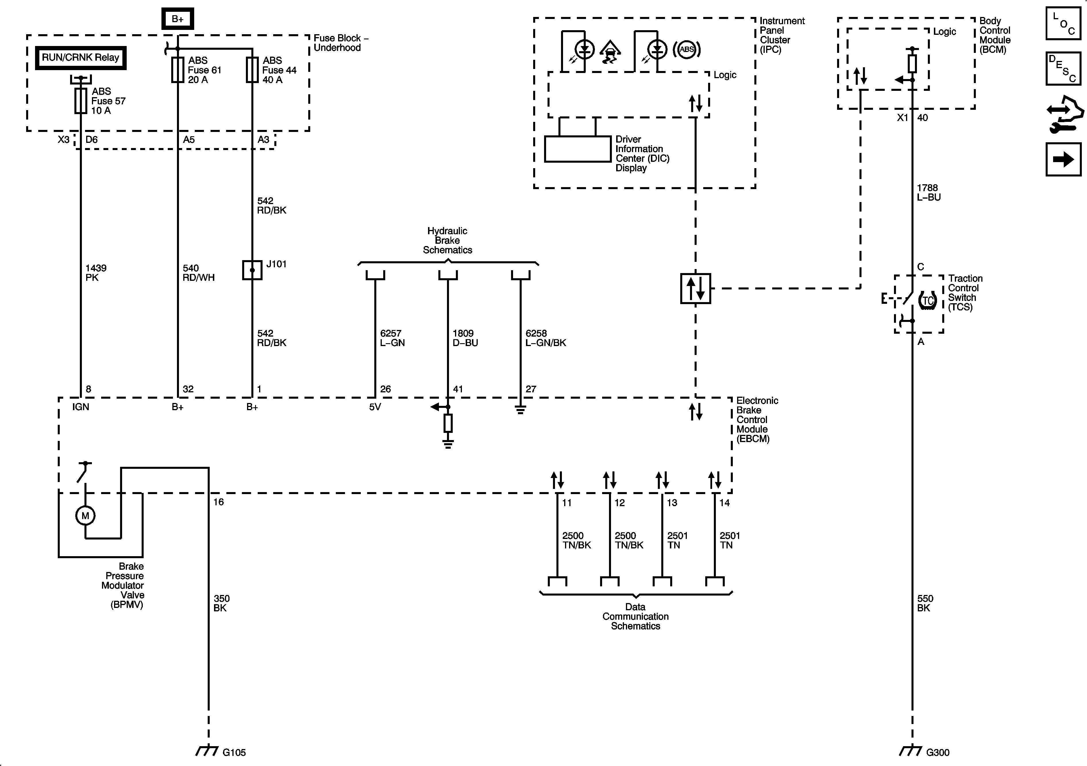
Figure
1:
Power, Ground, Indicator, Traction Control Switch, and Brake Booster Vacuum Sensor (LNF)
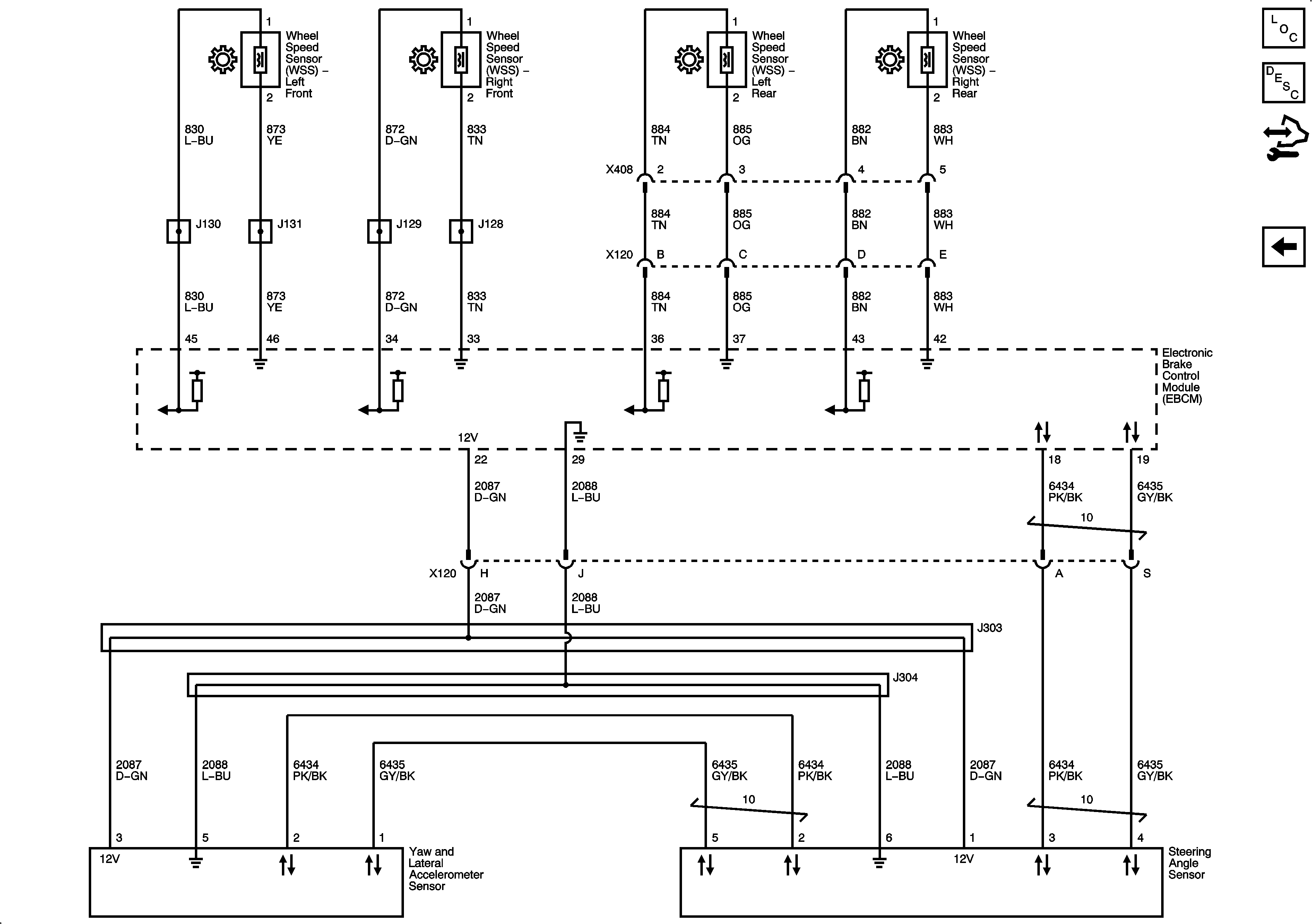
Figure
2:
Stability Control Sensors (JL4)