GM Service Manual Online
For 1990-2009 cars only
Makes
🢒
Saturn
🢒
2009
🢒
SKY
🢒
Brakes
🢒
Hydraulic Brakes
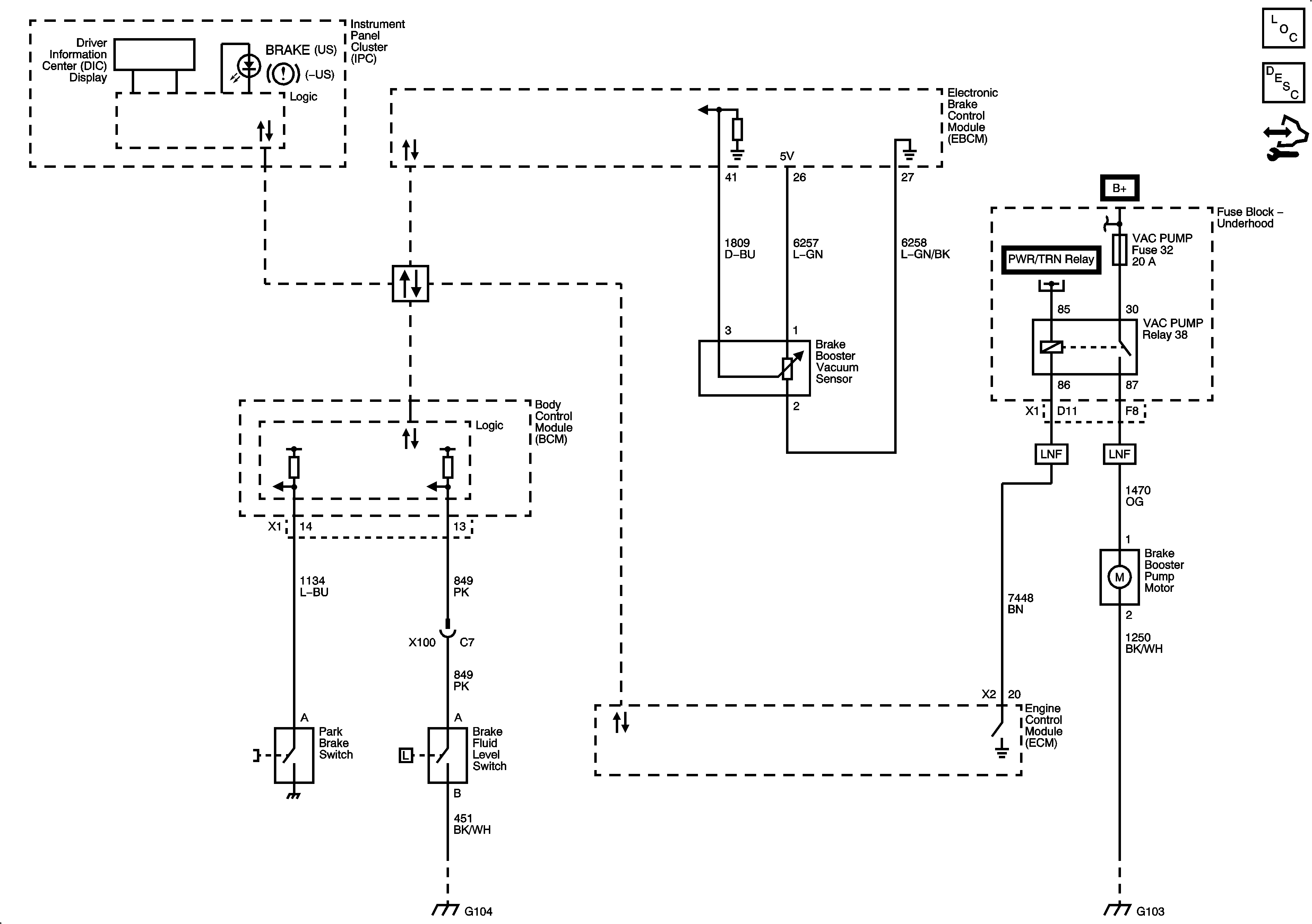
🢒 Hydraulic Brake Schematics