GM Service Manual Online
For 1990-2009 cars only
Figure 1:

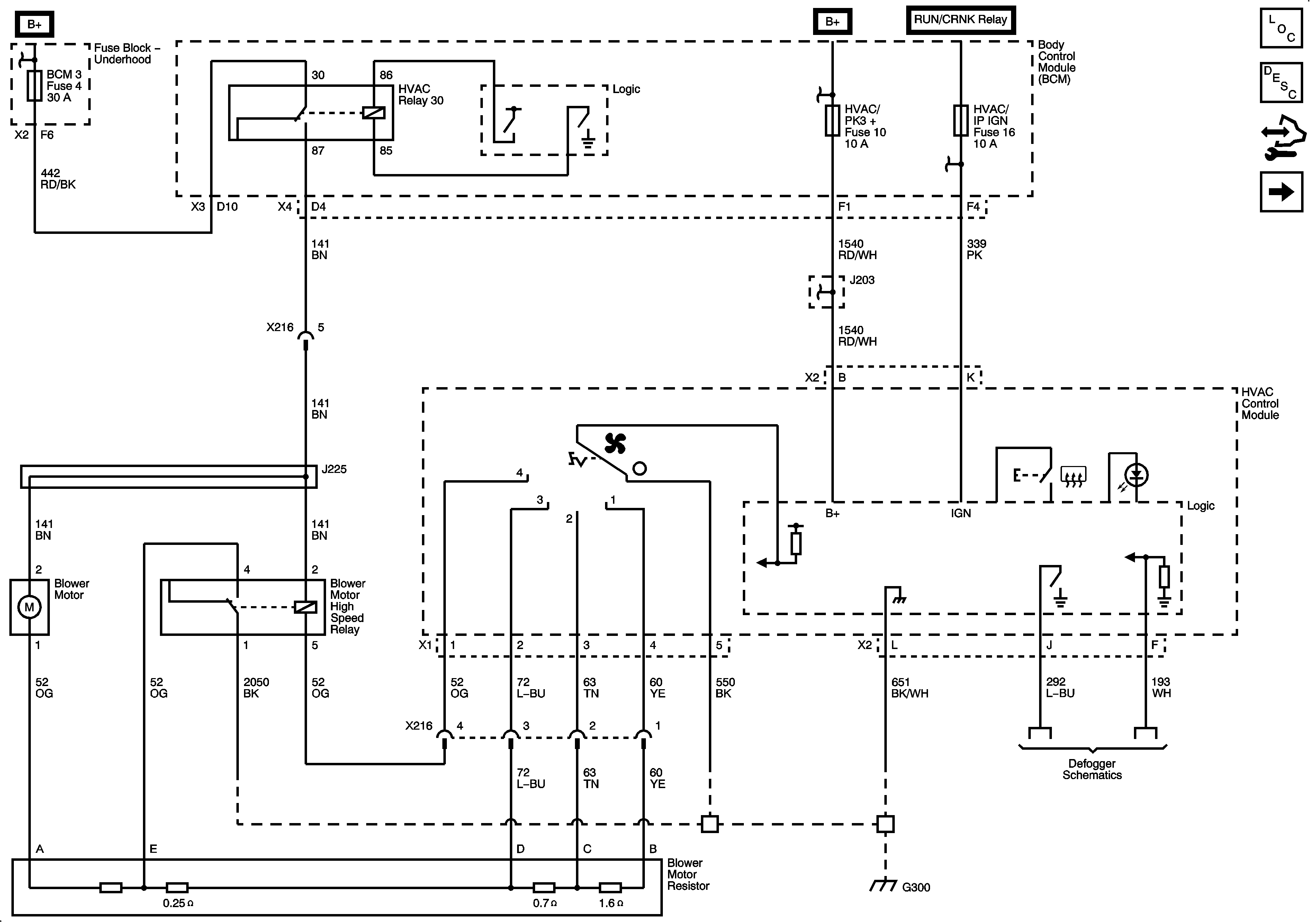
Ground, Power, and Blower Motor


Object Number: 2049363  Size: FS
Figure 2:

Mode and Air Temperature Controls


Object Number: 2049366  Size: FS
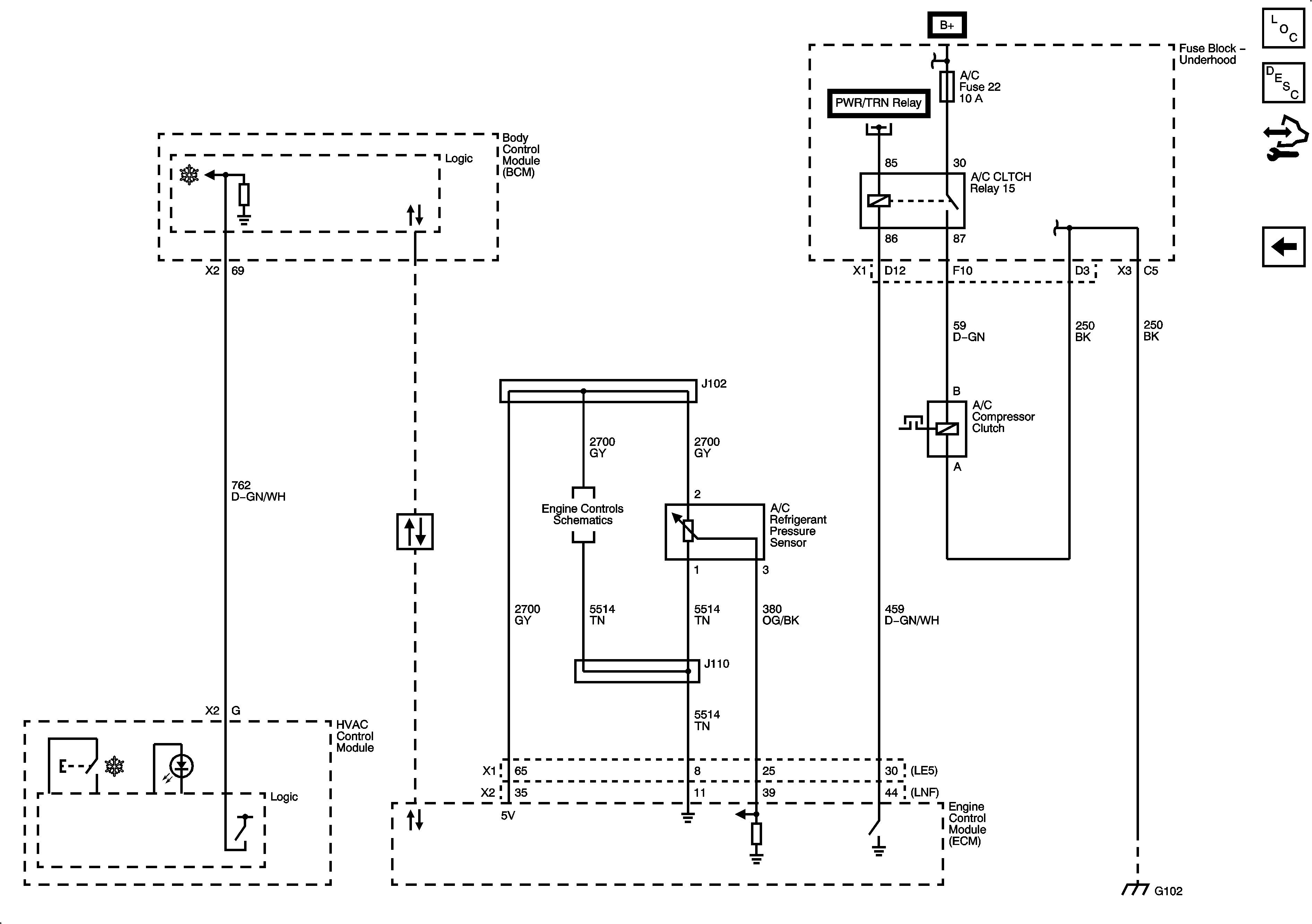
Figure 3:

Compressor Controls


Object Number: 2049368  Size: FS