GM Service Manual Online
For 1990-2009 cars only

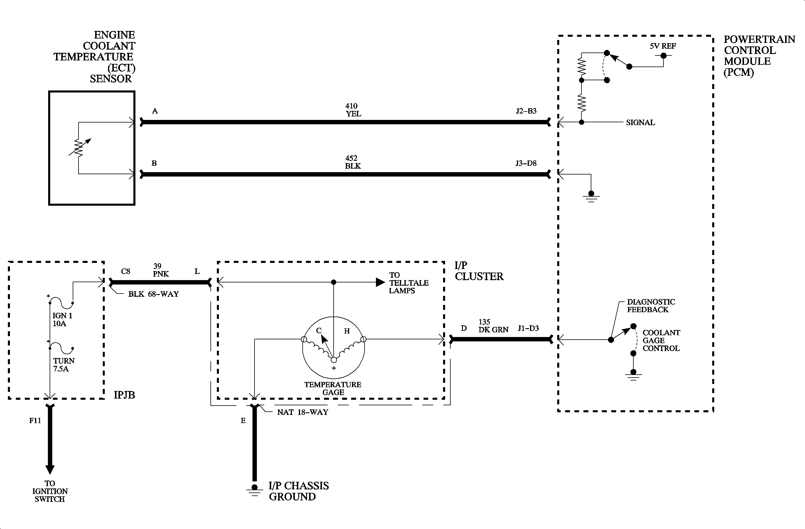
Circuit Description


Object Number: 1207385  Size: MF

The engine coolant temperature (ECT) sensor is a thermistor located in the lower coolant passage of the engine's cylinder head. When the coolant temperature is cold, the sensor has a high resistance. As the temperature increases, the resistance of the sensor decreases. The PCM provides a 5 volt signal to the coolant sensor, which is also connected to the PCM ground. The PCM reads the voltage drop on the signal line to determine coolant temperature.

Conditions for Setting the DTC

Important: The ECT signal is continuously checked when the engine is running.

DTC P0118 will set if the ECT reads below -35°C (-31°F) when the engine has been running longer than 4 minutes.

Diagnostic Aids

Refer to description and operation in this section for the Temperature vs. Resistance chart.

Start the engine and observe the ECT reading on the scan tool. Normal operation is for the ECT to rise smoothly to approximately 88°C (190°F), as the thermostat opens then stabilizes.

Visually inspect the ECT wires for damage. Wiggle the wires while observing the scan tool ECT reading and watch for a sudden shift in temperature.

ECT may be compared to the IAT temperature, with a scan tool, if the engine has cooled overnight at ambient temperature. They should be within 4 degrees of each other with the ignition ON and the engine OFF.

Caution: To avoid the danger of being burned, do not remove the cap while the engine, radiator, and surge tank are still hot. Scalding fluid and steam can be blown out under pressure.

Important: If a DTC P0118 is active, the temperature gage will read half.

To verify coolant sensor integrity, install a thermometer in the coolant surge tank. With the engine running and the A/C OFF, the temperature in the bottle and the scan tool reading for the engine coolant temperature should be within -9°C (15°F) of each other.


Object Number: 899807  Size: FP