GM Service Manual Online
For 1990-2009 cars only

Addition of Blower Relay

Subject:Service Manual Update on Addition of Blower Relay

Models:1997 Saturns built after and including the following vehicle identification numbers (VINS):



Model

Options

VIN No.

Sedan/Coupe

Manual Trans w/ABS

VZ270302

--

All Others

VZ271220

Wagon

Manual Trans w/o ABS

VZ270132

--

Manual Trans w/ABS

VZ270132

--

Automatic Trans

VZ276755

Purpose:

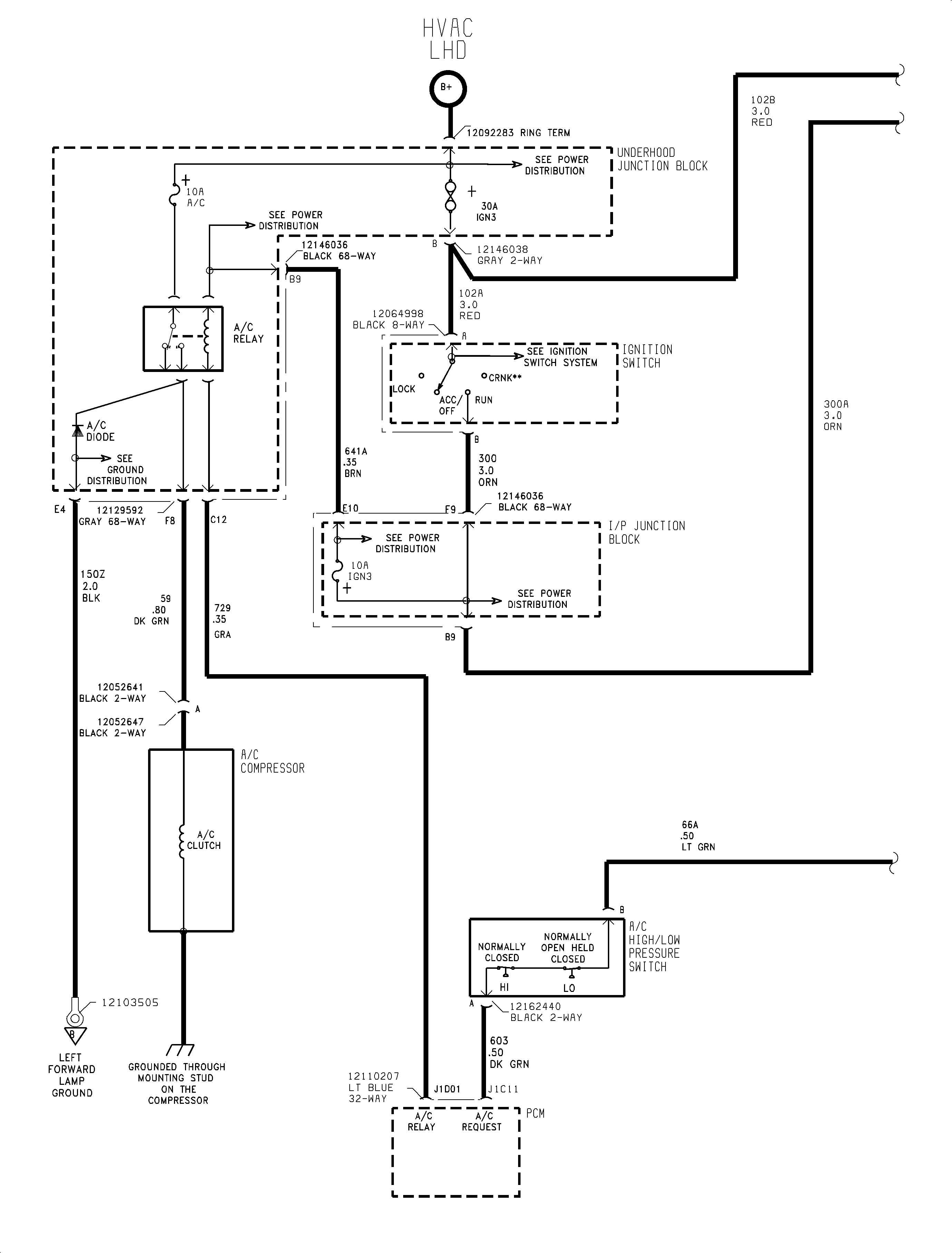
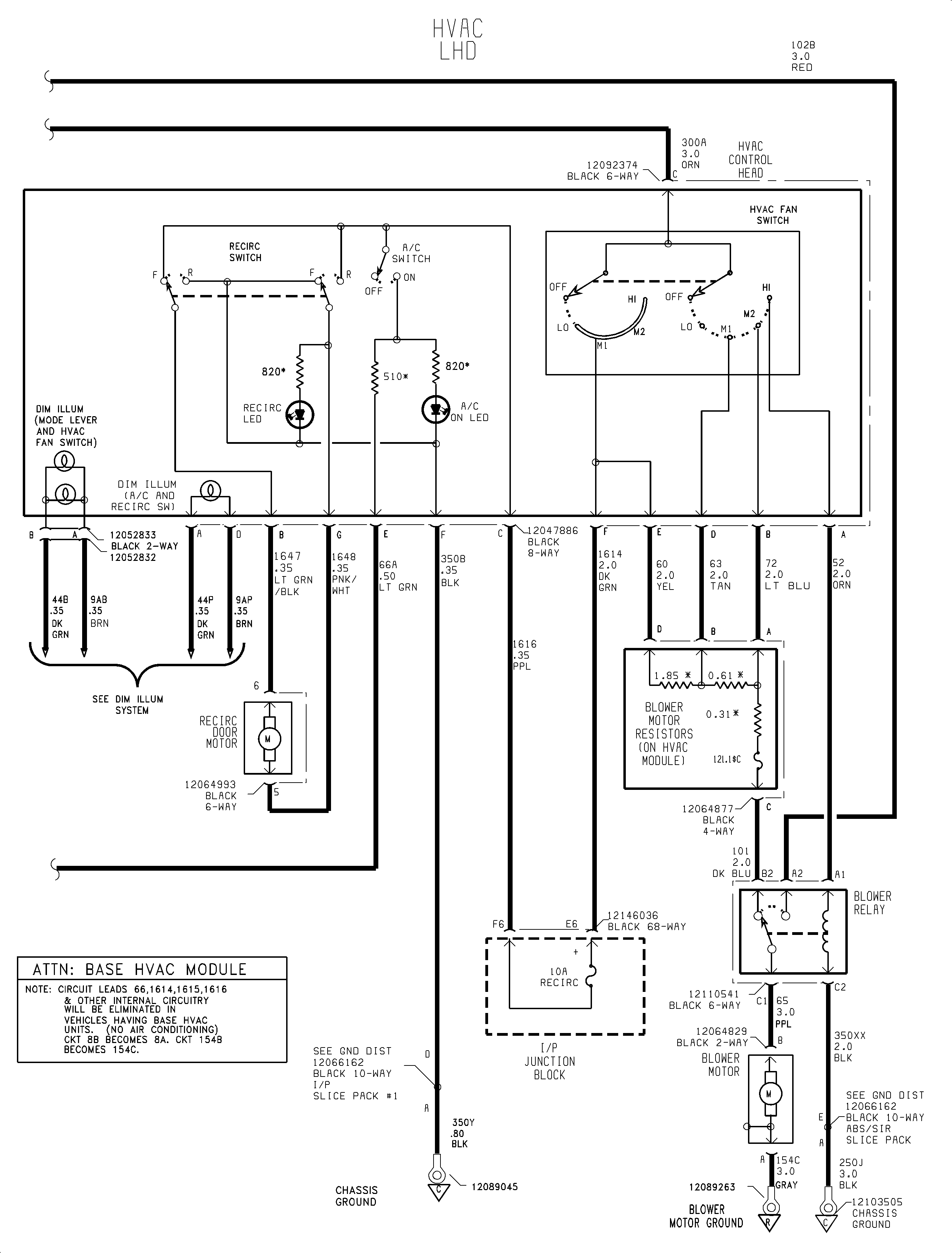
A blower relay has been added to the HVAC blower circuit as a model year 1997 interim design change. This blower relay is located in the main branch of the I/P wiring harness, near the splice packs. The blower relay is accessible from the driver's side footwell area of the instrument panel.

For 1997 vehicles built after and including the above VINS, use the diagnostics and service procedures in this bulletin to diagnose the HVAC blower motor electrical system.

For 1997 vehicles built before the above VINs, use the diagnostics in the "1997 HVAC Service Manual."


Object Number: 1206967  Size: FP

Object Number: 1206969  Size: FP

Object Number: 1206970  Size: FP

Object Number: 1207002  Size: FP

Object Number: 1207023  Size: FP

Object Number: 1207025  Size: FP

Object Number: 882503  Size: FP

Object Number: 882498  Size: FP

Blower Relay

Removal Procedure

  1. Locate blower on the driver's side in the footwell area. The blower relay is located in the instrument panel (I/P) wire harness, approximately 305 mm (12 in) from the power train control module (PCM) I/P connector.
  2. Important: The blower relay is the first component taped to the I/P harness from the PCM I/P connector end.

  3. Remove the black tape from around the blower relay.
  4. Disconnect the blower relay from base by disengaging locking tab and gripping the base while pulling the relay away from the base.

Installation Procedure

  1. Install blower relay into base.
  2. Using high quality electrical tape, tape blower relay to harness.

Object Number: 882461  Size: MF

Parts Requirements:

12193601 Relay Asm -- HVAC Blower

Claim Information:

To receive credit for this repair during the warranty coverage period, submit a claim through the Saturn Dealer System using the appropriate Electronic Labor Time Guide and Labor Operation Code D1027 (Replace Blower Motor Relay).