GM Service Manual Online
For 1990-2009 cars only
Makes
🢒
Saturn
🢒
1998
🢒
SL
🢒
Body and Accessories
🢒
Roof
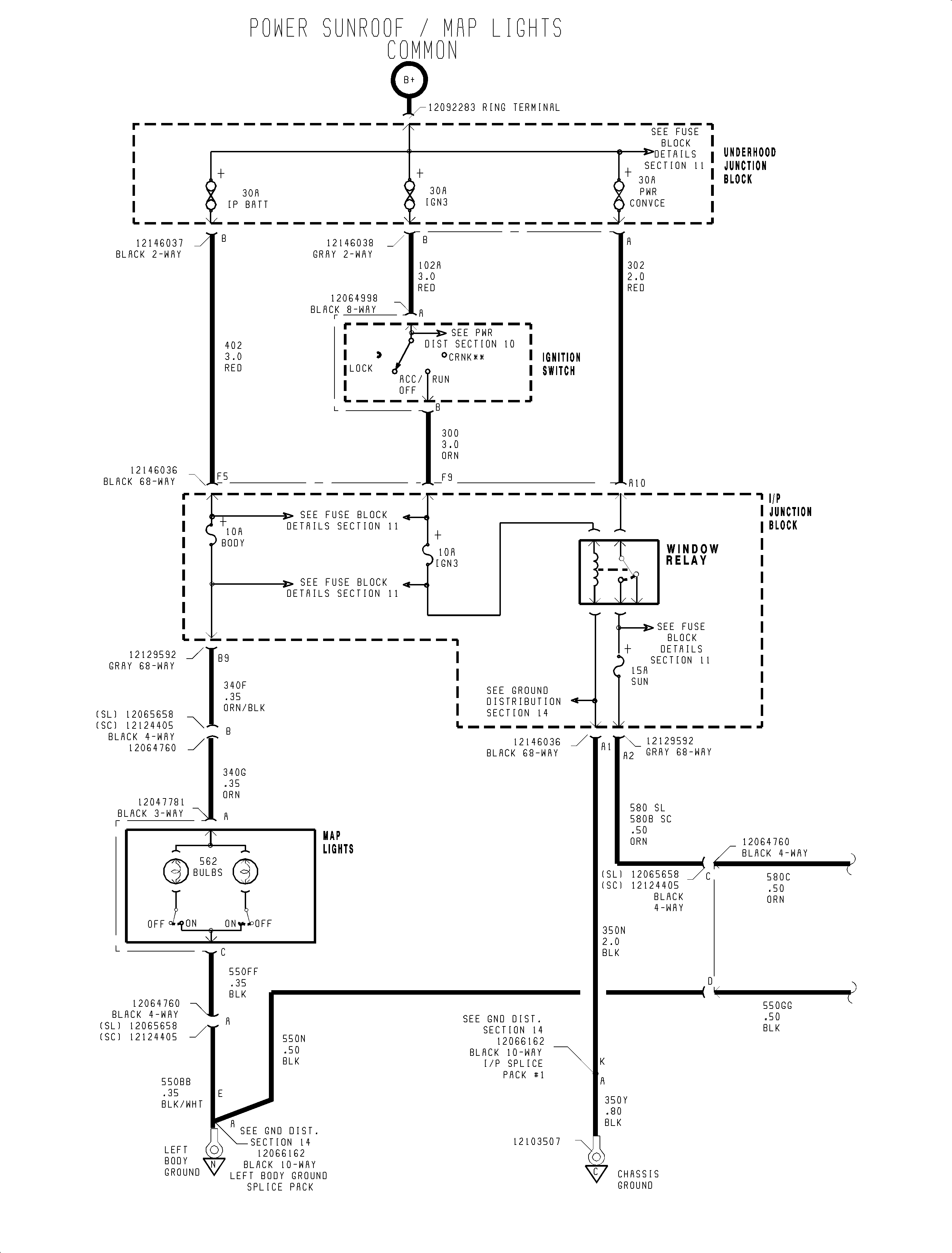
🢒 Sunroof Schematics
Figure
1:
Power Sunroof/Map Light
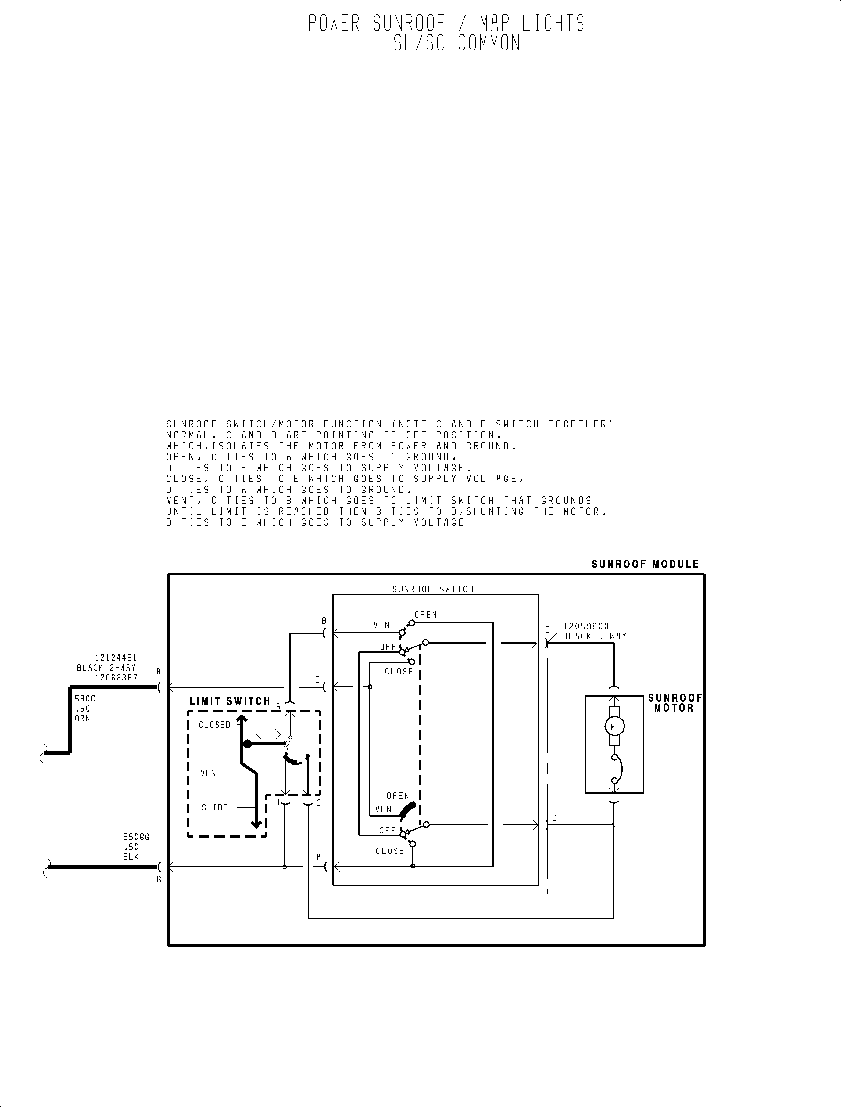
Figure
2:
Power Sunroof/Map Light Cont'd