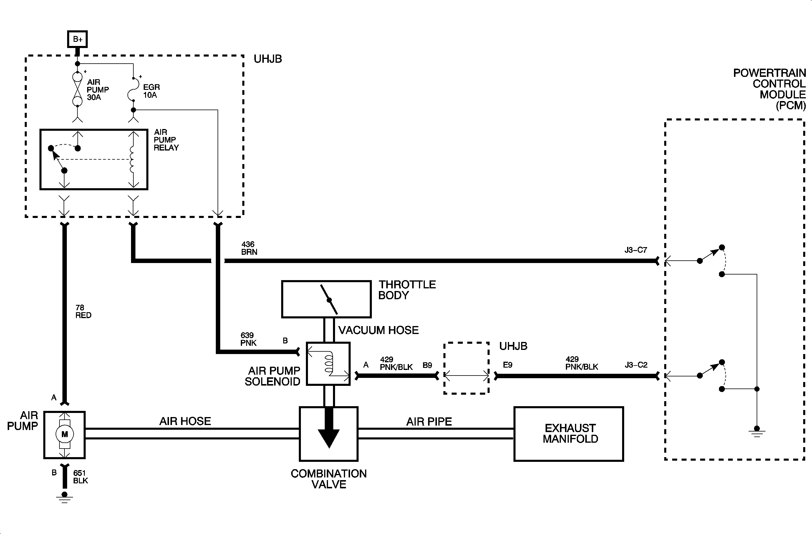
DTC P0410 determines if the air pump system is operating properly. During air pump operation, the PCM monitors the oxygen sensor output. The additional air pumped into the exhaust manifold causes the oxygen sensor to indicate a lean condition in a properly operating system. If the oxygen sensor does not indicate a lean condition for a fixed amount of time, it will fail the DTC P0410 diagnostic test.
DTC P0410 will set when:
| • | The oxygen sensor does not indicate a lean condition during air pump operation. |
| • | No MAP, TP, EGR, O2S, misfire, or fuel trip DTCs are set. |
The diagnostic for DTC P0410 will only run when the air pump is ON. If the air pump runs only for a short period of time, the DTC P0410 diagnostic test may not run.
Us the scan tool air pump Special Test to verify if a problem exists. The Special Test turns ON the air pump for 30 seconds and forces the DTC P0410 diagnostic test to run.