GM Service Manual Online
For 1990-2009 cars only

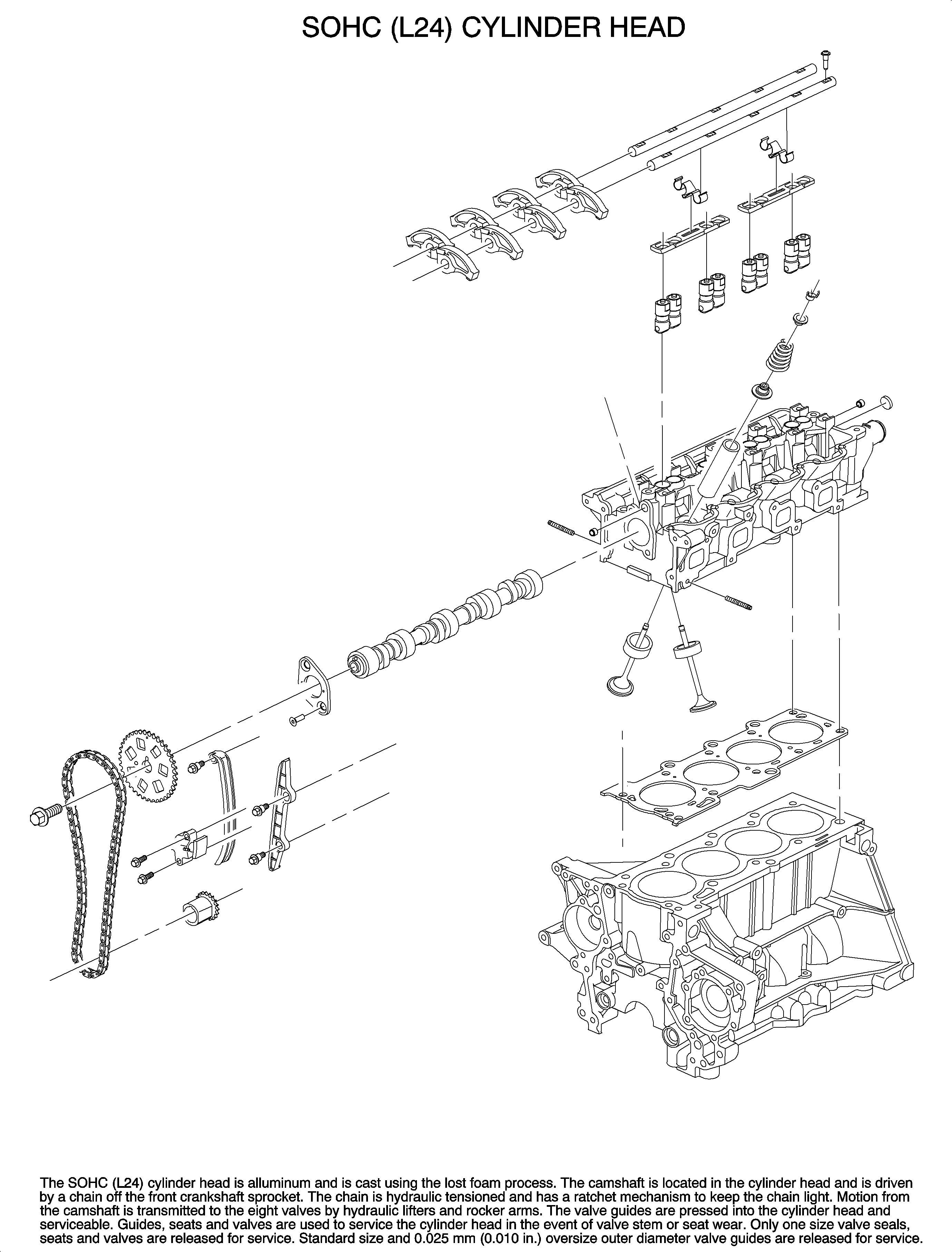
SOHC (L24)


Object Number: 905352  Size: FP

DOHC (LL0)


Object Number: 870877  Size: MF

The DOHC (LL0) cylinder head is aluminum and is cast using the lost foam process. The camshafts are held in the cylinder head with bearing caps and driven by a chain off the front crankshaft sprocket. The chain is hydraulic tensioned and has a ratchet mechanism to keep the chain tight. Motion from the camshaft is transmitted to the 16 valves by direct acting hydraulic lifters. The valve guides are pressed in to the cylinder head and serviceable. Guides, seats, and valves are used to service the cylinder head in the event of valve stem or seat wear. Standard size valve seals, seats, and valves are released for service. Standard size and 0.025 mm (0.01 in) oversize outer diameter valve guides are released for service.