GM Service Manual Online
For 1990-2009 cars only
Makes
🢒
Saturn
🢒
2000
🢒
SL
🢒
Body and Accessories
🢒
Lighting Systems
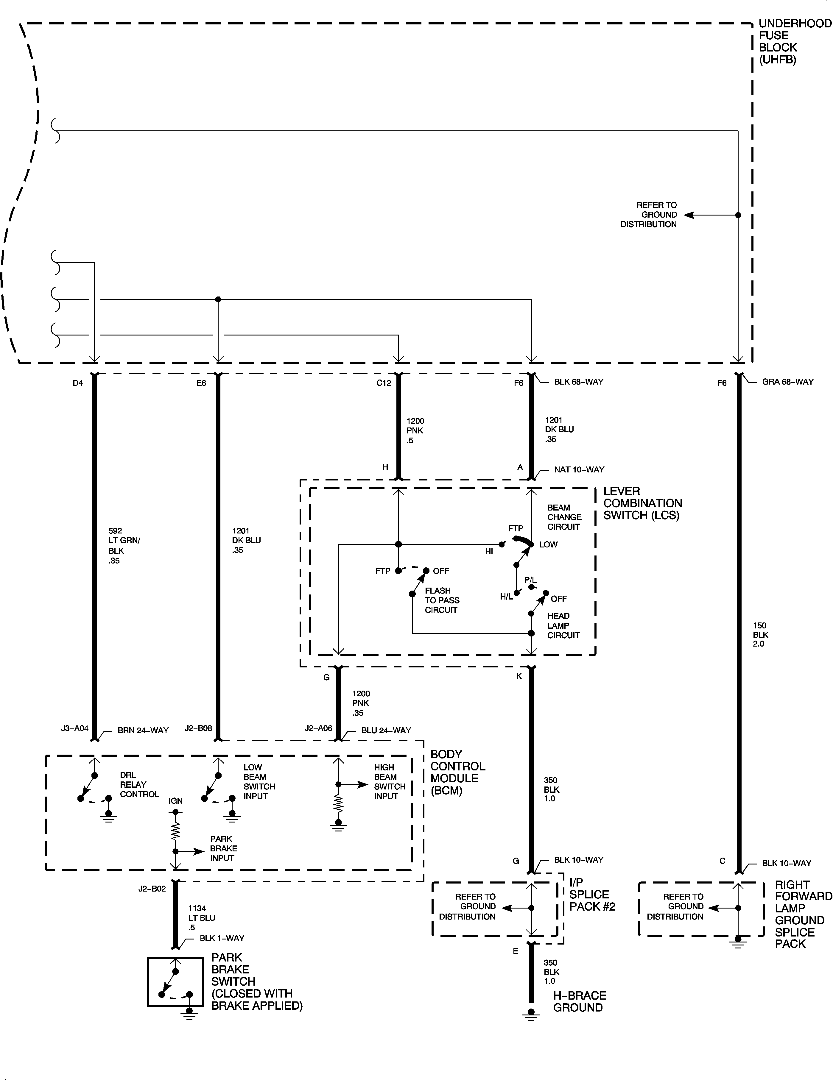
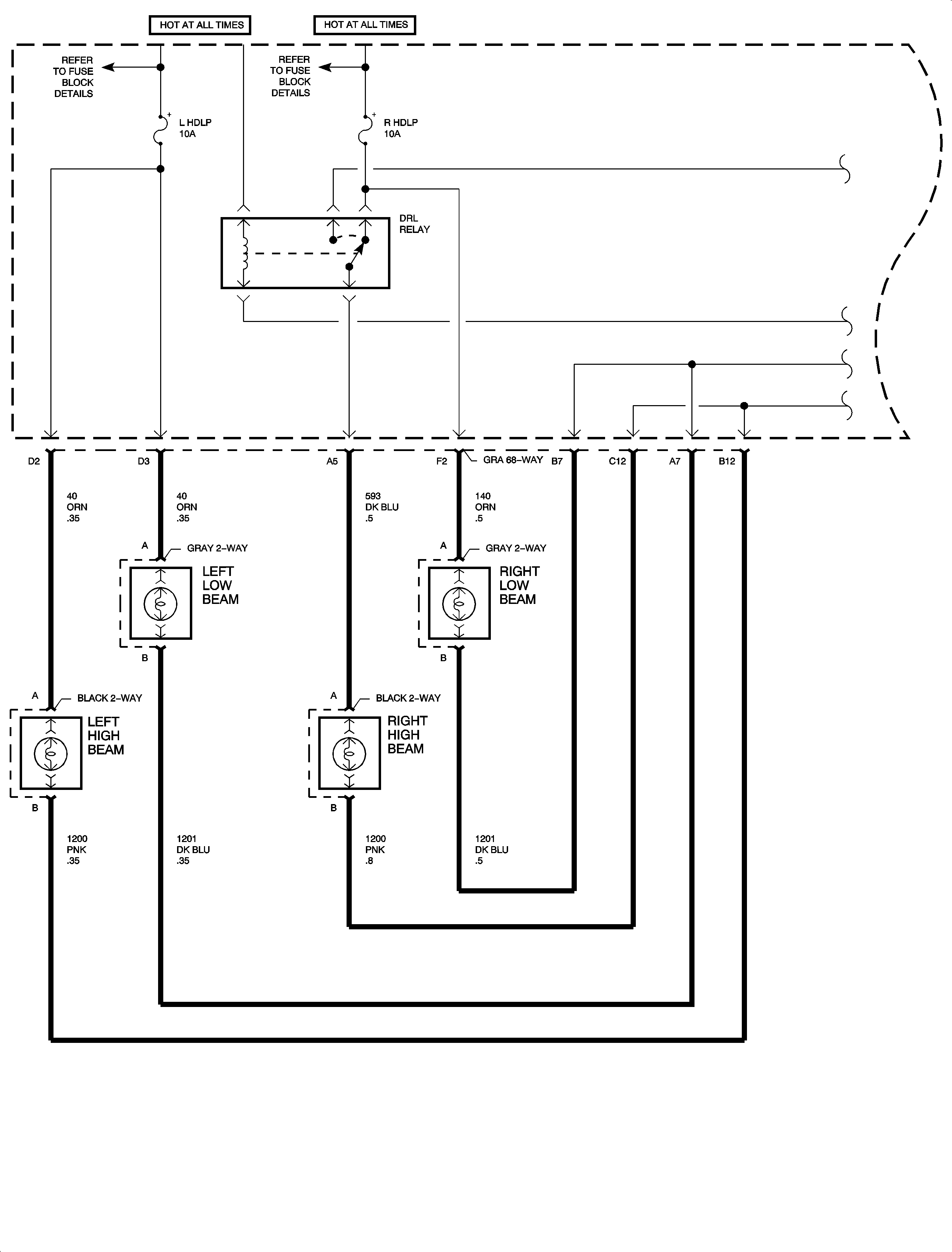
🢒 Headlights/Daytime Running Lights (DRL) Schematics
Figure
1:
Headlamps (1 of 2)
Figure
2:
Headlamps (2 of 2)