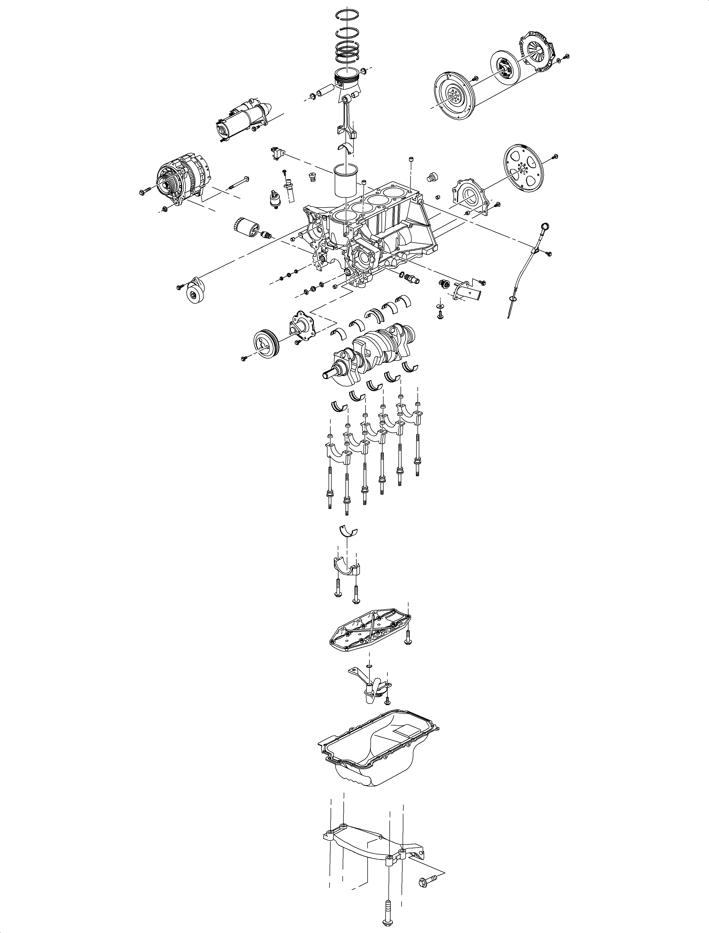
The 1.9L engine is an in-line 4 cylinder type, with a water-cooled aluminium block and overhead valves and cam. The main bearing caps are cast iron and held in place with2 bolts each. The cylinder block is cast using the lost foam process. The cylinder block bores have interference fit cast non-replaceable iron liners for the piston rings to seat against.
The cast iron crankshaft is supported by 5 precision insert bearings, with crankshaft thrust taken at the middle bearing. Replacement undersized bearings are available for crankshaft journal repairs up to 0.25 mm (0.010 in).
The connecting rods are forged steel, with precision insert type crank pin bearings. The piston pins float in the connecting rod bushings. The pistons are cast aluminum alloy and the piston pins are retained with snap rings. Replacement oversize pistons are available to repair damaged cylinder bores up to 0.4 mm (0.016 in).
The vehicle identification number (VIN) or service assembly date stamp, in the event an engine is replaced after the vehicle has been put in service, is stamped on the cylinder block. The identification alpha characters and numbers are located on a casting pad located at the left, rear corner of the engine block. An example of the service replacement engine date stamp would be:
Date Stamp Example --1C bb N043B
!st-2nd Positions = 1C - Japan Export Cable
3rd-4th Positions = Left Blank
5th Position = Hour Code (N=11 PM)
6th-8th Positions = Julian Date (043) Feb. 12
9th Position = Production Model Year Designator
B=1991 | H=1997 |
C=1992 | W=1998 |
D=1993 | X=1999 |
E=1994 | Y=2000 |
F=1995 | Z=2001 |
G=1996 | -- |