|
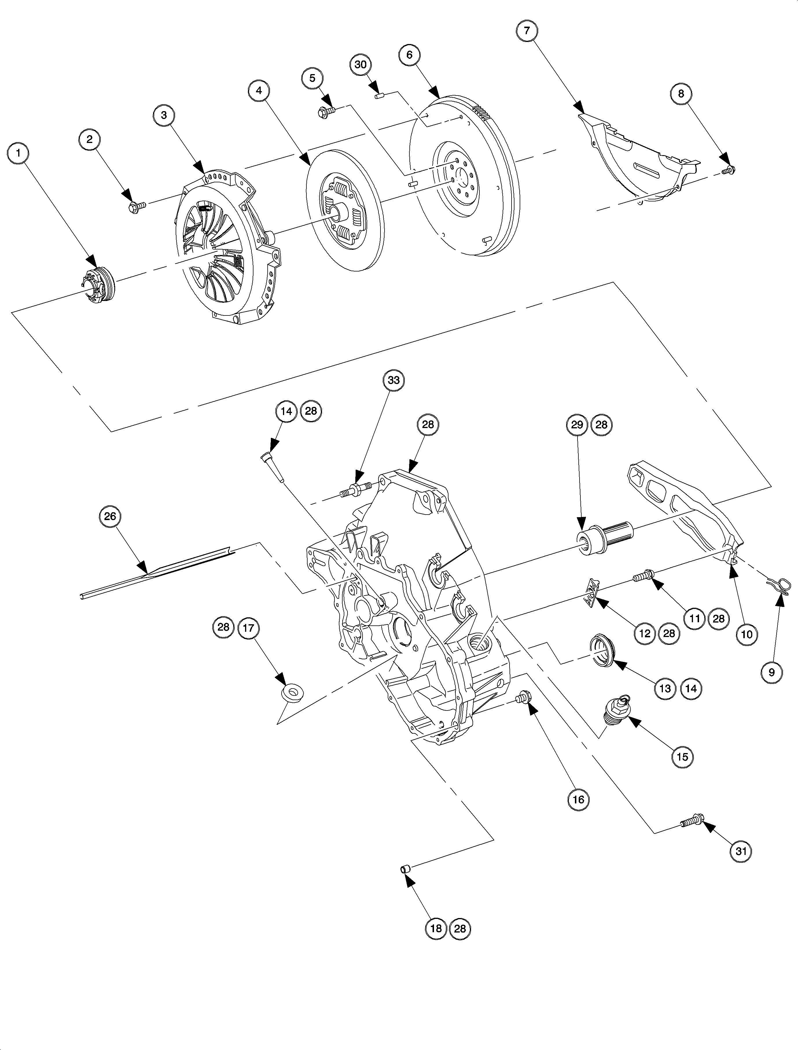
| (1) | Bearing Assembly
- Input Shaft |
| (2) | Washer -
4th Gear |
| (3) | Gear -
4th Gear |
| (4) | Ring -
4th Gear Synchronizer Blocker |
| (5) | Spring -
4th Gear Sychronizer |
| (6) | Bearing Assembly
- 4th Gear |
| (7) | Race -
4th Gear Bearing |
| (8) | Synchronizer
Assembly - 3rd/4th |
| (9) | Spring -
3rd Gear Synchronizer |
| (10) | Ring -
3rd Gear Synchronizer Blocker |
| (11) | Gear -
3rd Drive |
| (12) | Bearing Assembly
- 3rd Gear |
| (13) | Shaft -
Input |
| (14) | Indicator
Assembly -- Manual Transaxle Oil Level |
| (15) | Pin -
Shaft Housing Case Hollow Dowel |
| (16) | Stud/Bolt
- Transfer Case/Housing |
| (17) | Ring -
Bearing Retainer |
| (18) | Washer -
5th Drive Gear Thrust |
| (19) | Race -
5th Drive Gear Bearing |
| (20) | Bearing Assembly
- 5th Gear |
| (21) | Gear -
5th Drive |
| (22) | Ring -
5th Gear Synchronizer Blocker |
| (23) | Spring -
5th Gear Synchronizer |
| (24) | Synchronizer
Assembly - 5th & Rev Gear |
| (25) | Spring -
Rev Gear Synchronizer |
| (26) | Ring -
Rev Gear Synchronizer Blocker |
| (27) | Cone -
Rev Brake |
| (28) | Washer -
Rev Cone Thrust |
| (29) | Nut -
Input Shaft |
| (30) | Gasket -
Rear Cover |
| (31) | Cover Assembly
-- Trans (Rear) |
| (32) | Bolt/Screw
- Trans Cover |
| (33) | Nut -
Output Shaft |
| (34) | Gear -
5th Driven |
| (35) | Retainer
- Ring Axle Seal |
| (36) | Seal Assembly
- Front Wheel Drive Shaft (Case) |
| (37) | Ring -
Differential |
| (38) | Bolt/Screw
- Transfer Case/Housing |
| (39) | Case -
Trans |
| (40) | Shaft
- Output 4.06 Ratio |
| (41) | Bearing
Assembly - 1st Gear Thrust |
| (42) | Bearing
Assembly - 1st Gear |
| (43) | Gear Assembly
- 1st Driven |
| (44) | Ring 1st
Gear Synchronizer Blocker |
| (45) | Spring
- 1st Gear Synchronizer |
| (46) | Synchronizer
Assembly - 1st/2nd & Rev Output |
| (47) | Spring -
2nd Gear Synchronizer |
| (48) | Ring -
2nd Gear Synchronizer Blocker |
| (49) | Race -
2nd Gear Bearing |
| (50) | Bearing
Assembly - 2nd Gear |
| (51) | Gear Kit
- 2nd Driven |
| (52) | Gear -
3rd & 4th Driven |
| (53) | Bearing Assembly
- Output Shaft |
| (57) | Gasket Kit
- Manual Transaxle |
| (59) | Ring -
Output Shaft Bearing Assembly Retainer |
| (60) | Bearing
Assembly - Output Shaft |
| (61) | Plate
- Oil Baffle |
| (62) | Gear Assembly
- Rev Idler |
| (63) | Washer
- Rev Idler Thrust |
| (64) | Shaft
- Rev Idler Gear |
| (65) | Pin -
Rev Idler Gear Shaft |