GM Service Manual Online
For 1990-2009 cars only
Makes
🢒
Saturn
🢒
2001
🢒
SL
🢒
Body and Accessories
🢒
Doors
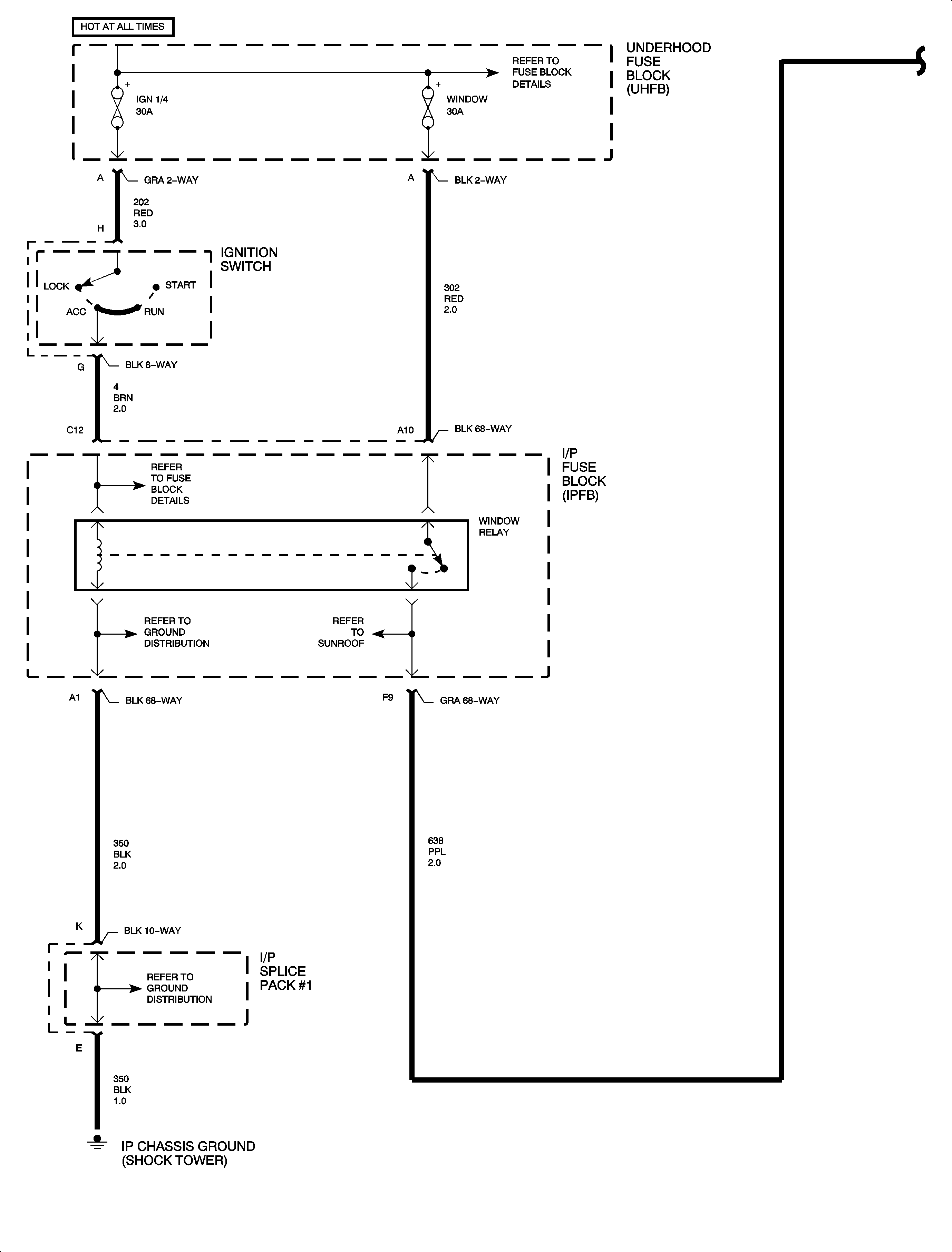
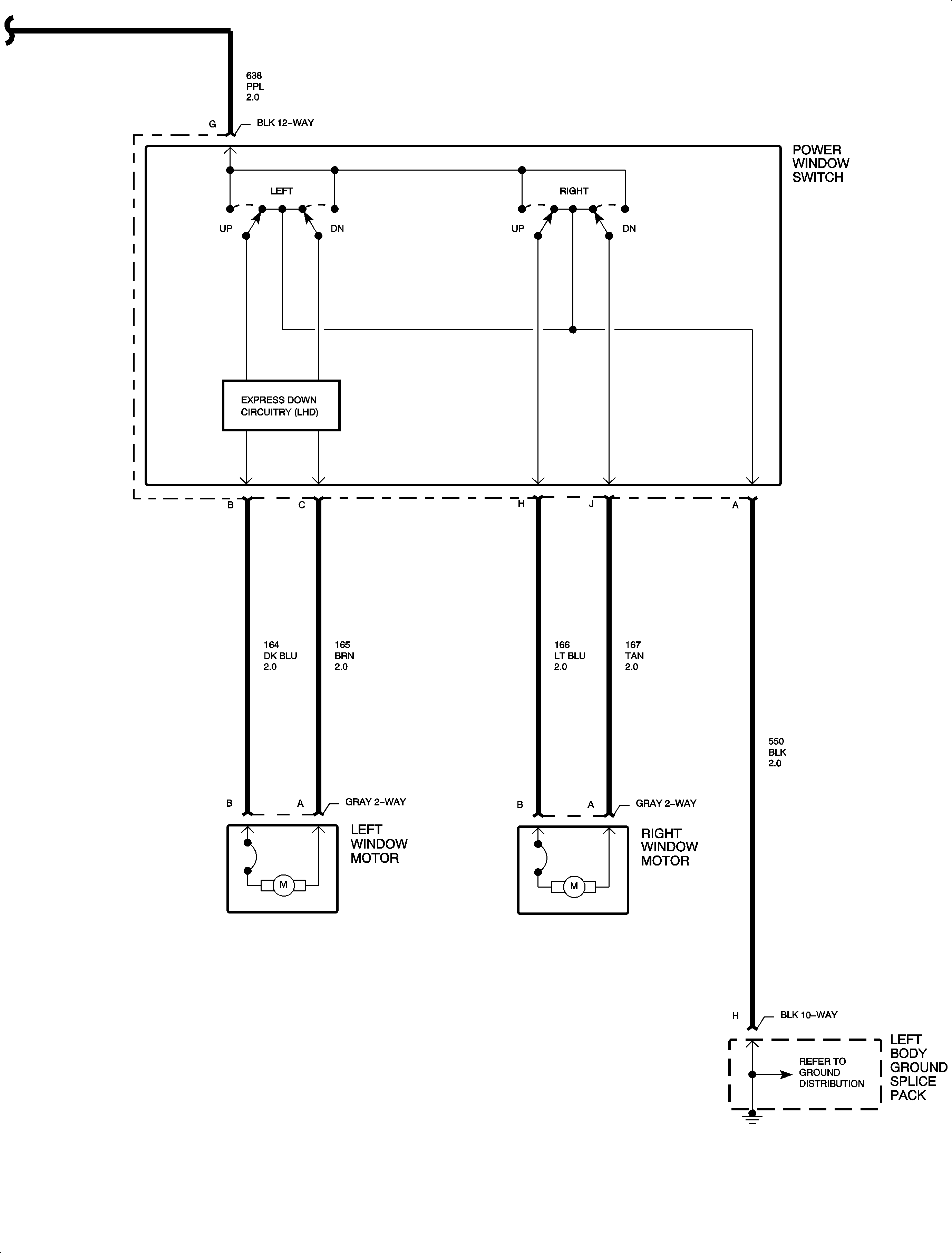
🢒 Power Window Schematics
Figure
1:
Coupe, Sedan and Wagon
Figure
2:
Sedan and Wagon
Figure
3:
Coupe