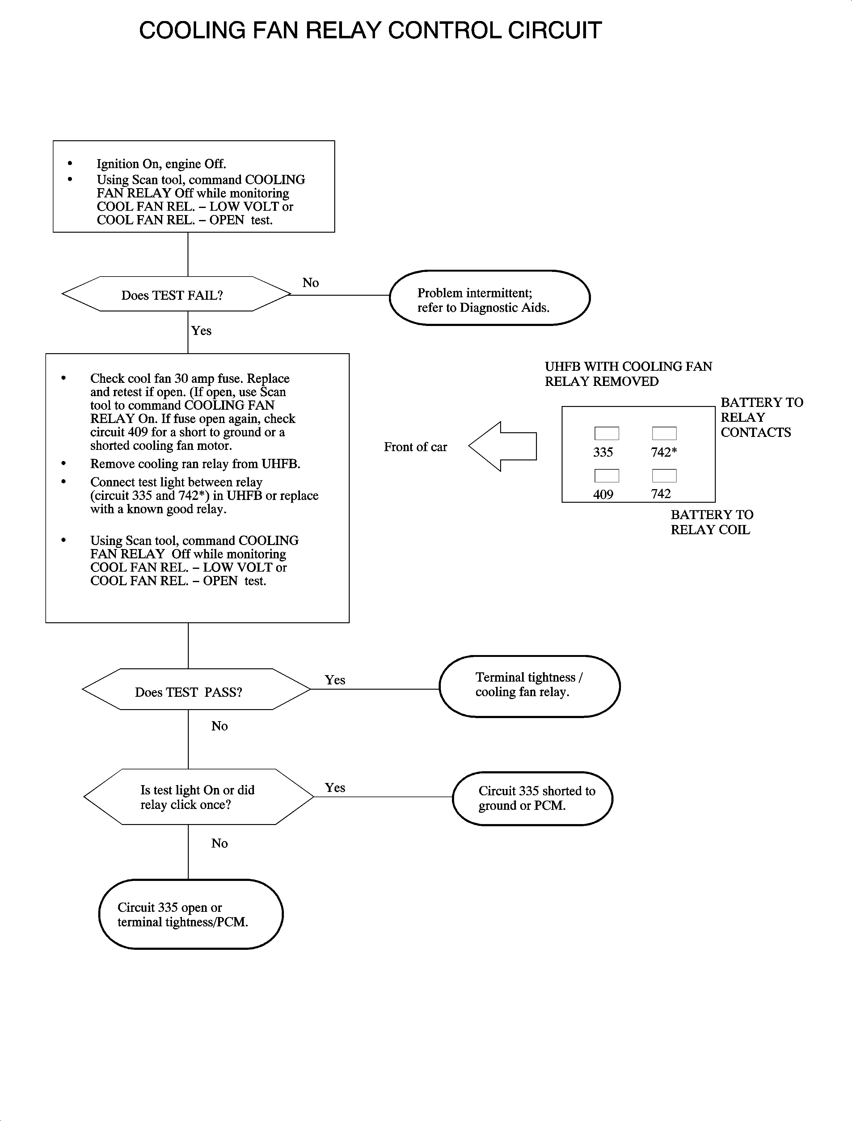
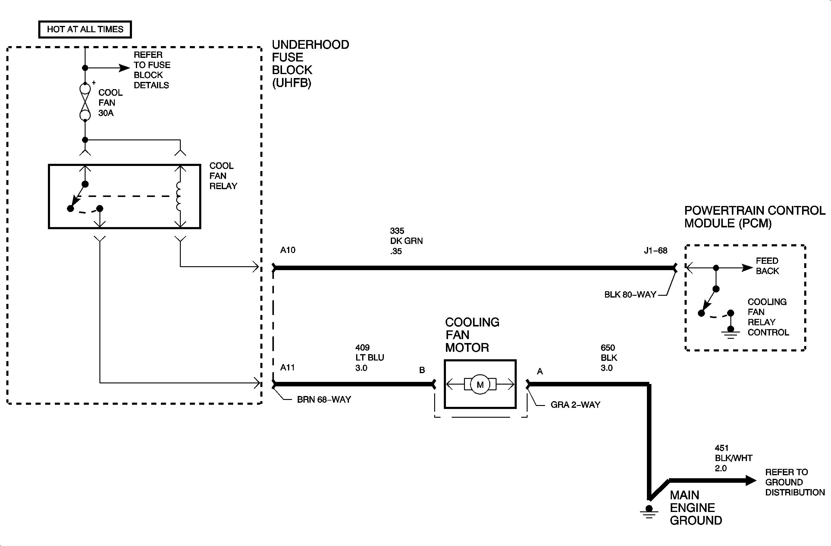
The PCM controls the cooling fan motor by controlling the cooling fan relay. The cooling fan motor runs whenever the ECT is above 105.5°C (222°F), the A/C relay is commanded ON, or a low/high fault exists in the ECT sensor circuit. The PCM controls the cooling fan relay by controlling an internal drive that pulls the relay coil circuit to ground. The relay coil circuit is monitored for low and high voltage faults. DTC P0480 sets when the cooling fan relay is being commanded OFF and the feedback voltage at the PCM is low.
DTC P0480 will set if the cooling fan relay voltage is less than 1.25 volts when the cooling fan relay is being commanded OFF.
DTC P0480 diagnostic runs continuously with the ignition ON and the cooling fan relay commanded OFF.
DTC P0480 is a type D DTC.
To locate an intermittent problem, use the scan tool to command COOLING FAN RELAY OFF while monitoring the COOL FAN REL.-LOW VOLT or COOL FAN REL-OPEN test. When a fault (open or short to ground) exists, the scan tool will display TEST FAIL for both tests.
The tests will fail only when the device is being commanded OFFf and the voltage at the PCM is low. The tests update every 100 ms whenever the ignition is turn ON and the device is being commanded OFF via the scan tool or PCM.
Cooling fan relay coil resistance equals 75-105 ohms.