GM Service Manual Online
For 1990-2009 cars only

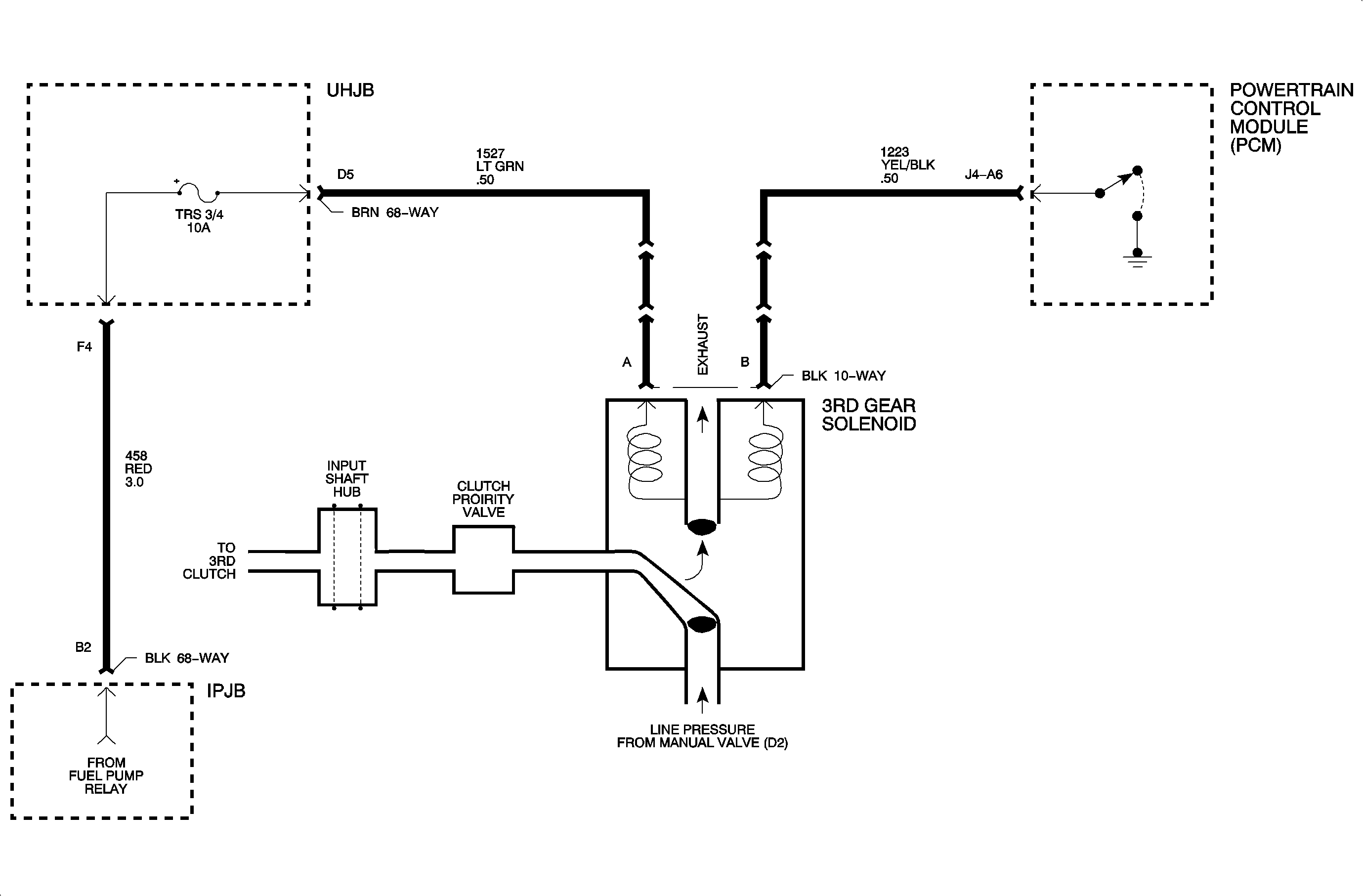
Circuit Description


Object Number: 902577  Size: MF

When a gear is commanded ON, the vehicle speed to input shaft speed ratio is monitored to assure the correct gear ratio is achieved. Shift solenoid 3 performance indicates that another gear was commanded, but the actual ratio driving the vehicle is equal to 3rd gear. This is a calculated value, input shaft speed/vehicle speed equals gear ratio. Third gear clutch is turned OFF by grounding circuit 1223 at the PCM.

Conditions for Setting the DTC

DTC P0782 is set when flagged on when the PCM has detected the following conditions for more than 3 seconds twice per ignition cycle:

    • First gear is commanded by the PCM.
    • No noise on the input shaft or vehicle speed signals.
    • Vehicle speed is greater than 5 km/h (3 mph).
    • Input shaft speed is greater than 224 RPM.
    • The speed ratio across the torque converter, engine speed versus input speed, is less than 180. A speed ratio of 255 would be TCC on.
    • The PCM calculated engine load value is greater than 200.
    • The input shaft to vehicle speed ratio equals 3rd gear.

Test Description

Numbered steps below refer to numbered steps on the chart.

  1. Check for DTCs P0761, P0763, or P0764. They must be eliminated first as a possible cause of DTC or DTC P0782.
  2. Important: To check the solenoid operation, command the solenoid quick test using the scan tool.

  3. Check the solenoid operation. Use the solenoid quick check in the test section. Listen and compare the noise of the 3rd gear solenoid to that of the other solenoids. The noise should be similar.
  4. The problem could be a mechanical failure. This step begins the internal diagnosis. The air check procedure is in Test Section Diagnosis found at the end of the DTC charts.
  5. Cross leaks to/from 3rd clutch oil passages can cause 3rd clutch to be on at all times. The possible leak due to seals, gaskets, porosity, etc.
  6. As air pressure is applied and released, the clutch plates should also apply and release. If the clutch plates are moving normally, the problem is probably in the valvebody. If clutches are not moving correctly, the problem is in the end cover or an internal transaxle problem exists.

Repair Verification

Monitor the DTC menu Code Status for Pass Since Code Clear and Pass This Ignition Cycle. When both have passed, the repair is verified.

Criteria for pass:

    • The engine is running.
    • Power is present at the solenoids and no active faults exist for this solenoid.

Diagnostic Aids

This DTC may set or intermittent 3rd gear starts may be caused by a poor electrical connection at either the PCM, solenoid connector plate, or UHJB terminals. Wiggling the connectors while performing a solenoid quick test may help isolate the problem area.

This DTC will probably be accompanied by DTC P0732 and DTC P0741.


Object Number: 902952  Size: FP