GM Service Manual Online
For 1990-2009 cars only

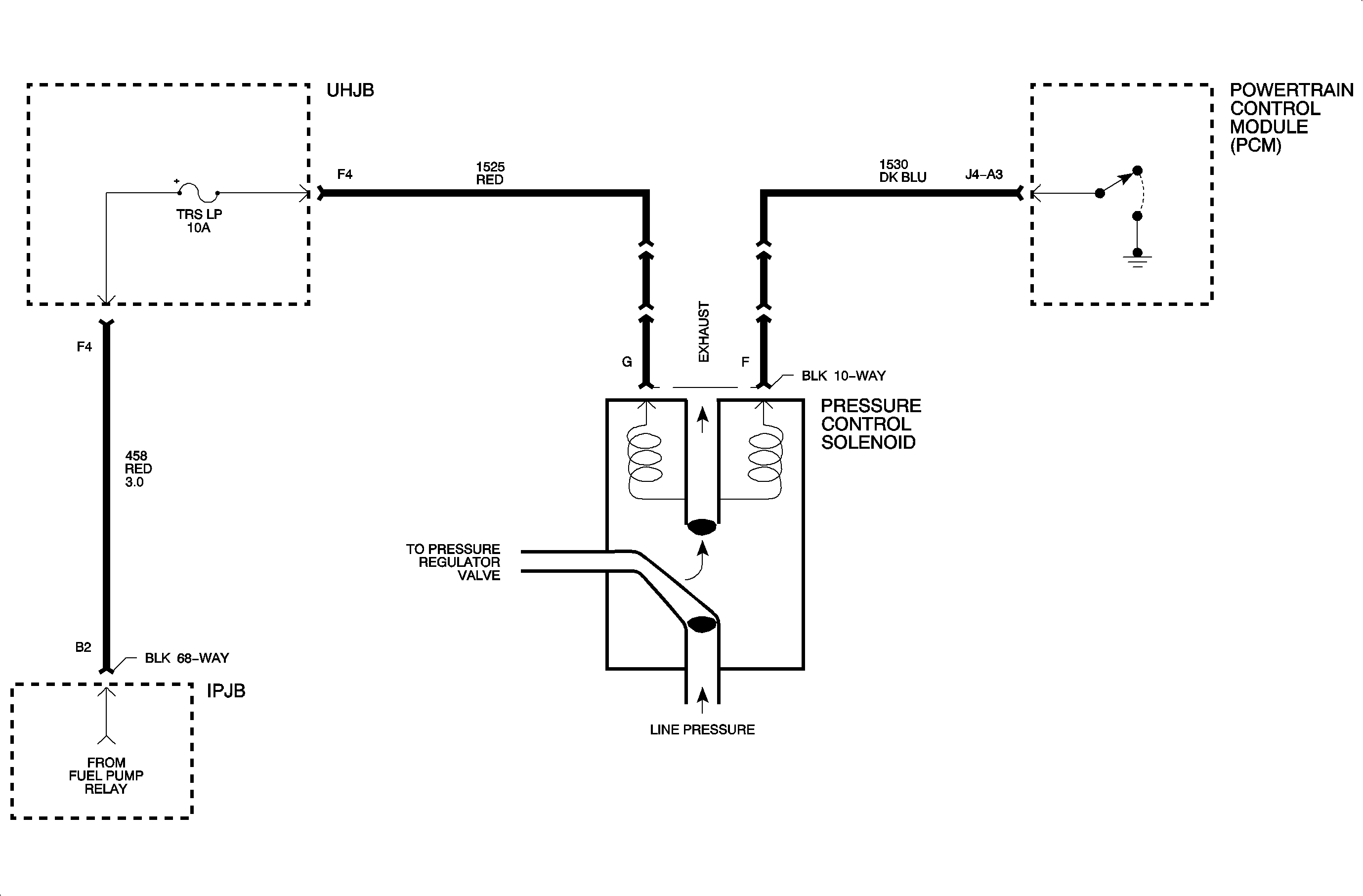
Circuit Description


Object Number: 902633  Size: MF

During normal driving modes, the PCM/TC adapts line pressure to prevent clutch slip and harsh shifts. This is accomplished by modulating the pressure control solenoid ground, 1530, to raise or lower pressure. An open circuit equals high pressure. A grounded circuit equals low pressure. If the time required to make all shifts is too short and line pressure has been commanded low, it is determined that the actual line pressure is too high.

Conditions for Setting the DTC

DTC P0748 is set when the PCM has detected the following conditions for more than 5 shifts:

    • Upshift pressure adaptive error is less than 112 which indicates over pressure. This condition must still exist after the up shift pressure adaptives have reached the lower limit. Low limit equals 0.288 kPa.
    • Low load, low command pressure
    • Transaxle fluid temperature is above 40°C (104°F).

Test Description

Numbered steps below refer to numbered steps on the chart.

  1. Check for DTCs P0702, P0746, P0747, or P0749. They must be eliminated first as a possible cause of a DTC P0748.
  2. Check the solenoid operation. Use the solenoid quick check in the test section located at the end of the DTC charts. The solenoid quick test will PWM the solenoids at a set rate. Listen and compare noise of the TFP solenoid to that of other solenoids. The noise of all should be similar.
  3. Important: To check solenoid operation, command the solenoid quick test using the scan tool.

  4. Check the pressure regulator valve operation. Use the pressure test in the test section at the end of the DTC charts. Make sure the pressure increases in correct increments during the pressure test. If the pressure changes erratically or move in large increments, the pressure regulator valve is probably sticking.
  5. If little or no pressure change, the regulator valve is stuck. To verify, test for minimum and maximum oil pressure per oil pressure specification in the test section at the end of the DTC charts.

Repair Verification

Monitor the DTC menu Code Status for Pass Since Code Clear and Pass This Ignition Cycle. When both have passed, the repair is verified.

Criteria for pass:

    • The engine is running.
    • Power is present at the solenoids and no active faults exist for this solenoid.

Diagnostic Aids

    • When the PCM detects a fault in the circuit, an open, ground, or short, the PCM will open the circuit internally to protect the circuit.
    • There could be a hot or cold only condition. If the condition is intermittent, try to reproduce the DTC by checking the malfunction history table with the scan tool to see at what temperature the DTC will set and reproduce the conditions.
    • This DTC may set or intermittent harsh upshifts may be caused by a poor electrical connection at either the PCM, solenoid connector plate, or UHJB terminals. Wiggling the connectors while performing an actuator quick test may isolate the problem area.

Object Number: 903070  Size: FP