GM Service Manual Online
For 1990-2009 cars only
Makes
🢒
Saturn
🢒
2002
🢒
SL2/SC2
🢒
Body and Accessories
🢒
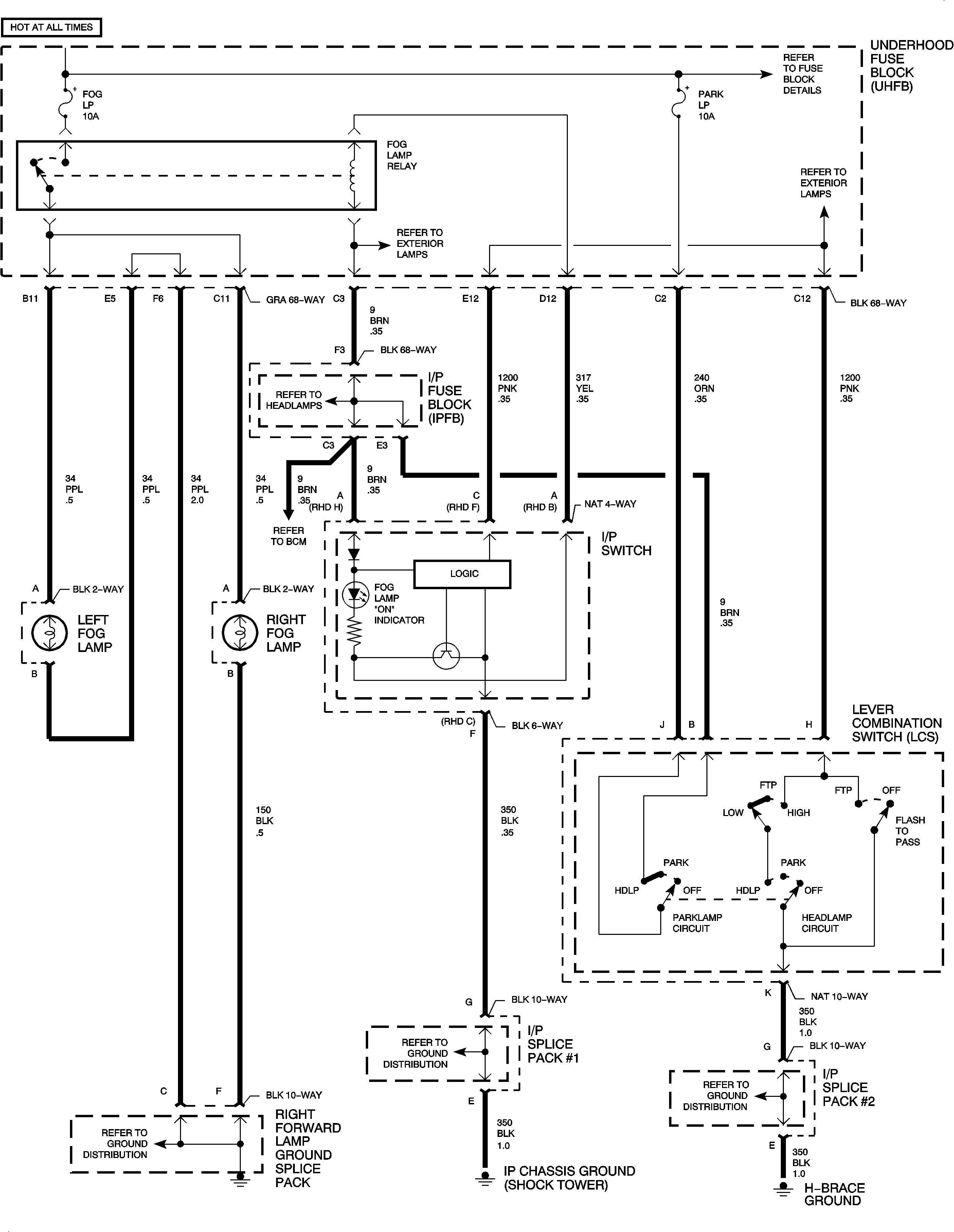
Lighting Systems
🢒 Fog Lights Schematics