GM Service Manual Online
For 1990-2009 cars only

MIL Service Engine Soon Telltale On with DTCs P0340 and/or P0341, Cam Sensor Circuit Performance

Subject:(MIL) SERVICE ENGINE SOON Telltale On with Diagnostic Trouble Codes (DTCs) P0340 and/or P0341, Cam Sensor Circuit Performance (Diagnose and Repair as Necessary using Updated Diagnostic Information Contained in this Bulletin) This bulletin has been revised to incorporate the ignition coil assembly (P/N 1616773) as a service part and supercedes bulletin 98-T-49, which should be discarded.

Models:1996-1998 Saturn S-Series vehicles



Condition

Vehicle may experience the (MIL) SERVICE ENGINE SOON telltale On with DTCs P0340 and/or P0341.

Cause

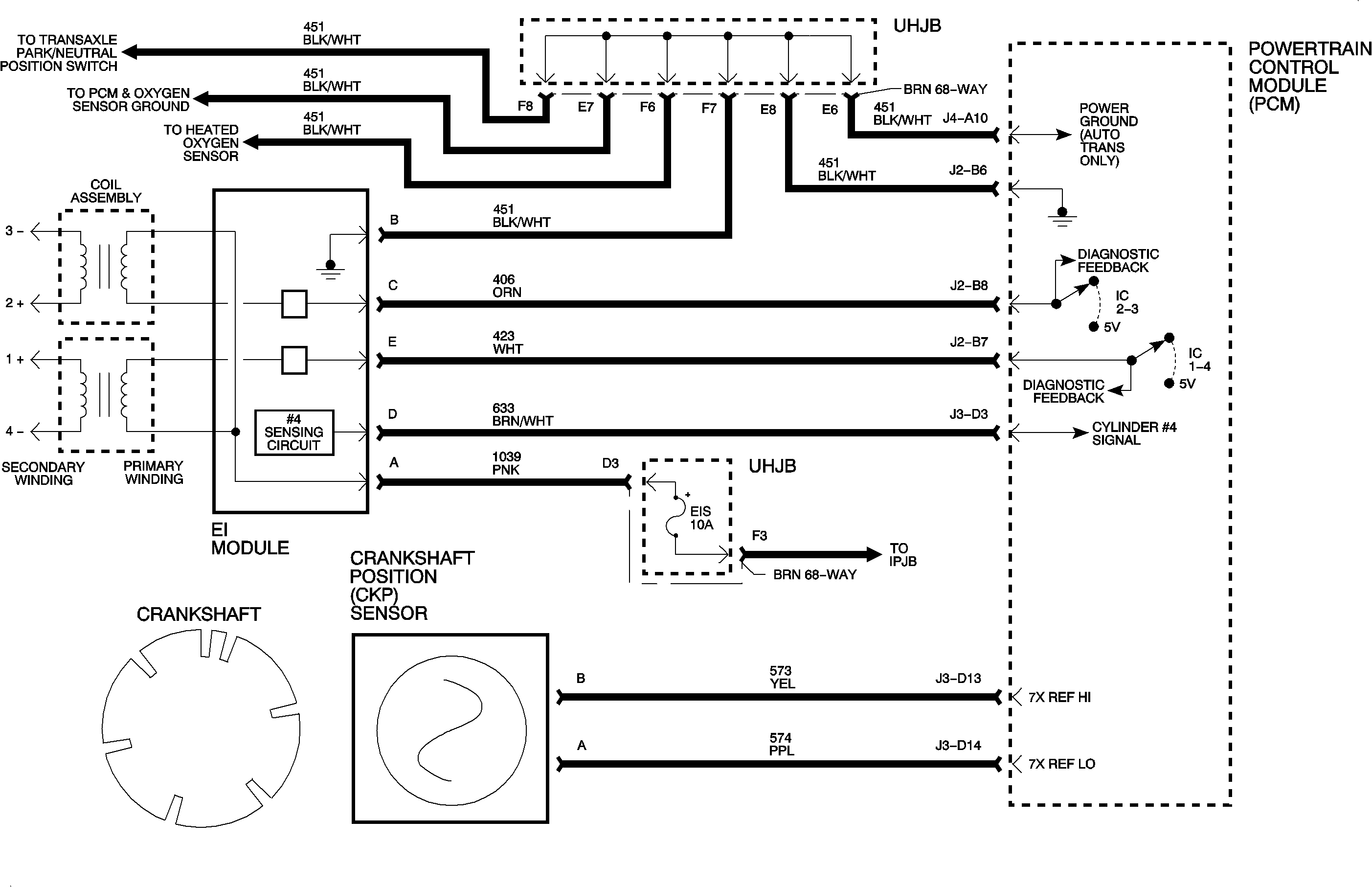
DTCs P0340 and P0341 may be caused by incorrect resistance in the secondary ignition system. This incorrect resistance can cause the EI Module to incorrectly signal the cam position to the PCM.

Correction

The diagnostic information for DTCs P0340 and P0341 has been updated to included inspection of various secondary ignition components.


Object Number: 886114  Size: MF

CMP SENSOR CIRCUIT PERFORMANCE (Chart 1 of 2)

For complete description of circuit operation, refer to Circuit Description on page 6 of this bulletin.

DIAGNOSTIC AIDS

Important: A cam pulse signal error may not effect engine operation.

    • Inspect EI module coil towers and plug wire connections for corrosion or other signs of poor retention at connections.
    • Wire resistance 1.5k to 15k ohms.
    • Wire positioning on coils 4-1-2-3.
    • Coil pack secondary resistance (tower-to-tower) 8K-15K ohms
    • Spark plug gap 1.0 mm (.040 in.)
    • Check connector at EI Module using gray male adapter (from connector test adapter kit J-35616A) to ensure a good mechanical connection at terminal D, circuit 633. Repair if needed.

Notes on Diagnostic Chart 1:

  1. This test measures the resistance of both spark plug wires, ignition coil, and the connections made between the coil towers and spark plug wires.
  2. Carbon tracing on the spark plug porcelain insulator could easily be confused with darkened dielectric grease. To distinguish grease from carbon tracking, clean the spark plug insulator with a rag and solvent such as Saturn Brake and Choke Cleaner (P/N 21007432). Carbon tracking produces gray-black lines that cannot be removed from the insulator.
  3. Important: After saltwater spray test is complete, engine compartment must be rinses thoroughly with clean water.

  4. Use a 10 percent saltwater solution for best results. Start misting the EI module and spark plug terminals at the EI module first, then mist each spark plug wire from the EI module to the plug.
  5. flow chart missing


Object Number: 886114  Size: MF

CMP SENSOR CIRCUIT PERFORMANCE (Chart 2 of 2)

For complete description of circuit operation, refer to Circuit Description on page 6 of this bulletin.

DIAGNOSTIC AIDS

Important: A cam pulse signal error may not effect engine operation.

    • Inspect EI module coil towers and plug connections for corrosion or other signs of poor retention at connections.
    • Wire resistance 1.5K to 15K ohms.
    • Wire positioning on coils 4-1-2-3.
    • Coil pack secondary resistance (tower-to-tower) 8K-15K ohms
    • Spark plug gap 1.0 mm(040 in.)
    • Check connector at EI Module using gray adapter (from connector test adapter kit J-35616A)

Notes on Diagnostic Chart 2:

  1. If this test is performed without a full power down of the PCM, voltage readings may not be accurate.
  2. The PCM produces a 5 volt signal that is pulled to ground less than 50% of the time. Therefore, the voltage displayed on the voltmeter should be approximately 3 volts (in the range of 2.0 to 4.0 volts). This reading will vary on the voltmeter display.
  3. flow chart missing


Object Number: 886114  Size: MF

The cam signal is a 5 volt signal (circuit 633) that is pulled to ground to inform the PCM that #4 cylinder has fired on compression. A much higher voltage is needed to fire a cylinder that is on the compression stroke. The EI module monitors this firing voltage on the #1--4 coil to determine if cylinder #1 or cylinder #4 is firing. This signal, along with the double pulse received from the CKP sensor, synchronizes fuel timing.

Under normal operation, the 7X (CMP RESYNC) COUNTER continuously counts the notches in the crankshaft as it rotates, and resets to zero each time the CMP sensor detects the #4 cylinder firing. Therefore, the 7X (CMP RESYNC) COUNTER should continuously count from 0 to 14 with each two crankshaft revolutions. If the cam signal is missing, the 7X COUNTER will count to 255 and stay fixed and P0340 will set. If the cam signal is present too often, the counter will not reach 14 and a P0341 will set.

If the ignition secondary (coil, pair of spark plugs wires) has incorrect resistance, open or corrosion in the circuit that influences firing voltage, the EI module can incorrectly interpret these voltages and cause codes P0340 and/or P0341 to set.

Procedures

  1. Remove corrosion from EI module coil tower terminals using a 3M Scotch-Brite fiber pad or equivalent. Do not use any solvents or cleaners to aid in corrosion removal. Do not contact or scratch the plastic sealing surfaces below the terminal. If the coil tower terminals are damaged by corrosion or pitting, replace coil.
  2. Replace corroded spark plug wire(s) with new service spark plug wires. Add a liberal amount of dielectric grease to the coil tower terminals before installing new spark plug wires.
  3. Test to endure a positive "click" noise is heard when seating the spark plug wire on the terminal. If a positive seating and "click" noise is not obtained after cleaning.

Parts Requirement

DOHC (LL0) Engines

21024465

Wire Asm - Splg (Cylinders 1 & 4)

21024466

Wire Asm - Splg (Cylinder 2)

21024467

Wire Asm - Splg (Cylinder 3)

SOHC (L24) Engines

21024472

Wire Asm - Splg (Cylinders 1 & 4)

21024473

Wire Asm - Splg (Cylinder 2)

21024474

Wire Asm - Splg (Cylinder 3)

All Engines

21024473

Module Asm - Elec Ign Cont

16167763

Coil Asm - Ign

Important: On 1996 vehicles, if spark plugs are replaced, and vehicle was equipped with 0.060 in gap plugs, all four spark plugs and "Vehicle Emissions Control Information Label" must be replaced. Refer to Technical Information Bulletin 96-T-25, "Engine Cranks but will not Start, or Engine Stalls Immediately After Start Followed by Extended Cranking, and/or Ignition Misfire Resulting in DTCs P0300, P0301, P0302, P0303, P0304."

Claim Information

To receive credit for this repair during the warranty coverage period, submit a claim through the Saturn Dealer System for one of the following depending on repair performed:

Case Type

Description

Labor Operation Code

Time

VW

Wires, Spark Plug - Replace one or two

J4206

0.3 hrs

Add:

A. To replace all spark plug wires

0.1 hrs

VW

Module, Electronic Ignition (DIS) - Replace

J4343

0.6 hrs

Add:

A. To replace all spark plug wires

0.1 hrs

VW

Coil, Electronic Ignition Module - Replace

J4345

--

Add:

A. To replace each additional coil

0.2 hrs

B. To replace all spark plug wires

0.1 hrs