GM Service Manual Online
For 1990-2009 cars only

Automatic Transaxle Air Checking Procedures

Subject:Service Information Regarding Automatic Transaxle Air checking Procedures

Models:1991 - 1997 Saturn S-Series vehicles equipped with MP6 or MP7 automatic transaxles



Purpose

When diagnosing a shift ability concern that involves a possible hydraulic leak in a clutch circuit, it may be necessary to perform an air check. This bulletin provides detailed information for use when an air check is required to help in determining the source of any leakage that may exist. The information in this bulletin is contained in the 98-99 and 2000 Automatic Transaxle Service Manuals.

Procedures:

Caution: PROTECT YOURSELF BY WEARING SAFETY GLASSES WHEN PERFORMING THE PROCEDURES IN THIS BULLETIN.

Important: All electrical Diagnostic Trouble Codes (DTCs) should be diagnosed and repaired before diagnosing or verifying proper hydraulic operation with an air check. This is necessary since many electrical DTCs may in turn set DTCs related to hydraulic operation.

For example, DTC 0758 - Transaxle 2nd Gear Actuator Shorted to Voltage, may cause a DTC - Transaxle 2nd Gear to set even though there is nothing wrong with the 2nd clutch hydraulic circuit. Also, when numerous DTCs are set, consult the appropriate year automatic transaxle service manual to determine which DTC to diagnose first. For example, a DTC P0783 may cause a P0732, P0733, and P0741 to set. Repairing the cause of DTC P0783 will also correct the cause of DTCs P0732, P0733, and P0741.


Object Number: 873390  Size: FP

BEFORE YOU BEGIN:

    • Regulate the shop air to between 552-689 kPa (80-100 psi). Pressure less than 552 kPa (80 psi) or higher than 689 kPa (100 psi) may lead to mis-diagnosis.
    • Inspect rubber tipped nozzle on blow gun to verify that it is in good condition.

CLUTCH AIR CHECK PROCEDURE:

  1. Remove the valve body according to procedures in the appropriate model year Automatic Transaxle service manual.
  2. Place rubber tipped nozzle in the proper apply port according to illustration on page 2. Press firmly to create a good seal between the nozzle and the apply port.
  3. Important: A small amount of air bubbles coming from the lube holes of the clutch housing that is being air checked is normal.

  4. Apply air to the hydraulic circuit. Watch and listen for a quick apply of the clutch being checked.
  5. After the clutch has been applied, continue to hold the air nozzle tightly against the port to form a seal, and release the trigger on the air nozzle. While the air nozzle is still held tightly against the port, the clutch should hold pressure for approximately 1-2 seconds before slowly releasing.
  6. Important: If no air leak at the clutch can be found, the leak is most likely not a cut/torn clutch piston, but is more likely one of the other potential causes listed below in the section for the appropriate clutch in question.

  7. Listen and look for leaks.

PRESSURE PORTS - AIR CHECK

To air check a clutch, apply compressed air to the corresponding pressure port with a rubber nozzle air gun.

WHEN CHECKING:

APPLY PRESSURE TO:

1st Clutch

1st Clutch Apply Pressure Port

2nd Clutch

2nd Clutch Apply Pressure Port

3rd Clutch

3rd Clutch Apply Pressure Port

4th Clutch

4th Clutch Apply Pressure Port

Forward/Reverse Servo Piston

1. Plug off rev pressure from fwd/rev servo to 2nd clutch solenoid pressure port. 2. Place rag over 1st, 3rd and 4th oil to servo piston to avoid spray. 3. Apply air pressure to the rev pressure to fwd/rev servo piston pressure port.


Object Number: 873431  Size: FP

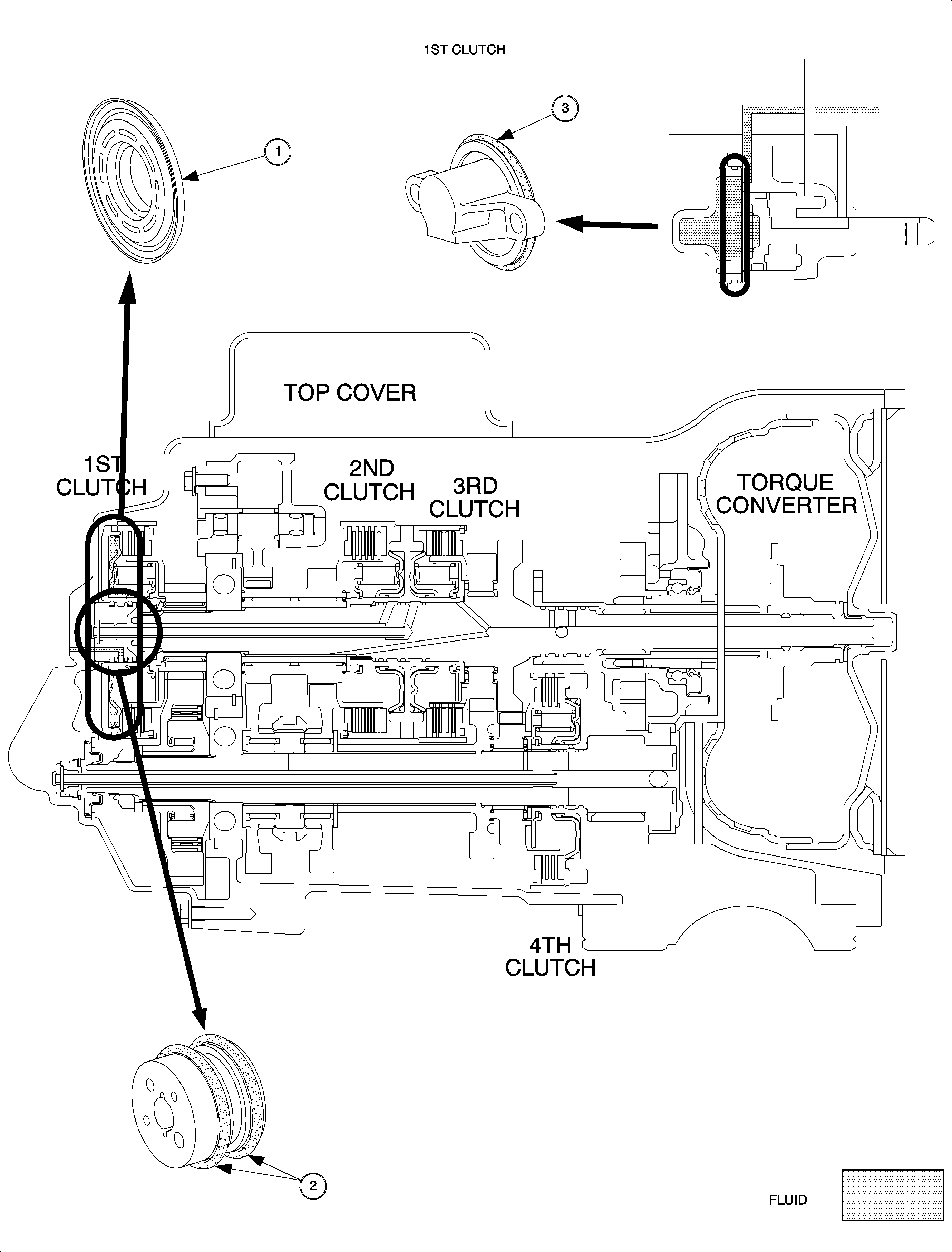
1st Clutch Hydraulic Circuit Air Check:

To air check the 1st clutch hydraulic circuit, apply air to the 1st clutch apply pressure port (refer to page 2 for proper location). The 1st clutch plates cannot be watched for proper apply because they are hidden by the transaxle cover. When applying first clutch, watch for the input shaft to move slightly, indicating the clutch has applied. Also, listen for a quick "clunk" sound to verify that the using air check fixture tool (P/N SA9147T).

Important: A large leak in 1st gear circuit can cause a loss of other forward gears.

If 1st clutch does not apply properly when performing the air check, possible sources of leakage include:

    • Damaged 1st clutch piston. 1
    • Worn or damaged input shaft hub seal ring(s). 2
    • Damaged servo piston seal ring.

Object Number: 873449  Size: FP

Object Number: 873453  Size: FP

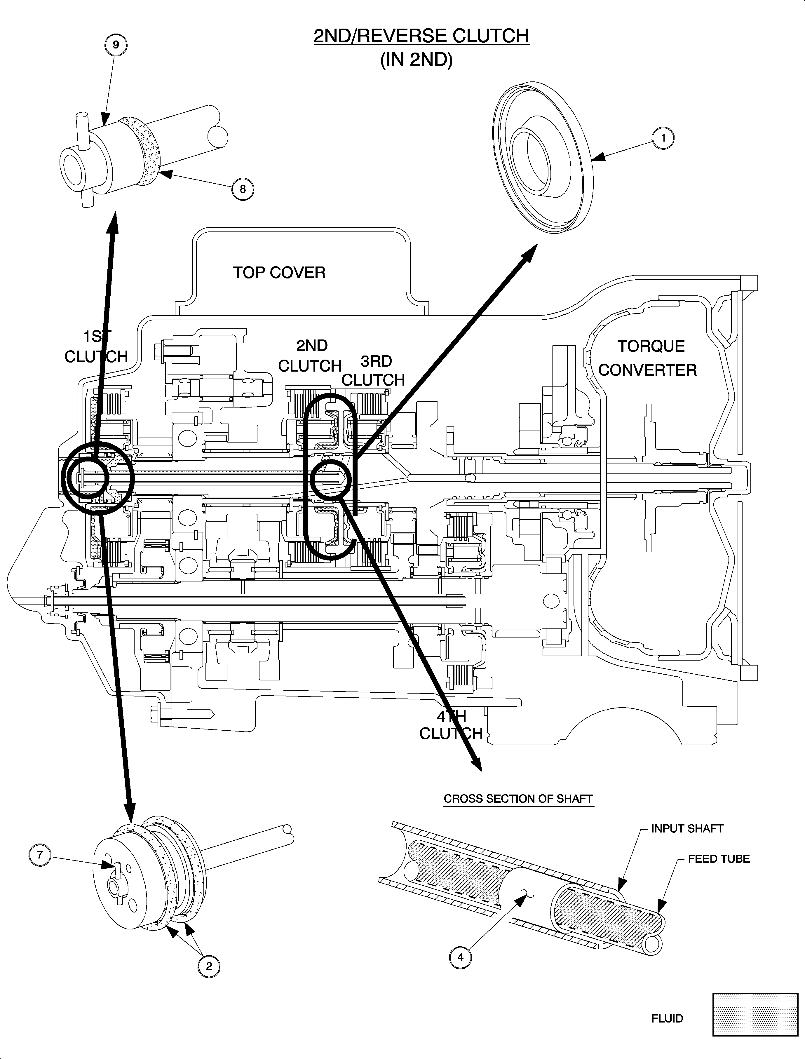
2nd/Rev Clutch Hydraulic Circuit Air Check:

To air check 2nd clutch hydraulic circuit, apply air to 2nd clutch apply pressure port (refer to page 2 for proper location). When applying air to 2nd clutch a small amount of cross leakage between 2nd and 3rd clutch is normal and can cause 3rd clutch to apply within 2-3 seconds if 3rd clutch apply pressure port is blocked. This is due to a small amount of leakage around the input shaft feed tube bushing which is located between 2nd and 3rd clutch.

If 2nd clutch does not apply properly when performing the air check, possible sources of leakage include:

    • Damaged 2nd clutch piston. 1
    • Worn or damaged input shaft hub seal ring(s). 2

       Important: If air/bubbles are observed coming from the lube port when the 2nd clutch apply port is pressurized, this may be an indication that the input shaft nut is loose or not properly seated.

    • Input shaft nut not torqued proper/not fully seated. 3

       Important: To verify that the bushing is at the correct depth, refer to the procedure titled "Misplaced or Loose Input Shaft Inner Tube Bushing Check" in the Automatic Transaxle Service Manual.

    • Delivery tube bushing in input shaft mislocated or loose. 4
    • Damaged clutch housing to input shaft O-ring under 2nd clutch. 5
    • Damaged clutch housing to input shaft O-ring seal between 2nd and 3rd clutches. 6
    • Input shaft inner tube retaining pin out of position or missing. 7
    • Damaged input shaft inner tube O-ring seal. 8
    • Damaged or missing delivery tube sleeve. 9

       Important: For detailed information on delay/harsh engagement into reverse, refer to the "Delay/Harsh Engagement Into Reverse Diagnostic Chart" in the Automatic Transaxle Service Manual.

If the complaint is reverse, inspect the forward/reverse servo piston following the procedures below in addition to the 2nd/Rev Clutch hydraulic circuit mentioned above.

  1. Plug off the reverse pressure from the forward/reverse servo to 2nd clutch apply port.
  2. Place a rag over 1st, 3rd, and 4th oil to servo piston port to avoid spray.
  3. Caution: AS PRESSURE IS APPLIED TO THE REVERSE PRESSURE TO FORWARD/REVERSE SERVO PISTON PRESSURE PORT, AIR PRESSURE WILL CAUSE A SPRAY-BAC OF OIL OUT OF THE 1ST, 3RD, AND 4TH OIL-TO-SERVO PISTON PORT. IN THE EVENT OF HOT TRANSAXLE OIL, THIS COULD RESULT IN PERSONAL INJURY.

  4. Apply pressure to the reverse pressure to forward/reverse servo piston pressure port.
  5. When the following the above procedures, the forward/reverse servo piston should move, pulling the fork toward the reverse driven gear. If the forward/reverse servo piston does not apply properly, inspect for:

    • Damaged forward/reverse servo piston cover O-ring. (10)
    • Damaged forward/reverse servo piston seal. (11)

Object Number: 873493  Size: FP

Object Number: 873492  Size: FP

3rd Clutch Hydraulic Circuit Air Check:

To air check 3rd clutch hydraulic circuit, apply air to 3rd clutch apply pressure port (refer to page 2 for proper location). When applying air to 3rd clutch, a small amount of cross leakage between 3rd and 2nd clutch is normal. Second clutch should not immediately apply when applying air to 3rd clutch apply port, while blocking the 2nd clutch apply port. However, it is normal for 2nd clutch to apply within 2-3 seconds after applying air to the 3rd clutch apply port when the 2nd clutch apply port is blocked. This is due to a small amount of normal leakage around the input shaft feed tube bushing between the 2nd and 3rd clutch.

If 3rd clutch does not apply properly when performing the air check, possible sources of leakage include:

    • Damaged 3rd clutch piston. 1

       Important: To verify that the bushing is at the correct depth refer to the procedure titled "Misplaced or loose input shaft inner tube bushing check procedure" in the Automatic Transaxle Service Manual.

    • Delivery tube bushing in input shaft mislocated or loose. 3
    • Damage clutch housing to input shaft O-ring seal under 3rd clutch. 4
    • Damaged clutch housing to input shaft O-ring seal between 3rd and 2nd clutches. 5
    • Damage input shaft inner tube O-ring seal. 6
    • Damaged or missing delivery tube sleeve. 7

Object Number: 873495  Size: FP

Object Number: 873496  Size: FP

4th Clutch Hydraulic Circuit Air Check:

To air check 4th hydraulic circuit, apply air to the 4th clutch apply port (refer to page 2 for proper location).

If 4th clutch does not apply properly when performing the air check, possible sources of leakage include:

    • Damaged 4th clutch piston seal. 1
    • Damaged/missing delivery tube sleeve. 2
    • Damaged clutch housing to output shaft O-ring seal under 4th clutch. 3
    • Delivery tube bushing in output shaft mislocated or loose. 4
    • Output shaft tube retaining pin out of position. 5
    • Damage output shaft hub O-ring seals. 6
    • Damage output shaft tube seal ring. 7
    • Output shaft check ball missing. 9

Object Number: 873429  Size: FP

TCC Hydraulic Circuit Air Check:

The TCC circuit cannot be checked reliably using air with the exception of checking for a missing input shaft check ball 3 or checking for a leaking Teflon™ seal that separates lube from TCC disable 6.

Important: When applying air to the tube pressure port, a small amount of leakage will normally be observed coming from TCC disable and/or converter out. If a gross leak is observed, inspect for a missing input shaft check ball 3 or leaking Teflon™ seal that separates lube from TCC disable 4.

To check for a missing input shaft check ball 3 or a leaking Teflon™ seal that separates lube from TCC disable 4, regulate air pressure to 172 kPa (25 psi). Apply air to the lube port (next to TCC apply) and look for a significant amount of air coming from TCC disable or converter out ports.

Other sources of leaking in the TCC circuit, which cannot be detected with an air check include:

    • Damaged input shaft seal ring(s) between TCC disable and lube or converter out. 1, 4
    • Damaged input shaft to converter O-ring. 2