GM Service Manual Online
For 1990-2009 cars only

HORN ON INTERMITTENTLY W/O SWITCH INPUT, OR HORN INOP.

SUBJECT: HORN ON INTERMITTENTLY WITHOUT SWITCH INPUT, OR HORN INOPERATIVE (REPLACE HORN ASSEMBLY OR REPAIR WIRE CONNECTOR)

MODELS AFFECTED: 1997 SATURN VEHICLES BUILT BETWEEN AND INCLUDING VINS VZ235788 AND VZ314099

CONDITION: THE HORN MAY INTERMITTENTLY SOUND WITHOUT SWITCH INPUT OR THE HORN MAY BE INOPERATIVE.

CAUSE: THE CAUSE OF THE HORN INTERMITTENTLY SOUNDING WITHOUT SWITCH INPUT MAY BE MOISTURE INTRUSION INTO THE HORN CONNECTOR BODY, CAUSING A RESISTIVE SHORT CIRCUIT BETWEEN THE HORN CONNECTOR TERMINALS.

1. IF THE HORN IS INOPERATIVE AND THE 10 AMP HORN FUSE IS NOT OPEN, THERE MAY BE CORROSION ON THE HORN CONNECTOR TERMINALS CAUSING HIGHER THAN NORMAL CIRCUIT RESISTANCE.

2. IF THE HORN IS INOPERATIVE AND THE 10 AMP HORN FUSE IS OPEN, THE HORN MAY HAVE COME ON WITHOUT SWITCH INPUT FOR EXTENDED PERIODS OF TIME CAUSING THE 10 AMP HORN FUSE TO OPEN.

CORRECTION: REFER TO THE FOLLOWING PROCEDURES AND CHECK THE PART NUMBER ON THE HORN. IF NECESSARY, REPLACE THE HORN AND HORN CONNECTOR.

PROCEDURES

1. USING A MIRROR AND A FLASHLIGHT, OBTAIN THE PART NUMBER LOCATED ON THE HORN. *IF THE PART NUMBER ON HORN IS 21024006, PROCEED TO STEP 2 FOR HORN REMOVAL AND INSPECTION. *IF THE PART NUMBER ON HORN IS NOT 21024006, REFER TO "HORN" SECTION OF THE 1997 REVISED ELECTRICAL SERVICE MANUAL FOR FURTHER DIAGNOSIS.

IMPORTANT: WHEN REMOVING HEADLAMP HOUSINGS, BE CAREFUL NOT TO DISTURB HEADLAMP AIMING ADJUSTMENTS.

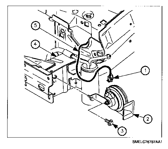
2. REMOVE LEFT FRONT HEADLAMP ASSEMBLY FROM VEHICLE. *ON COUPE, REMOVE THE TWO UPPER HEADLAMP ATTACHEMENT BOLTS AND REMOVE HEADLAMP. *ON SEDAN/WAGON REMOVE THE UPPER AND LOWER HEADLAMP ATTACHMENT BOLTS AND REMOVE HEADLAMP.

3. DISCONNECT HEADLAMP CONNECTORS AND TURN SIGNAL SOCKETS FROM HEADLAMP HOUSING.

4. DISCONNECT HORN CONNECTOR.

5. REMOVE HORN BRACKET TO SPACE FRAME ATTACHING BOLT AND REMOVE HORN.

6. VISUALLY INSPECT HORN [emsp ] FOR SIGNS OF CRACKS IN HORN CONNECTOR BODY OR IN HORN CONNECTOR BODY SEALANT. *IF HORN CONNECTOR BODY OR HORN CONNECTOR BODY SEALANT SHOW SIGNS OF CRACKING, OR THE CONNECTOR TERMINALS IN HORN SHOW SIGNS OF CORROSION, GO TO STEP 7. *IF HORN CONNECTOR BODY OR HORN CONNECTOR BODY SEALANT DO NOT SHOW SIGNS OF CRACKING, OR THE CONNECTOR TERMINALS IN HORN DO NOT SHOW SIGNS OF CORROSION, RE-INSTALL ORIGINAL HORN AND REFER TO "HORN" SECTION OF 1997 REVISED ELECTRICAL SERVICE MANUAL FOR FURTHER DIAGNOSIS.

--------------------- FIGURE 1 ---------------------

7. INSPECT VEHICLE HARNESS SIDE HORN CONNECTOR. *IF THE CONNECTOR AND HARNESS SHOW SIGNS OF CORROSION, REPLACE CONNECTOR ACCORDING TO "CONNECTOR REPLACEMENT" *IF THE CONNECTOR AND HARNESS DO NOT SHOW SIGNS OF CORROSION, GO TO STEP 8.

8. POSITION NEW REPLACEMENT HORN TO SPACE FRAME AND INSTALL ATTACHING BOLT.

9.RECONNECT VEHICLE HORN CONNECTOR.

10. RECONNECT HEADLAMP CONNECTORS AND TURN SIGNAL SOCKETS TO HEADLAMP HOUSING.

11. INSTALL LEFT FRONT HEADLAMP TO VEHICLE. *ON COUPE, POSITION HEADLAMP TO VEHICLE AND INSTALL TWO UPPER HEADLAMP ATTACHMENT BOLTS AND INSTALL HEADLAMP. TORQUE: 7 NM (61 IN-LBS) *ON SEDAN/WAGON, POSITION HEADLAMP TO VEHICLE AND INSTALL UPPER AND LOWER HEADLAMP ATTACHMENT BOLTS AND INSTALL HEADLAMP. TORQUE: 6 NM (53 IN-LBS)

CONNECTOR REPLACEMENT

IMPORTANT: TERMINAL B (CIRCUIT 28AA) AND TERMINAL C (CIRCUIT 150 HH) ARE BOTH BLACK IN COLOR. PRIOR TO CUTTING ORIGINAL CONNECTOR OFF, LABEL WIRES INDICATING PROPER CAVITY LOCATION TO ENSURE CORRECT REASSEMBLY.

1. DISCONNECT NEGATIVE BATTERY CABLE FROM BATTERY.

2. CUT WIRES BACK ABOUT 51-76 MM (2-3 IN.) FROM CONNECTOR TO REMOVE ANY CORROSION.

3. REMOVE 19 MM (3/4 IN.) OF INSULATION FROM WIRE ENDS ON WIRING HARNESS AND CONNECTOR KIT (P/N 21023592.) CAUTION MUST BE USED TO PREVENT CUTTING THE WIRE STRANDS. BEND THE STRIPPED PORTION IN HALF TO DOUBLE THE THICKNESS OF THE WIRE GOING INTO THE SPLICE SLEEVE. TWIST THE STRIPPED, DOUBLED WIRE AND INSERT INTO THE SALMON COLOR CRIMP AND SEAL SPLICE SLEEVE INCLUDED IN CONNECTOR KIT.

4. HAND CRIMP SLEEVE USING THE APPROPRIATE CRIMPING TOOL. GENTLY TUG ON WIRES TO MAKE SURE THEY ARE SECURE BEFORE APPLYING HEAT TO THEM.

---------------------------- FIGURE 2 ---------------------------- CAUTION: DO NOT USE MATCH OR OPEN FLAME TO APPLY HEAT TO SEAL.

5. APPLY HEAT USING ULTRATORCH(R) OR SOME OTHER DEVICE, HEATING TO 175 C (347îF) UNTIL GLUE FLOWS AROUND EDGES OF SLEEVE.

--------------------------- FIGURE 3 --------------------------- 6. CHECK FOR CONTINUITY IN THE WIRE.

7. RECONNECT NEGATIVE BATTERY CABLE.

8. CONTINUE WITH STEP 8 OF MAIN PROCEDURE IN THIS BULLETIN (PAGE 3).

PARTS REQUIREMENTS: 21024438 HORN ASSY 21023592 HORN CONNECTOR KIT

CLAIM INFORMATION:

TO RECEIVE CREDIT FOR THIS REPAIR DURING THE WARRANTY COVERAGE PERIOD, SUBMIT A CLAIM THROUGH THE SATURN DEALER SYSTEM AS FOLLOWS:

CASE TYPE DESCRIPTION LABOR OP TIME VW REPL HORN ASSY T9792 0.3

ADD REPL HORN CONNECTOR 0.2

FIGURES: 03 ATTACHMENTS: 00


Object Number: 484223  Size: MF


Object Number: 484225  Size: MF


Object Number: 484227  Size: MF

SATURN BULLETINS ARE INTENDED FOR USE BY PROFESSIONAL TECHNICIANS, NOT "DO-IT-YOURSELFER". THEY ARE WRITTEN TO INFORM THOSE TECHNICIANS OF CONDITIONS THAT MAY OCCUR ON SOME VEHICLES, OR TO PROVIDE INFORMATION THAT COULD ASSIST IN THE PROPER SERVICE OF A VEHICLE. PROPERLY TRAINE TECHNICIANS HAVE THE EQUIPMENT, TOOLS, SAFETY INSTRUCTIONS AND KNOW-HO TO DO A JOB PROPERLY AND SAFELY. IF A CONDITION IS DESCRIBED, DO NOT ASSUME THAT THE BULLETIN APPLIES TO YOUR VEHICLE, OR THAT YOUR VEHICLE WILL HAVE THAT CONDITION. SEE YOUR SATURN RETAILER FOR INFORMATION ON WHETHER YOUR VEHICLE MAY BENEFIT FROM THE INFORMATION.

COPYRIGHT 1998 SATURN CORPORATION. ALL RIGHTS RESERVED.