GM Service Manual Online
For 1990-2009 cars only

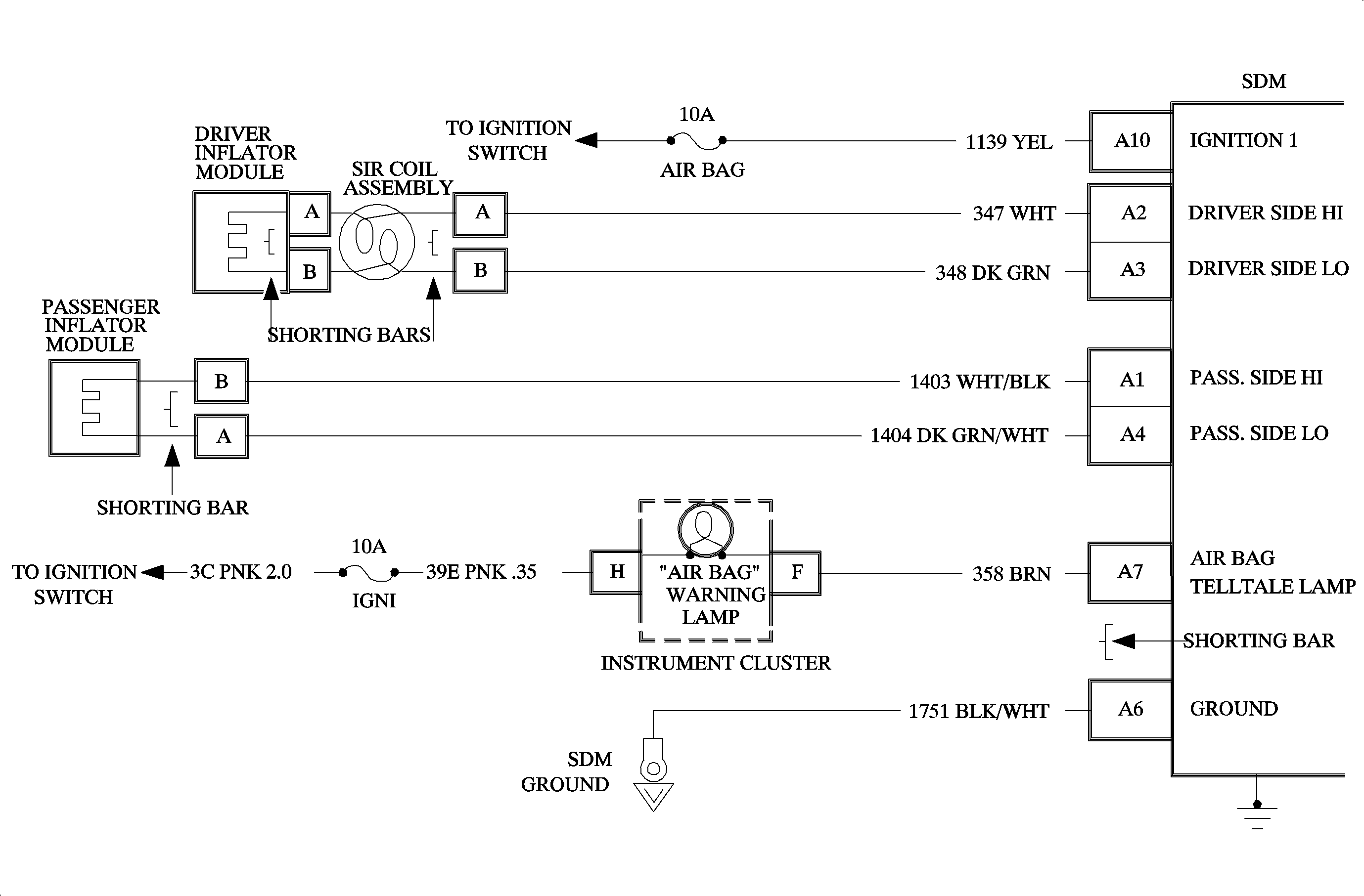
Object Number: 1207173  Size: MF

Circuit Description

When the ignition switch is first turned ON, battery voltage is applied to the AIR BAG telltale lamp and to the "Ignition 1" input terminal A10. The SDM responds by flashing the AIR BAG telltale lamp seven times alternating between the primary and redundant lamp drivers. The SDM monitors the primary lamp driver output by comparing the output state at "AIR BAG" terminal A7 to the microprocessor commanded state.

Conditions for Setting the DTC

"Ignition 1" voltage is above a specified value and the output state at the "AIR BAG" terminal A7 does not match the commanded state. This test is run every 100 milliseconds during "Continuous Monitoring" and "Current Source Diagnostics."

Action Taken When the DTC Sets

The SDM turns ON the AIR BAG telltale lamp and sets DTC B1061.

Conditions for Clearing the DTC

The malfunction is no longer occurring and the ignition switch is turned OFF, or a scan tool "Clear Codes" command is issued.

Diagnostic Aids

Refer to Charts B and C to diagnose AIR BAG telltale lamp circuit malfunctions.

Make sure the SDM harness connector and strain relief are assembled correctly. If they are not, the "AIR BAG" telltale lamp will come ON steady and DTC B1061 will remain current. Refer to illustration on facing page.

Test Description

When measurements are requested in this chart, use SA 91114NE DVM with the correct terminal adapter from SA 9206Z. When a check for proper connection is requested, refer to Intermittent and Poor Connections. When a wire connector or terminal repair is requested, use the proper repair parts and refer to Wiring Repairs .

Step

Action

Yes

No

1

Was the "SIR Diagnostic System Check" performed?

Go to Step 2

Go to SIR Diagnostic System Check

2

Important: Malfunctions within the AIR BAG telltale lamp circuitry will set this DTC. These malfunctions are addressed in the SIR Diagnostic System Check via Chart B and Chart C. Failure to properly perform the SIR Diagnostic System Check may result in misdiagnosis.

  1. Turn the ignition switch ON.
  2. Clear the SIR Diagnostic Trouble Codes.

Is DTC B1061 set?

Go to Step 3

Go to Step 4

3

  1. Turn the ignition switch OFF.
  2. Go to Chart A

--

--

4

Repeat the SIR Diagnostic System Check.

--

--


Object Number: 1207178  Size: SH