GM Service Manual Online
For 1990-2009 cars only
Makes
🢒
Saturn
🢒
1999
🢒
SL2/SC2/SW2
🢒
Restraints
🢒
SIR
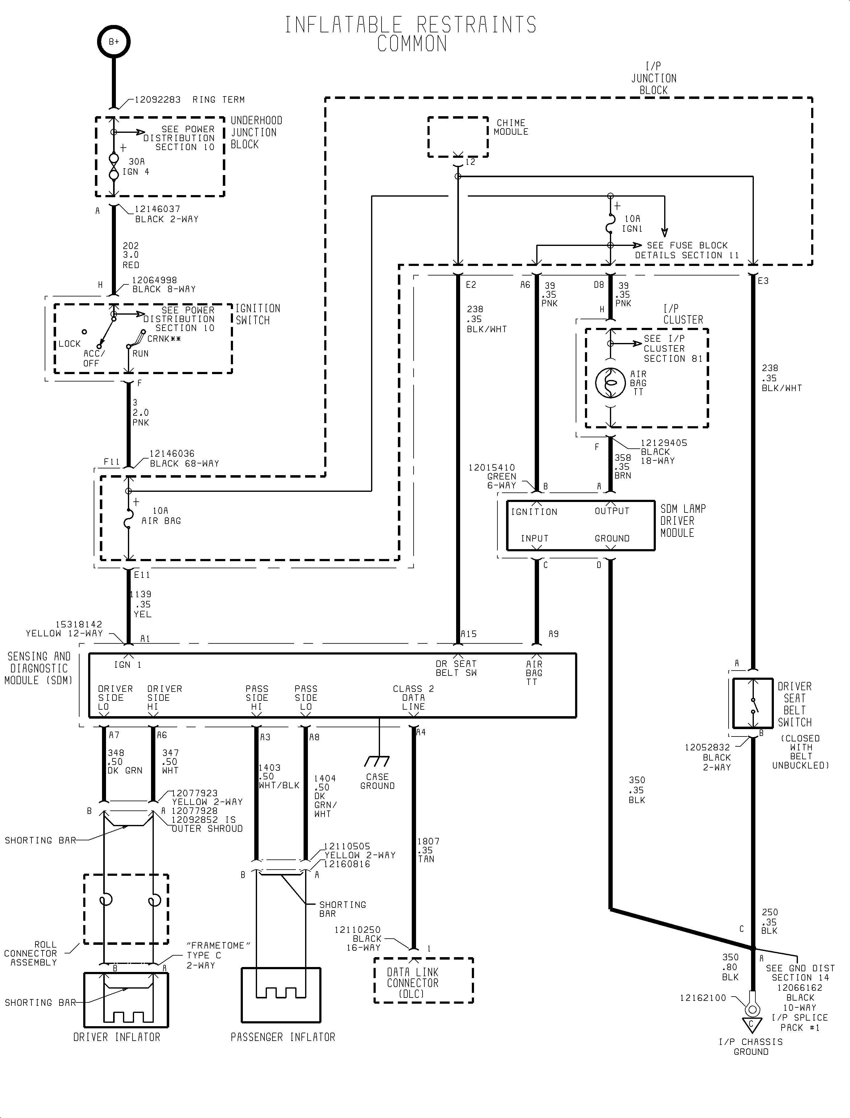
🢒 SIR Schematics
Supplimental Inflatable Restraints (SIR) (1999)