GM Service Manual Online
For 1990-2009 cars only
Figure 1:

Case, Valvebody and Related Components


Object Number: 874791  Size: FP
(8)Seal - Transaxle Fluid Filler Tube
(9)Bolt/screw - Transaxle Fluid Filler Tube
(10)Tube Assembly - Transaxle Fluid Filler
(11)Indicator Assembly - Transaxle Fluid Level
(12)Bolt/Screw - Valvebody Cover to Case
(13)Cover - Valvebody
(14)Gasket - Cover to Case
(15)Case - Transaxle
(16)Bolt/Screw - Transaxle Case to Housing
(17)Case - Transaxle
(20)Bolt/Screw - Transaxle Case to Housing
(21)Pin - Transaxle Case to Cover - Hollow Dowel
(25)Ring - Differential
(26)Seal Assembly - Front Wheel Drive Shaft - Case
(27)Retainer - Ring Axle Seal
(35)Ring - Output Shaft Lip Seal Retainer
(36)Seal - Output haft Lip
(37)Ring - Output Shaft Hub and Tube Retainer
(38)Seal - Output Shaft Hub - O-Ring
(39)Hub - Output Shaft Tube
(40)Seal - Output Shaft Tube - O-Ring
(41)Ring - Input Tube Seal
(42)Tube - Output Shaft
(43)Pin - Output Tube Retainer
(44)Bolt/Screw End Cover to Case
(45)Bolt/Screw - End Cover to Case
(46)Bolt/Screw Input Shaft Hub Assembly
(47)Cover Assembly - Transaxle End
(48)Gasket - End Cover to Case
(49)Gasket - Input Hub to End Cover
(50)Pin - Input Tube Retainer
(51)Tube - Input Shaft Inner
(52)Ring - Input Tube Seal
(53)Seal - Inner Tube - O-Ring
(54)Hub - Input Shaft Pilot
(55)Seal - Input Shaft Hub Ring
(62)Bolt/Screw - Transaxle Case to Housing
(63)Sensor Assembly - Input Speed
(65)Valve - Filter Bypass
(66)Filter Assembly - Transaxle Oil Pressure
(67)Tube - Transaxle Housing to Filter
(68)Sensor Assembly - Transaxle Fluid Temperature
(80)Gasket/Seal Kit - Transaxle
Figure 2:

Control Valve Assembly Components


Object Number: 873397  Size: FP
(1)Diverter - Actuator Retainer Exhaust
(2)Bolt/Screw - Valvebody Assembly
(3)Bolt/Screw - Control Body Assembly to Case
(4)Bolt/Screw - Valvebody Assembly - Dowel
(5)Bolt/Screw - C/Valvebody
(6)Bolt/Screw - Control Body Assembly to Case
(7)Seal - Line Press Reg Valve Sleeve - O-Ring
(8)Seal - Line Press Reg Valve Sleeve - O-Ring
(9)Seal - Line Press Reg Valve Sleeve - O-Ring
(10)Seal - Clutch Priority Valve Plug
(11)Bolt/Screw - Spring and Roller Assembly
(12)Spring and Roller Assembly - Manual Detent Valve
(13)Ball Check
(14)Spring - 1st Clutch Apply
(18)Valve - Manual
(19)Seal - Servo Apply Valve Retainer Plug
(20)Spring - 1st Clutch Exhaust
(21)Ball Check
(22)Gasket - Spacer Plate
(23)Plate - Spacer
(24)Ball Check
(25)Valve - Transaxle Control Solenoid
(26)Connector Assembly - Electrical Solenoid
(27)Gasket/Seal Kit - Transaxle
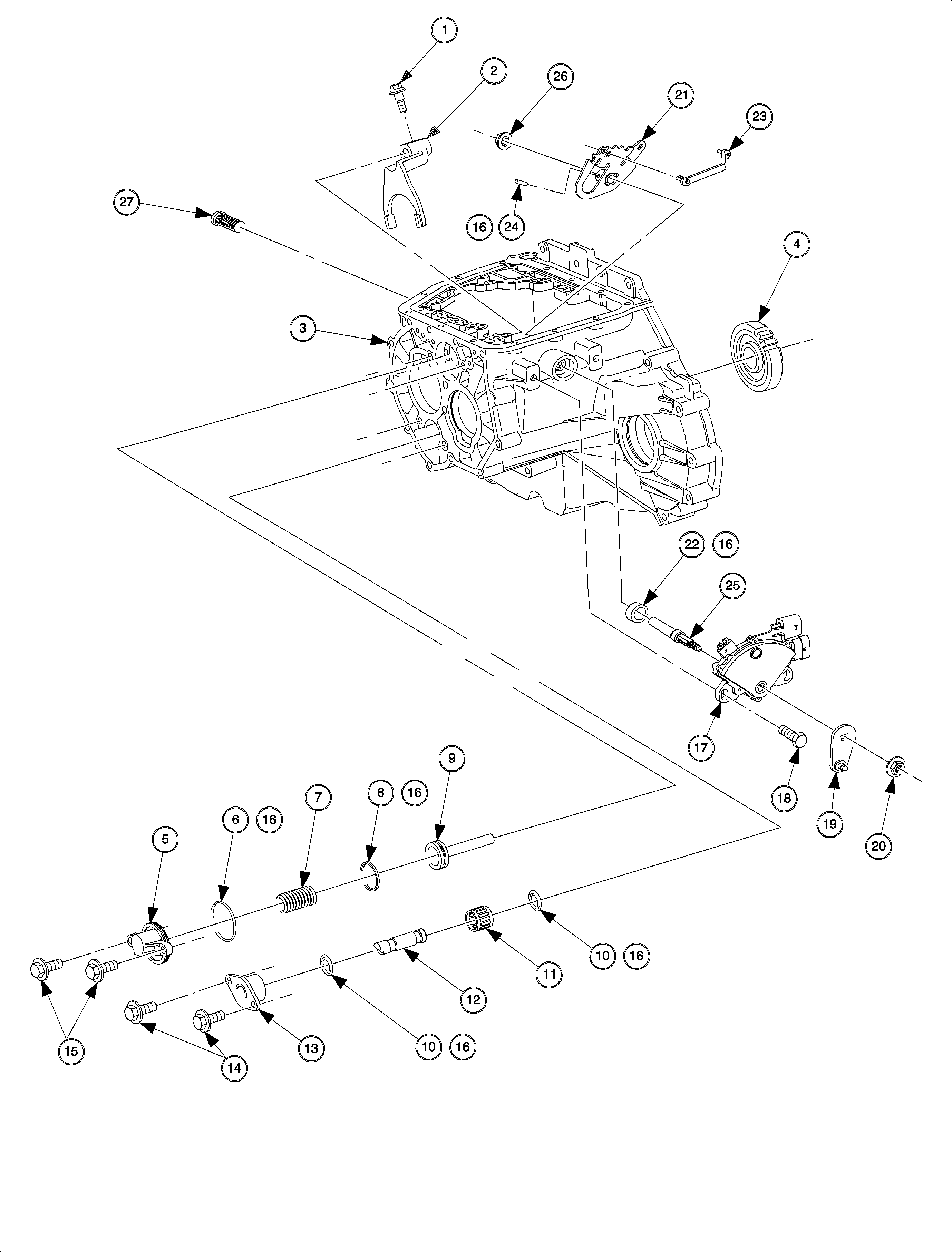
Figure 3:

Range Selection Components


Object Number: 874794  Size: FP
(1)Bolt/Screw - Fwd/Rev Servo Piston and Fork
(2)Fork - Fwd and Rev Shaft
(3)Case - Transaxle
(4)Gear - Rev Idler
(5)Cover - Fwd/Rev Servo Piston
(6)Seal - Fwd/Rev Servo Cover
(7)Spring - Fwd/Rev Servo
(8)Seal - Fwd/Rev Servo Piston
(9)Piston - Fwd/Rev Servo
(10)Spacer - Rev Idler Shaft
(11)Bearing Assembly - Rev Idler Gear
(12)Shaft -Rev Idler
(13)Cap - Rev Idler Shaft
(14)Bolt/Screw Rev Idler Cap to Case
(15)Bolt/Screw - Fwd/Rev Servo Cover to Case
(16)Gasket/Seal Kit - Transaxle
(17)Switch Assembly - Trans Range
(18)Bolt/Screw - Trans Range/Back Up Lamp Switch
(19)Lever Assembly - Transaxle Control
(20)Nut - Transaxle Control Lever
(21)Lever Assembly - Manual Shaft Detent
(22)Seal - Manual Shaft Lip
(23)Link - Manual Valve
(24)Pin - Manual Shaft Detent Lever
(25)Shaft Assembly - Manual Detent Lever
(26)Nut - Transaxle Control Lever
(27)Valve - Oil Filter Bypass
Figure 4:

Torque Converter Housing and Components


Object Number: 873403  Size: FP
(3)Bolt/Screw - Stator Shaft to Pump
(4)Shaft - Transaxle Stator
(5)Bolt/Screw - Pump and Shaft Assembly to Housing
(6)Seal - Oil Pump to Case
(7)Bolt/Screw - Pump and Shaft Assembly to Housing
(8)Pump and Stator Shaft Assembly - Oil
(9)Pin - Oil Pump to Housing - hollow Dowel
(10)Stud/Bolt - Engine/Transaxle
(11)Pin - Transaxle Case to Housing - Hollow Dowel
(12)Bolt/Screw - Converter Housing to Case
(13)Bearing Assembly - Converter Hub - All
(14)Retainer - Ring Converter Bearing
(15)Retainer - Ring Converter Hub Seal
(17)Converter Assembly -- Torque
(18)Nut Assembly - Transaxle Torque Converter
(19)Bolt/Screw - Flex Plate to Torque Converter
(20)Bolt/Screw - Flywheel Housing Cover
(21)Cover Assembly - Flywheel Housing
(22)Seal - Converter Pump Hub - O-Ring
(24)Seal Assembly - Converter Hub Lip
(25)Seal Assembly - Front Wheel Drive Shaft - Housing
(26)Sensor Assembly - Vehicle Speed
(27)Bolt/Screw - Engine/Transaxle
(28)Plug - Transaxle Fluid Drain
(29)Washer - Transaxle Fluid Drain Plug
(30)Housing Kit - Converter
(31)PAWL Assembly - Park
(32)Bolt/Screw - PAWL Assembly to Housing
(33)Rod - Park Lever Actuator
(38)Spring - Suction filter Support
(39)Filter Assembly - Transaxle Oil Suction
(40)Gasket/Seal Kit - Transaxle
Figure 5:

Input Shaft Assembly


Object Number: 873408  Size: FP
(1)Bearing Assembly - Reverse Drive Gear Thrust
(2)Gear and Hub Assembly - 2nd and Reverse
(3)Bearing - 2nd and Reverse Gear Caged Needle
(4)Race - 2nd and Reverse Gear Needle Bearing
(5)Bearing 2nd Gear Thrust - Fwd
(6)Washer - 2nd Gear Thrust
(7)Ring - Release Spring Assembly Retainer
(8)Spring and Retainer Assembly - Drive Clutch Retainer
(9)Ring - Drive Clutch Housing Retainer
(10)Plate - Clutch Backing
(11)Plate Assembly - Internal Tang
(12)Plate Assembly - External Tang
(13)Plate Assembly - Clutch Apply
(14)Piston Assembly - Drive Clutch
(15)Housing Assembly 2nd /Rev and 3rd Drive Clutch
(16)Seal - Input Shaft to Drive Clutch - O-Ring
(17)Washer - 2nd/Rev Gear and 3rd Drive Clutch Thrust
(18)Bearing Assembly - 3rd Drive Gear Thrust
(19)Gear and Hub Assembly - 3rd Gear
(20)Bearing Assembly - 3rd Gear
(21)Bearing - 3rd Drive Gear Thrust
(22)Seal - Input Shaft to Stator Shaft Ring
(23)Shaft Assembly - Input
(24)Gasket/Seal Kit - Transaxle
(25)Seal - Input Shaft to Converter - O-Ring
(27)Bearing Assembly - Stator Shaft - Needle
(28)Nut - Input Shaft Clamp
(29)Housing Assembly - 1st Drive Clutch
(30)Piston Assembly - 1st Drive Clutch
(31)Spring - 1st Clutch Apply
(37)Spring and Retainer Assembly - 1st Drive Clutch Retainer
(38)Ring - 1st Release Spring Assembly Retainer
(39)Washer - 1st Gear Thrust
(40)Bearing Assembly - 1st Gear Thrust
(41)Bearing Assembly - 1st Drive Clutch
(42)Gear and Hub Assembly - 1st Drive
(43)Washer - 1st Gear Thrust
(44)Bearing Assembly - Input Shaft
(45)Ring - Input Shaft Retainer
Figure 6:

Output Shaft Assembly


Object Number: 873414  Size: FP
(1)Washer - Reverse Gear Thrust
(2)Gear - Reverse Driven
(3)Bearing Assembly - Reverse Driven Gear
(4)Race - Reverse Driven Gear Bearing
(5)Sleeve - Fwd and Rev Dog Clutch
(6)Hub - Fwd and Rev Dog Clutch
(7)Gear - 2nd Driven
(8)Washer - 2nd Gear Thrust
(9)Spacer - 2nd and 3rd Driven Gear
(10)Gear - 3rd Driven
(11)Washer - 3rd Driven Gear
(12)Bearing Assembly - 4th Driven Gear Thrust
(13)Gear and Hub Assembly - 4th Driven
(14)Bearing Assembly - 4th Gear
(15)Washer - 4th Gear Thrust
(16)Spacer - 4th Driven Gear Clutch
(17)Ring - Release Spring Assembly Retainer
(18)Spring and Retainer Assembly - Drive Clutch Retainer
(19)Plate - Clutch Backing
(20)Plate Assembly - Internal Tang
(21)Plate Assembly - External Tang
(22)Plate Assembly - Clutch Apply
(23)Plate Assembly - Drive Clutch
(24)Housing Assembly - 4th Clutch and Park
(25)Seal - Shaft to 4th Gear Clutch Hub
(26)Shaft Assembly - Output Complete - 4.063 Ratio
(27)Race - Output Shaft
(28)Ring - Drive Clutch Housing Retainer
(29)Race - 2nd Gear Bearing
(30)Bearing Assembly - 4th Driven Gear Thrust - Fwd
(31)Gasket/Seal Kit - Transaxle
(32)Bearing Assembly - Output Shaft
(33)Nut - Output Shaft Assembly Clamp
(34)Washer - 1st Gear Thrust
(35)Gear - 1st Driven
(36)Bearing Assembly - 1st Gear
(37)Hub - 1st Driven Gear
(38)Clutch - Sprag
(39)Ring - Sprag Clutch Retainer
(40)Bearing Assembly - Output Shaft
(41)Ring - Output Shaft Retainer
Figure 7:

Differential Assembly


Object Number: 885047  Size: FP
(1)Differential Assembly - Case and Ring Gear
(2)Bearing Assembly - Differential
(3)Case Assembly - Differential
(4)Pin - Differential P/Gear Shaft Lock
(6)Liner - Differential Gear Thrust
(7)Gear Differential Pinion
(8)Gear - Differential Side
(9)Shaft - Differential P/Gear