GM Service Manual Online
For 1990-2009 cars only

Camshaft and Cylinder Head Inspection SOHC

Tools Required

SA9179NE Dial Indicator

Inspection Procedure


    Object Number: 871172  Size: SH
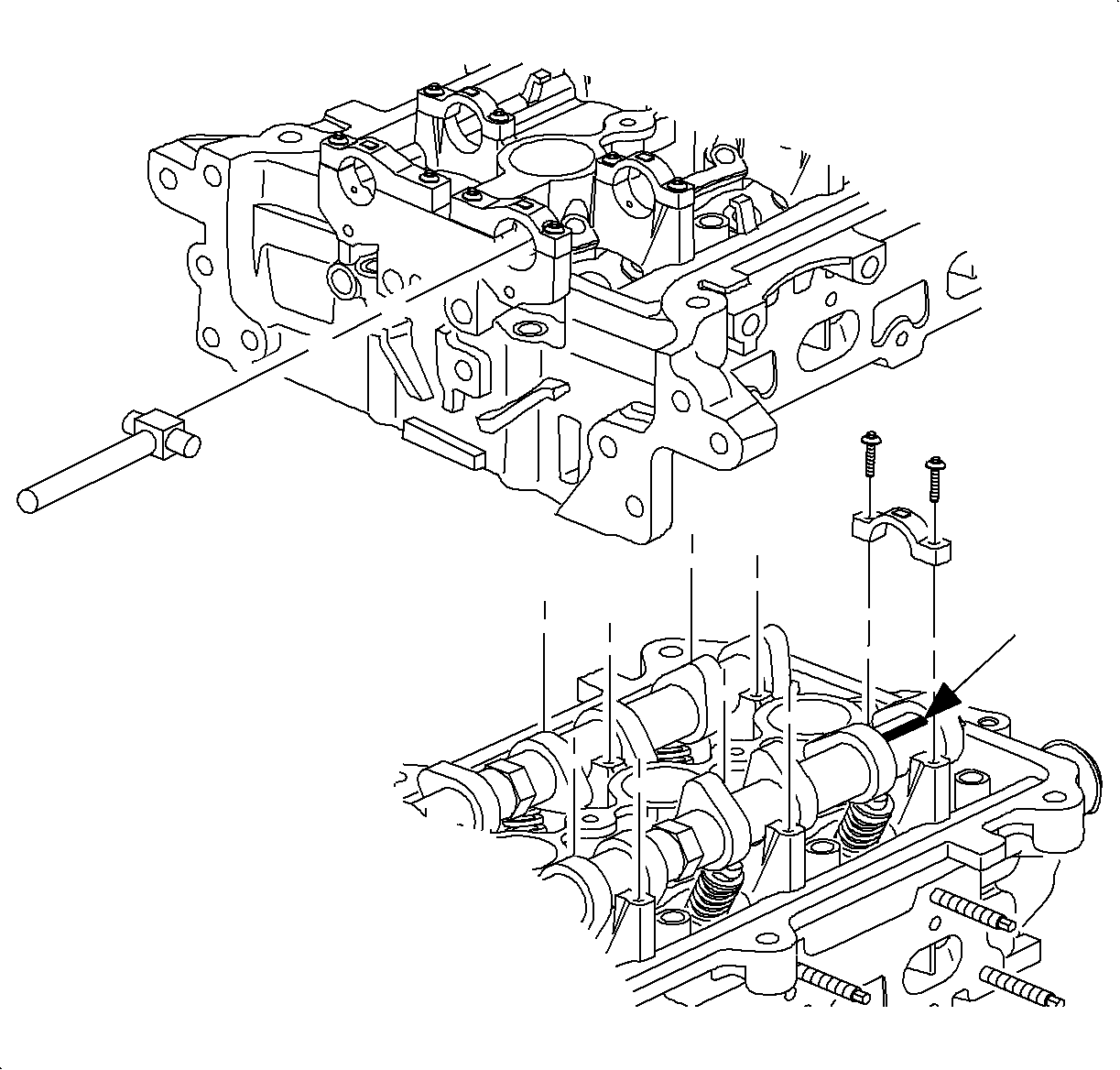
  1. Install camshaft and bearing caps. Refer to Cylinder Head Assembly procedure for additional detail.
  2. 1.1. Oil camshaft journals and install camshaft. Install the bearing caps with arrows on caps pointed toward camshaft sprockets, front of cylinder head.

            Important: Bolt threads should be lightly oiled prior to installation. Holes must be clean and free from oil and debris.

    1.2. Bolts must be pulled down uniformly.

    Tighten
    Tighten camshaft bearing cap-to-head (LL0) to 14 N·m (10 lb in)

    1.3. Camshaft should rotate freely. If the camshaft binds, check for burrs in the cylinder head and caps journals.

    Object Number: 871175  Size: SH
  3. Measure the camshaft thrust, end play. Using a SA9179NE or equivalent, measure the thrust clearance while moving each camshaft back and forth. If clearance is greater than maximum, replace the cylinder head or camshaft.
  4. Camshaft Thrust Clearance

        • Standard: 0.006-0.396 mm (0.0002-0.0156 in)
        • Service Limit: 0.45 mm (0.018 in) max
  5. Remove the camshafts from the cylinder head:
  6. 3.1. Remove the bearing caps.
    3.2. Remove each camshaft.

    Object Number: 871180  Size: SH
  7. Inspect camshaft bore for flatness. Using a precision straight edge and feeler gauge, measure the surfaces contacting the camshaft for warpage. If warpage is greater than maximum, replace the cylinder head.
  8. Maximum Warpage

        • Standard: 0.05 mm (0.0020 in) max
        • Service Limit: 0.075 mm (0.003 in) max

    Object Number: 876883  Size: SH
  9. Inspect camshaft:
  10. Place the camshaft ends in V-blocks and, using a dial indicator or service tool SA9179NE or equivalent, measure the total runout at the center journal. If the runout is greater than maximum, replace the camshaft.
  11. Circle Total Runout

        • Standard: 0.080 mm (0.003 in) max
        • Service Limit: 0.120 mm (0.0047 in) max

    Object Number: 876889  Size: SH
  12. Using a dial indicator, measure the cam lobe lift rise. Place the camshaft in V-blocks located next to the lobe being measured.

  13. Object Number: 874410  Size: SH
  14. If the cam lobe lift/rise is less than minimum, replace the camshaft.
  15. Cam Lobe Lift Rise

        • Standard: 5.183-5.263 mm (0.2042-0.2074 in) max
        • Service Limit: 5.133 mm (0.203 in) max

    Object Number: 876896  Size: SH
  16. Using a micrometer, measure the journal diameter.
  17. Journal Diameter

        • Standard: 26.950-26.970 mm (1.0638-1.0648 in) max
        • Service Limit: 26.925 mm (1.0608 in) max

    Object Number: 874198  Size: SH
  18. Using an inside micrometer or SA91102NE or equivalent, measure the housing bore diameter.
  19. Bore Diameter

        • Standard: 44.475-44.500 mm (1.751-1.752 in) max
        • Service Limit: 44.513 mm (1.753 in) max
  20. Subtract the journal diameter measurement from the housing bore diameter measurement. If the clearance is greater than maximum, replace the camshaft and/or cylinder head.
  21. Oil Clearance

        • Standard: 0.51-1.101 mm (0.0020-0.0040 in) max
        • Service Limit: 0.138 mm (0.0054 in) max

    Object Number: 874846  Size: SH
  22. Inspect camshaft bore for flatness. Using a precision SA9177NE and SA91101NE , measure the surfaces contacting the camshaft for warpage. If warpage is greater than maximum, replace the cylinder head.
  23. Maximum Warpage

        • Standard: 0.05 mm (0.0020 in) max
        • Service Limit: 0.064 mm (0.0025 in) max

Camshaft and Cylinder Head Inspection DOHC

Tools Required

SA9179NE Dial Indicator

Inspection Procedure


    Object Number: 871172  Size: SH
  1. Install camshaft and bearing caps. Refer to Cylinder Head Assemble for additional detail.
  2. 1.1. Oil camshaft journals and install the camshaft. Install the bearing caps with the arrows on the caps pointed toward the camshaft sprockets, front of cylinder head.

            Important: Bolt threads should be lightly oiled prior to installation. Holes must be clean and free from oil and debris.

    1.2. Bolts must be pulled down uniformly.

    Tighten
    Tighten camshaft bearing cap-to-head (LL0) to 14 N·m (10 lb in)

    1.3. The camshaft should rotate freely. If the camshaft binds, check for burrs in the cylinder head and caps journals.

    Object Number: 871175  Size: SH
  3. Measure the camshaft thrust (end play). Using a SA9179NE or equivalent, measure the thrust clearance while moving each camshaft back and forth. If clearance is greater than maximum, replace the cylinder head or camshaft.
  4. Camshaft Thrust Clearance

        • Standard: 0.006-0.396 mm (0.0002-0.0156 in)
        • Service Limit: 0.45 mm (0.018 in) max
  5. Remove the camshafts from the cylinder head:
  6. 3.1. Remove the bearing caps.
    3.2. Remove each camshaft.

    Object Number: 871180  Size: SH
  7. Inspect camshaft bore for flatness. Using a precision straight edge and feeler gauge, measure the surfaces contacting the camshaft for warpage. If warpage is greater than maximum, replace the cylinder head.
  8. Maximum Warpage

        • Standard: 0.05 mm (0.0020 in) max
        • Service Limit: 0.075 mm (0.003 in) max

    Object Number: 876883  Size: SH
  9. Inspect camshaft:
  10. Place the camshaft ends in V-blocks and, using a dial indicator or SA9179NE , or equivalent, measure the total runout at the center journal. If the runout is greater than maximum, replace the camshaft.
  11. Circle Total Runout

        • Standard: 0.080 mm (0.003 in) max
        • Service Limit: 0.120 mm (0.0047 in) max

    Object Number: 876889  Size: SH
  12. Using a dial indicator, measure the cam lobe lift rise. Place the camshaft in V-blocks located next to the lobe being measured.

  13. Object Number: 874410  Size: SH
  14. If the cam lobe lift/rise is less than minimum, replace the camshaft.
  15. Cam Lobe Lift Rise

        • Standard: 5.183-5.263 mm (0.2042-0.2074 in) max
        • Service Limit: 5.133 mm (0.203 in) max

    Object Number: 876896  Size: SH
  16. Using a micrometer, measure the journal diameter.
  17. Journal Diameter

        • Standard: 26.950-26.970 mm (1.0638-1.0648 in) max
        • Service Limit: 26.925 mm (1.0608 in) max

    Object Number: 871187  Size: SH
  18. Install the camshaft bearing caps. Using an inside micrometer, measure the housing bore diameter.
  19. Bore Diameter

        • Standard: 27.000-27.026 mm (1.0638-1.0648 in) max
        • Service Limit: 27.05 mm (1.0658 in) max

    Important:  Plastigage®, or equivalent can be used to measure bearing clearance.

  20. Subtract the journal diameter measurement from the housing bore diameter measurement. If the clearance is greater than maximum, replace the camshaft and/or cylinder head.
  21. Oil Clearance

        • Standard: 0.030-0.076 mm (0.0012-0.0030 in) max
        • Service Limit: 0.125 mm (0.005 in) max