GM Service Manual Online
For 1990-2009 cars only
Makes
🢒
Saturn
🢒
2002
🢒
VUE - AWD
🢒
Transmission/Transaxle
🢒
Manual Transmission - Getrag 5 Speed
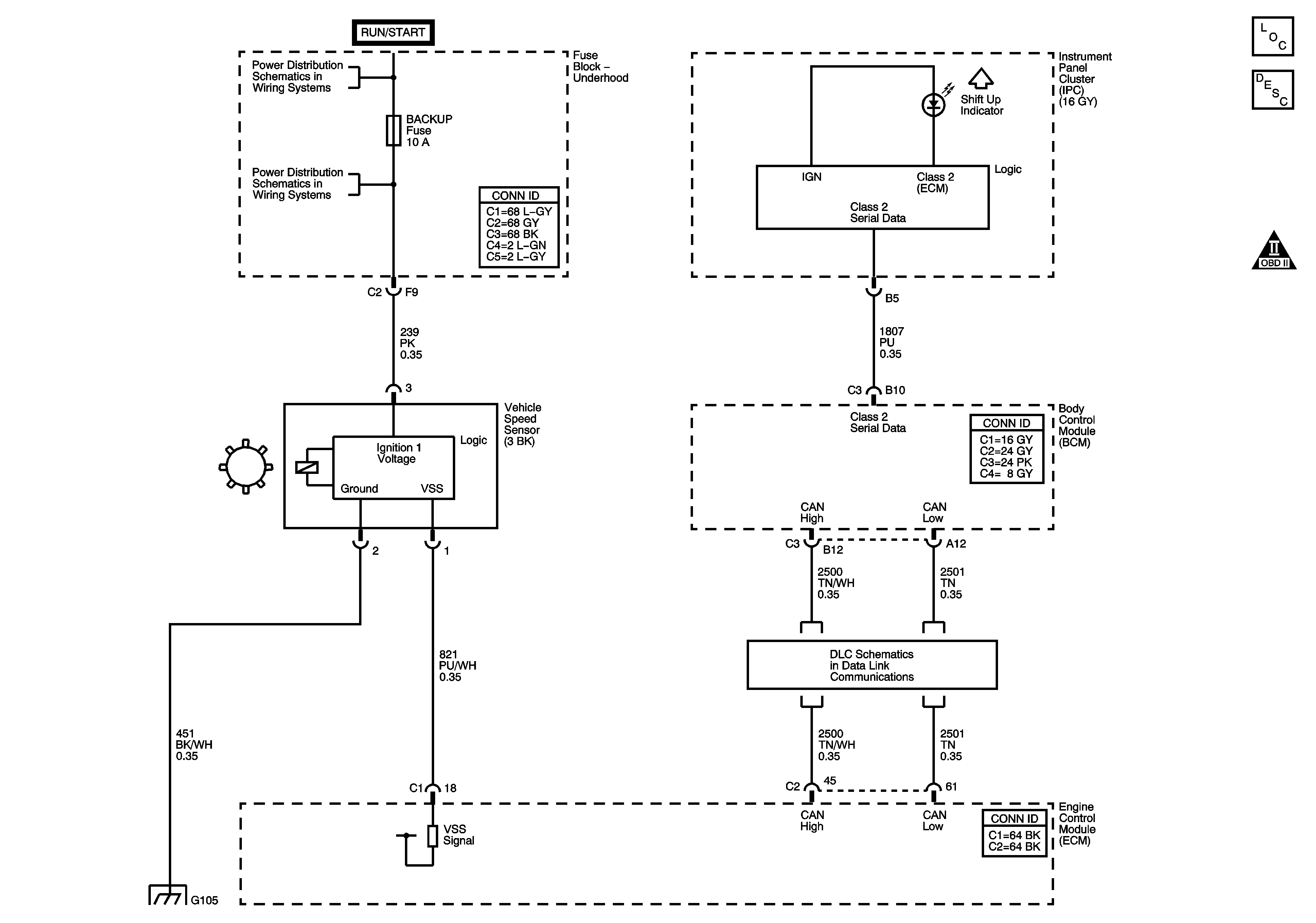
🢒 Manual Transmission Schematics
Master Electrical Component List
Transmission System Description and Operation
OBD II Symbol Description Notice
Ignition Switch
BACKUP,PWR TRAIN,ENG IGN, and ABS Fuses
G103, G105, and G207 - L61
DLC Schematic