GM Service Manual Online
For 1990-2009 cars only
Makes
🢒
Saturn
🢒
2004
🢒
VUE - AWD
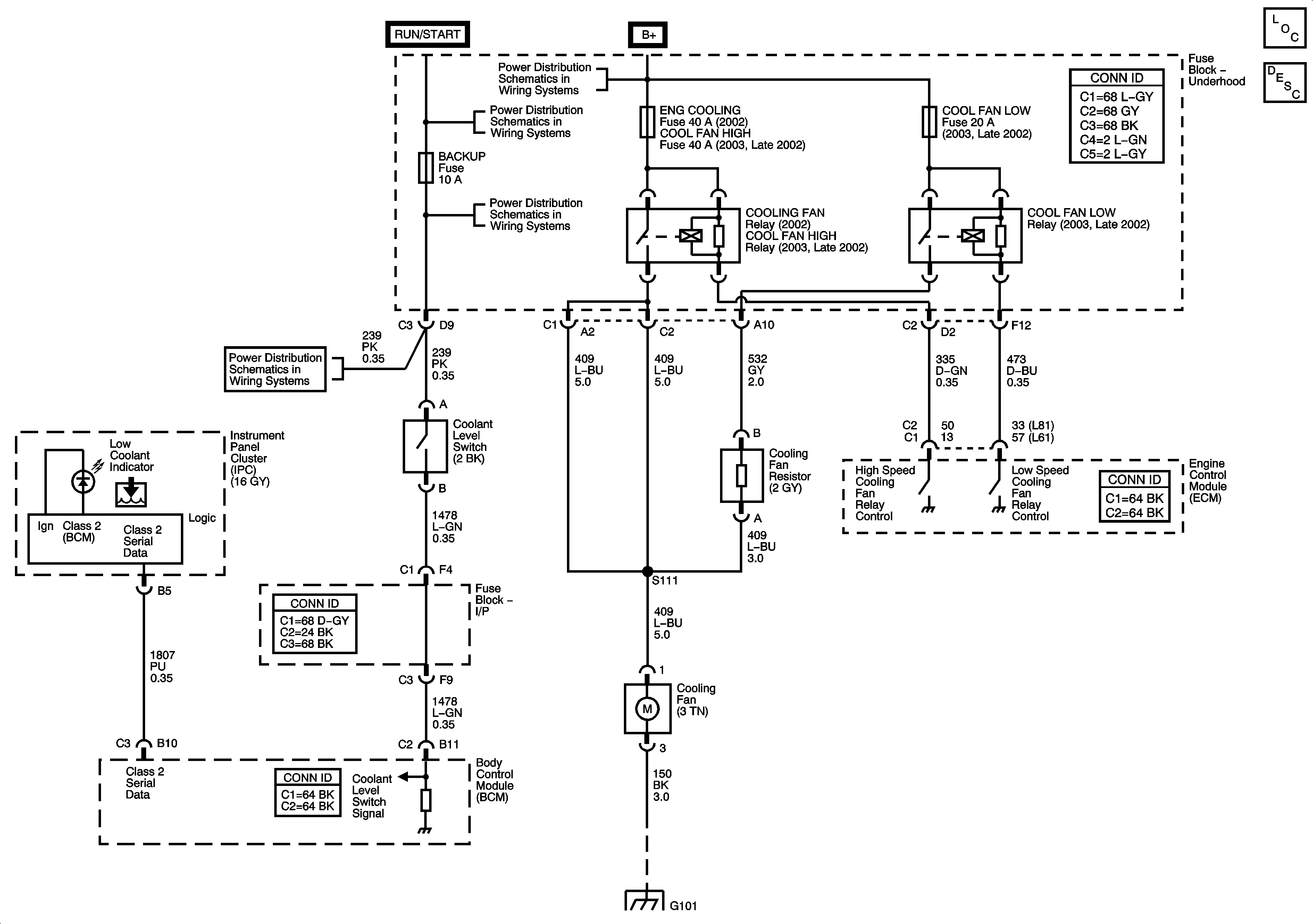
🢒 Engine Cooling Schematic
Engine Cooling Schematic
Master Electrical Component List
Cooling System Description and Operation
Battery Power to the Fuse Block, Starter, and Generator
Ignition Switch
BACKUP,PWR TRAIN,ENG IGN, and ABS Fuses
BACKUP,PWR TRAIN,ENG IGN, and ABS Fuses
G101